电脑桌面
添加小米粒文库到电脑桌面
安装后可以在桌面快捷访问

山东省2024年10月高等教育自学考试桥涵施工及组织管理试题VIP免费

山东省2024年10月高等教育自学考试桥涵施工及组织管理试题_第1页
1/3
山东省2024年10月高等教育自学考试桥涵施工及组织管理试题_第2页
2/3
山东省2024年10月高等教育自学考试桥涵施工及组织管理试题_第3页
3/3
下载后可任意编辑山东省 2024 年 10 月高等教育自学考试桥涵施工及组织管理试题课程代码:10106 请考生按规定用笔将所有试题的答案涂、写在答题纸上。选择题部分注意事项: 1. 答题前,考生务必将自己的考试课程名称、姓名、准考证号用黑色字迹的签字笔或钢笔填写在答题纸规定的位置上。 2. 每小题选出答案后,用 2B 铅笔把答题纸上对应题目的答案标号涂黑。如需改动,用橡皮擦洁净后,再选涂其他答案标号。不能答在试题卷上。一、单项选择题(本大题共 10 小题,每小题 2 分,共 20 分)在每小题列出的四个备选项中只有一个是符合题目要求的,请将其选出并将“答题纸”的相应代码涂黑。错涂 、多涂或未涂均无分。1.我国《公路工程施工招标投标管理办法》规定协议招标中应邀参加议标的单位不得少于______家。A.2B.3C.4D.52.对于边设计边施工的紧急工程,或者遭受地震,水毁等灾害破坏后需修复的工程,一般采纳______合同形式。A.单价B.总价C.成本加酬金D.单价加数量3.施工过程组织的出发点和归宿点是A.施工过程的连续性B.施工过程的协调性C.施工过程的均衡性D.施工过程的经济性4.当施工任务十分紧迫,抢工期突击施工,工作面允许及资源充分保证供应的条件下,一般采纳______施工组织方式。A.顺序作业法B.平行作业法C.流水作业法D.平行流水施工法5.以下有关施工组织方式的说法错误的是A.顺序作业法不能充分利用工作面进行施工,工期较长B.平行作业法根据工艺专业化原则成立的施工班组一般不能保持连续作业C.平行作业法施工现场的管理工作较为复杂D.流水作业法单位时间需要投入施工的资源数量成倍增长,不利于资源供应的组织工作6.钻孔桩水下混凝土施工广泛采纳的是A.垂直移动导管法B.串桶法C.直接灌注法D.斜槽法7.梁体拆除侧模时的混凝土强度应超过A.2.0MPaB.2.5MPaC.3.0MPaD.3.5MPa8.钢绞线束张拉时,一般采纳A.控制伸长量B.控制张拉应力C.控制伸长量和张拉应力D.控制滑移量9.下面桥梁结构中,不宜采纳顶推法施工的是A.多跨连续梁桥B.单跨混凝土简支梁桥C.钢箱梁连续梁桥D.组合结构梁桥10.在桥梁墩台定位中,对于部分或全部位于水中不能直接丈量的曲线桥台,可采纳交会法或______进行定位。═══════════════════════════════════════════════════════════════════════════════ wxzppb.com 屏蔽机房下载后可任意编辑A.偏角法...

1、当您付费下载文档后,您只拥有了使用权限,并不意味着购买了版权,文档只能用于自身使用,不得用于其他商业用途(如 [转卖]进行直接盈利或[编辑后售卖]进行间接盈利)。
2、本站所有内容均由合作方或网友上传,本站不对文档的完整性、权威性及其观点立场正确性做任何保证或承诺!文档内容仅供研究参考,付费前请自行鉴别。
3、如文档内容存在违规,或者侵犯商业秘密、侵犯著作权等,请点击“违规举报”。

碎片内容

山东省2024年10月高等教育自学考试桥涵施工及组织管理试题

您可能关注的文档

领读文化+ 关注
实名认证
内容提供者

传播文化,铸就未来

确认删除?
VIP
微信客服
  • 扫码咨询
会员Q群
  • 会员专属群点击这里加入QQ群
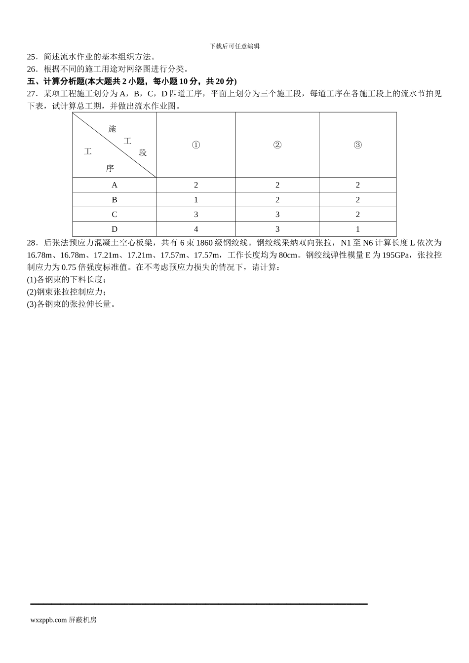
客服邮箱
回到顶部