电脑桌面
添加小米粒文库到电脑桌面
安装后可以在桌面快捷访问

斜井衬砌施工技术在南吕梁山隧道施工中的应用探究VIP免费

斜井衬砌施工技术在南吕梁山隧道施工中的应用探究_第1页
1/8
斜井衬砌施工技术在南吕梁山隧道施工中的应用探究_第2页
2/8
斜井衬砌施工技术在南吕梁山隧道施工中的应用探究_第3页
3/8
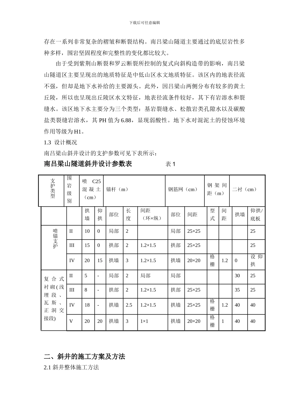
下载后可任意编辑斜井衬砌施工技术在南吕梁山隧道施工中的应用探究摘要:斜井衬砌施工技术被越来越广泛运用到目前的隧道施工当中。本文就南吕梁山隧道施工 1 号斜井为例,先分析了斜井施工的工程概况,再对斜井的施工方案和方法进行分析,阐述斜井衬砌施工技术在南吕梁山隧道施工过程中的具体应用,突出斜井施工技术在施工过程中的有用性和可操作性。关键字:斜井衬砌;南吕梁山隧道;施工 为了满足我国进展的需求,隧道施工技术快速进展起来。在长隧道进行施工的过程中,为了便于施工,增加施工的工作面,加快施工进度,增设斜井和竖井成为了隧道施工过程中的必要手段。本文主要讲斜井施工在南吕梁山隧道施工中的应用。斜井即为为了方便施工在隧道的中间部位,从地面上斜着向下打出的一条连通正洞的隧道。衬砌技术主要用于隧道工程和水利渠道工程中。南吕梁山隧道施工中的衬砌施工就可利用斜井有效地完成。一、 南吕梁山 1 号斜井工程概况1.1 范围及工程概况南吕梁山隧道的左线即为南吕梁山隧道 1 号所在位置,与正洞相交于DK304+200 处,斜井总长为 2460m,每 300m 设置了一个 30m 的长缓坡段,计算出的坡率是 3%,其他地段的坡率为 12%,是临时的工程。施工采纳的运输方式是双车道无轨运输,每个缓坡段都设置了倒车洞室,以及防溜车砂堆。1.2 地质、水文特征概况以吕梁山为主干的吕梁山地区是侵蚀剥蚀基岩山区,南吕梁山隧道通过的地方即为吕梁山地区。该地区最高地段的海拔是 1946m,一般来说,谷岭间的高度差在 300~500m 之间,主要以侵蚀为主,剥蚀作用相对次之。此外,西面坡有断崖出露,山势较为陡峭。东面坡有大量覆盖的黄土,地势相对比较平缓。隧道区域西面,主要是吕梁山坡的紫荆山断裂与鄂尔多斯盆地相接,东面则以霍山断裂和太岳山地相接。因区内经过了多次的构造改动,地质构造相对复杂,下载后可任意编辑存在一系列非常复杂的褶皱和断裂结构。南吕梁山隧道主要通过的底层岩性多种多样,围岩坚固程度和完整性的变化都比较大。由于受到紫荆山断裂和罗云断裂所控制的复式向斜构造带的影响,南吕梁山隧道区主要呈现出的地质特征是中低山区水文地质特征。该区内的地表径流不强,但却是地下水补给的主要源头。此外,因吕梁山两侧分布有较多的黄土丘陵,所以也呈现出丘陵区水文特征,地表径流条件较好,其下有岩溶水和裂缝水。该区地下水主要分为三个类型:基岩裂缝水、松散岩类孔隙水以及碳酸盐类裂缝岩溶水,其 PH...

1、当您付费下载文档后,您只拥有了使用权限,并不意味着购买了版权,文档只能用于自身使用,不得用于其他商业用途(如 [转卖]进行直接盈利或[编辑后售卖]进行间接盈利)。
2、本站所有内容均由合作方或网友上传,本站不对文档的完整性、权威性及其观点立场正确性做任何保证或承诺!文档内容仅供研究参考,付费前请自行鉴别。
3、如文档内容存在违规,或者侵犯商业秘密、侵犯著作权等,请点击“违规举报”。

碎片内容

斜井衬砌施工技术在南吕梁山隧道施工中的应用探究

您可能关注的文档

确认删除?
VIP
微信客服
  • 扫码咨询
会员Q群
  • 会员专属群点击这里加入QQ群
客服邮箱
回到顶部