电脑桌面
添加小米粒文库到电脑桌面
安装后可以在桌面快捷访问

超长结构混凝土施工方案VIP免费

超长结构混凝土施工方案_第1页
1/24
超长结构混凝土施工方案_第2页
2/24
超长结构混凝土施工方案_第3页
3/24
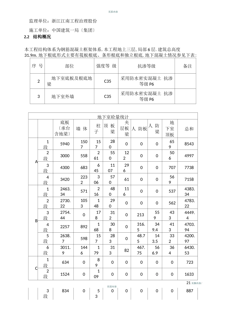
页眉内容目 录第一章编制依据 1第二章工程概况 12.1 整体概况 12.2 结构概况 22.3 超长结构情况 2第三章施工准备 33.1 组织机构及岗位责任:33.2 技术准备:43.3 劳动力方案 43.4 流水段的划分和施工现场平面布置 53.5 施工机械准备 63.6 材料准备 73.7 施工前准备工作 8第四章施工举措 94.1 超长混凝土特点及难点 94.2 材料 94.3 设计 114.4 混凝土生产技术 134.5 施工过程限制 144.6 混凝土试块制作 154.7 混凝土冬施考前须知 16第五章 技术质量保证举措 18第六章成品保护 18第七章 平安消防举措 19第八章 环保与文明施工 2021页脚内容/页眉内容第一章编制依据1.1 辽宁省科技馆建筑图纸、结构图纸1.2 ?混凝土结构工程施工质量验收规程?(GB50204-2002);1.3 ?混凝土结构设计标准?(GB50010-2002);1.4 ?混凝土质量限制标准?(GB50164-92)1.5 ?建筑工程冬期施工规程?(JGJ104-97)1.6 ?混凝土外加剂应用技术标准?(GB50119-2003);1.7 ?建筑机械使用平安技术规程?(JGJ33-2001);1.8 ?施工现场临时用电平安技术标准?(JGJ46-2005);1.9 ?建筑施工作业平安技术标准?(JGJ80-91);1.10 ?普通混凝土用砂质量标准及检验方法?(JGJ52-92);1.11 ?普通混凝土用碎石或卵石质量标准及检验方法?(JGJ53-92);1.12 ?普通混凝土配合比设计规程?(JGJ55-2000);1.13 ?混凝土拌合用水标准?(JGJ63-89);1.14 国家及地方现行的有关标准、标准;1.15 ?超长地下室混凝土结构防裂技术规定?1.16 四座场馆超长结构专题会议纪要第二章工程概况2.1 整体概况辽宁省科技馆工程位于辽宁省沈阳市浑南新城,智慧三街以东智慧四街以西,建设用 地面积 69100 近.本地块与新城规划的市民广场仅中央东路一路之隔.地块北侧为新城 规划的辽宁省博物馆、西侧隔市民广场与辽宁省档案馆与辽宁省图书馆为邻.各地区正 逐步成为以市民广场为轴线对称的文化场馆区.该工程拟在基地内新建一座地上三层(局 部设置夹层为六层)、地下一层的科技馆.主要功能包括:展教场所、特效影院、教育培 训、办公科研、宿舍、公共餐饮、地下停车库、人防以及配套设施.地下建筑面积 4702 m?,总建筑面积 101049 m?.工程名称:辽宁省科技馆工程建设单位:辽宁省第十二届全运会接待场所基建办公室设计单位:上海建筑设计研究院21页脚内容/页眉内容监理单位:浙江江南工程治理股份施工单位:中国建筑一局〔集团〕2.2结构概况本工程结构体系为钢筋混凝...

1、当您付费下载文档后,您只拥有了使用权限,并不意味着购买了版权,文档只能用于自身使用,不得用于其他商业用途(如 [转卖]进行直接盈利或[编辑后售卖]进行间接盈利)。
2、本站所有内容均由合作方或网友上传,本站不对文档的完整性、权威性及其观点立场正确性做任何保证或承诺!文档内容仅供研究参考,付费前请自行鉴别。
3、如文档内容存在违规,或者侵犯商业秘密、侵犯著作权等,请点击“违规举报”。

碎片内容

超长结构混凝土施工方案

您可能关注的文档

确认删除?
VIP
微信客服
  • 扫码咨询
会员Q群
  • 会员专属群点击这里加入QQ群
客服邮箱
回到顶部