电脑桌面
添加小米粒文库到电脑桌面
安装后可以在桌面快捷访问

机加工表面粗糙度VIP免费

机加工表面粗糙度_第1页
1/11
机加工表面粗糙度_第2页
2/11
机加工表面粗糙度_第3页
3/11
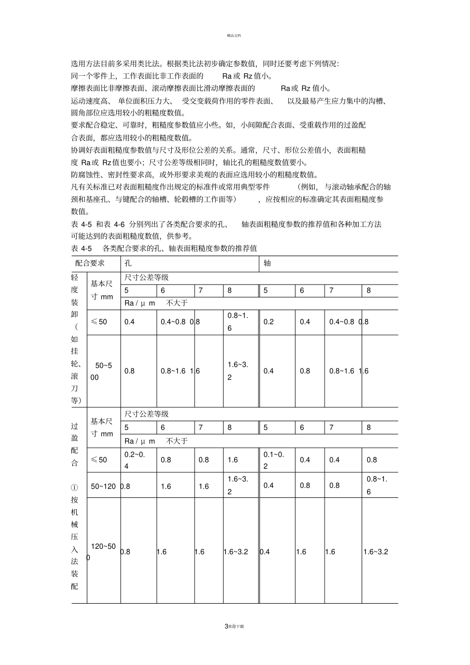
精品文档。1欢迎下载4.1 基本概念4.1.1 表面粗糙度的定义表面粗糙度( Surface roughness)是指加工表面上具有的较小间距和峰谷所组成的微观几何形状特性性它是一种微观几何形状误差,也称为微观不平度。表面粗糙度应与形状误差(宏观几何形状误差)和表面波度区别开。通常,波距小于 1mm 的属于表面粗糙度,波距在 1~10mm 的属于表面波度,波距大于 10mm 的属于形状误差,如图 4-1 所示。4.1.2 表面粗糙度对机械零件使用性能的影响表面粗糙度的大小对零件的使用性能和使用寿命有很大影响。1. 影响零件的耐磨性表面越粗糙,摩擦系数就越大,相对运动的表面磨损得越快。然而,表面过于光滑,由于润滑油被挤出或分子间的吸附作用等原因,也会使摩擦阻力增大和加速磨损。2. 影响配合性质的稳定性零件表面的粗糙度对各类配合均有较大的影响。对于间隙配合, 两个表面粗糙的零件在相对运动时会迅速磨损,造成间隙增大,影响配合性质;对于过盈配合,在装配时表面上微观凸峰极易被挤平,产生塑性变形,使装配后的实际有效过盈减小,降低联接强度;对于过渡配合,因多用压力及锤敲装配,表面粗糙度也会使配合变松。3. 影响疲劳强度承受交变载荷作用的零件的失效多数是由于表面产生疲劳裂纹造成的。疲劳裂纹主要是由于表面微观峰谷的波谷所造成的应力集中引起的。零件表面越粗糙,波谷越深,应力集中就越严重。因此,表面粗糙度影响零件的抗疲劳强度。4. 影响抗腐蚀性粗糙表面的微观凹谷处易存积腐蚀性物质,久而久之, 这些腐蚀性物质就会渗入到金属内层,造成表面锈蚀。此外,表面粗糙度对接触刚度、密封性、产品外观、表面光学性能、导电导热性能以及表面结合的胶合强度等都有很大影响。所以,在设计零件的几何参数精度时,必须对其提出合理的表面粗糙度要求,以保证机械零件的使用性能。http://jxxjc.hit.edu.cn/hhxing/book/version2/f42.htm 4.3 表面粗糙度的选用4.3.1 评定参数的选用1. 幅度参数的选用幅度参数是标准规定的基本参数,可以独立选用。 对于有粗糙度要求的表面,必须选用一个幅度参数。精品文档。2欢迎下载对于幅度方向的粗糙度参数值在0.025~6.3 μ m的零件表面,标准推荐优先选用Ra。这是因为 Ra 能够比较全面地反映被测表面的微小峰谷特征,同时, 上述范围内用轮廓仪能够很方便地测出被测表面Ra 的实际值。对于 Ra在 6.3~100 和 0.008~0.020 的零件表面可以选用 Rz。图 4-11 中,五种表面的...

1、当您付费下载文档后,您只拥有了使用权限,并不意味着购买了版权,文档只能用于自身使用,不得用于其他商业用途(如 [转卖]进行直接盈利或[编辑后售卖]进行间接盈利)。
2、本站所有内容均由合作方或网友上传,本站不对文档的完整性、权威性及其观点立场正确性做任何保证或承诺!文档内容仅供研究参考,付费前请自行鉴别。
3、如文档内容存在违规,或者侵犯商业秘密、侵犯著作权等,请点击“违规举报”。

碎片内容

机加工表面粗糙度

确认删除?
VIP
微信客服
  • 扫码咨询
会员Q群
  • 会员专属群点击这里加入QQ群
客服邮箱
回到顶部