电脑桌面
添加小米粒文库到电脑桌面
安装后可以在桌面快捷访问

施工方案(气象雷达)VIP免费

施工方案(气象雷达)_第1页
1/10
施工方案(气象雷达)_第2页
2/10
施工方案(气象雷达)_第3页
3/10
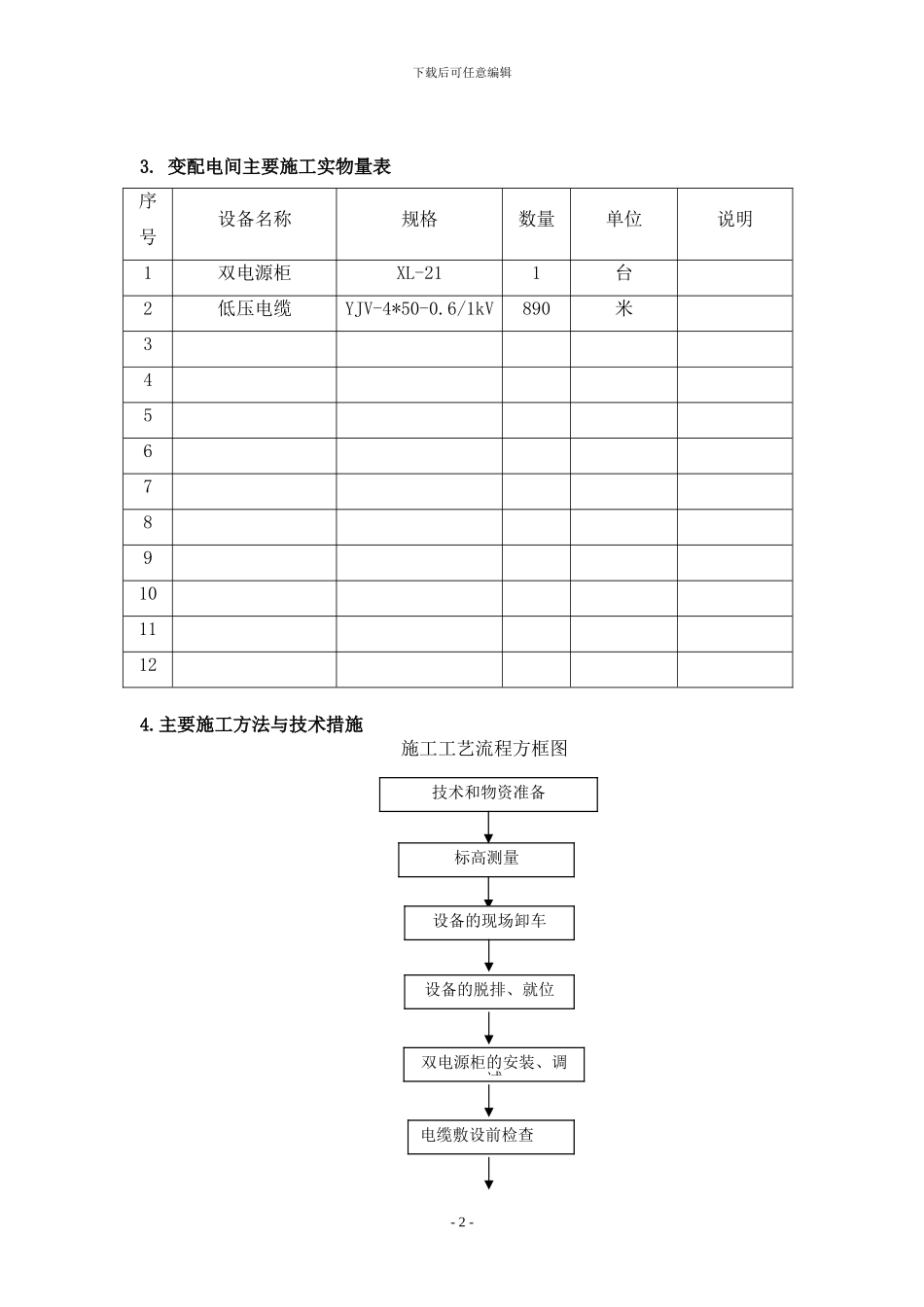
下载后可任意编辑天津市滨海国际机场二跑道工程空管项目-航管工程气象雷达站供电工程安装施工方案1.工程概况本工程为天津市滨海国际机场二跑道工程空管项目-航管工程气象雷达站供电工程安装施工方案设计。该工程的主要设备是双电源柜及电缆敷设安装,电压等级为 0.4kV.本工程主要设备有低压柜 1 台、低压电缆 771 米、拉管 172 米、埋管 30 米。这些主要设备是本工程施工的重点,都采纳合适的液压汽车吊直接把设备卸于现场。为了按质、按量确保变电站的施工,我公司将选派具有丰富施工经验且持有效施工操作证书的优秀员工进场参加施工,并与业主、设计、监理、总包、土建及供应商等有关单位人员密切联系,切实做好各项准备工作;同时也需要得到上述协作单位的大力支持配合,共同圆满完成此次施工任务。2.本方案执行标准应遵循的技术标准 GBJ148-90 电气装置安装工程 GB50150-91 电气装置安装工程 电气设备交接试验标准 GB50169-92 电气装置安装工程 接地装置施工及验收法律规范 GB50171-92 电气装置安装工程 盘、柜及二次回路结线施工及验收法律规范D101.1-7(2024) 《电缆敷设》ZE-1.12-2024 防雷接地装置和电气接地装置施工工艺ZZ-0.6-91 起重机械安全技术操作规程JGJ33-2001 建筑机械使用安全技术规程JGJ46-2024 施工现场临时用电安全技术法律规范JGJ80-91 建筑施工高处作业安全技术法律规范JGJ146-2024 建筑施工现场环境与卫生标准GB50231-98 机械设备安装工程施工及验收通用法律规范- 1 -下载后可任意编辑3. 变配电间主要施工实物量表 序号设备名称规格数量单位说明1双电源柜XL-211台2低压电缆YJV-4*50-0.6/1kV890米34567891011124.主要施工方法与技术措施施工工艺流程方框图- 2 -技术和物资准备标高测量双电源柜的安装、调试电缆敷设前检查设备的现场卸车设备的脱排、就位下载后可任意编辑 4.1 技术物资及人员准备4.1.1 认真批阅施工图,注意施工图的设计深度和完整性,并应及时提出和解决施工图上存在的问题。4.1.2 施工前应实地箱站和电缆安装在工程项目中的地理位置和现场施工条件。4.1.3 编制施工预算,按预算和工程进度计划,提供公司规定的合格分供方的材料,提供完好的机具。4.1.4 送到施工场地的设备和材料应附有质保书和合格证,设备和材料如有缺陷,则应在业主、监理、总包及供货单位四方的共同确认下签证备案,问题严重的设备和材料,施工单位可拒绝接收。4.2 标高测量4.2.1 标高测...

1、当您付费下载文档后,您只拥有了使用权限,并不意味着购买了版权,文档只能用于自身使用,不得用于其他商业用途(如 [转卖]进行直接盈利或[编辑后售卖]进行间接盈利)。
2、本站所有内容均由合作方或网友上传,本站不对文档的完整性、权威性及其观点立场正确性做任何保证或承诺!文档内容仅供研究参考,付费前请自行鉴别。
3、如文档内容存在违规,或者侵犯商业秘密、侵犯著作权等,请点击“违规举报”。

碎片内容

施工方案(气象雷达)

确认删除?
VIP
微信客服
  • 扫码咨询
会员Q群
  • 会员专属群点击这里加入QQ群
客服邮箱
回到顶部