电脑桌面
添加小米粒文库到电脑桌面
安装后可以在桌面快捷访问

清远市某大楼外墙保温隔热节能工程施工方案VIP免费

清远市某大楼外墙保温隔热节能工程施工方案_第1页
1/11
清远市某大楼外墙保温隔热节能工程施工方案_第2页
2/11
清远市某大楼外墙保温隔热节能工程施工方案_第3页
3/11
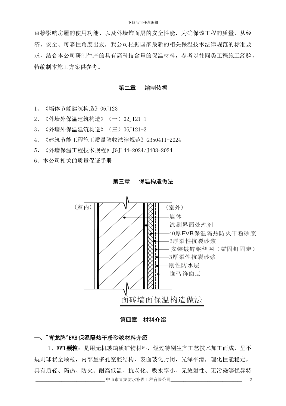
下载后可任意编辑清远市某大楼外墙保温隔热节能工程施工方案编制: 审核: 日期:二 00 九年十二月十三日 中山市青龙防水补强工程有限公司电话:林工 18680154838 QQ 1358427977第一章 工程概况根据设计要求,现需在外墙体进行保温施工。鉴于本保温工程施工效果的好坏会________________________________ 中山市青龙防水补强工程有限公司_________________________________1下载后可任意编辑直接影响房屋的使用功能、以及外墙饰面层的安全性能,为确保该工程的质量,从经济、安全、可靠性角度出发,我公司根据国家最新的相关保温技术法律规范的标准要求,结合本公司研制生产的具有高科技含量的保温材料,参考以往同类工程施工经验,特编制本施工方案供参考。第二章 编制依据1、《墙体节能建筑构造》06J1232、《外墙外保温建筑构造》(一)02J121-13、《外墙外保温建筑构造》(三)06J121-34、《建筑节能工程施工质量验收法律规范》GB50411-20245、《外墙保温工程技术规程》JGJ144-2024/J408-20246、本公司相关的质量保证手册第三章 保温构造做法第四章 材料介绍一、"青龙牌"EVB 保温隔热干粉砂浆材料介绍1、EVB 颗粒:是用无机玻璃质矿物材料,经过特别生产工艺技术加工而成,呈不规则球状全颗粒,内部呈多孔空腔结构,表面玻化封闭,光泽平滑,理化性能稳定,具有质轻、隔热、防火、耐高低温、抗老化、吸水率小、无放射性、无污染等优异特________________________________ 中山市青龙防水补强工程有限公司_________________________________2下载后可任意编辑性,是一种新型无机轻质绝热材料。2、EVB 保温隔热干粉砂浆:是采纳 EVB 微珠、无机保温胶结料、聚合物改性剂、高强或普通型水泥、抗裂纤维等混合生产而成的一种干粉功能性砂浆,使用时现场加水搅拌。3、材料特点:(1)、品质稳定:全系列产品均采纳工业化生产,对原材料进行优化配比,严格控制生产程序,从根本上确保材料的一致性、稳定性及可靠性。(2)、整体性好:隔热保温系统与基层全面粘接,形成连续无空腔整体,现场施工可随意造型,特别适用于异型部位。(3)、寿命长:优良的防火、耐水、耐候、耐冻融性能,无机材料的稳定性可确保体系与建筑物同寿命。(4)、综合性能好:容重轻,隔热保温性能好,不空鼓开裂,附着力强,粘结性好,环保无毒,是一种真正的绿色环保建材。(5)、施工操作方便:采纳机械喷涂工艺和人工抹光工艺施工4、EVB 保温隔热干粉砂...

1、当您付费下载文档后,您只拥有了使用权限,并不意味着购买了版权,文档只能用于自身使用,不得用于其他商业用途(如 [转卖]进行直接盈利或[编辑后售卖]进行间接盈利)。
2、本站所有内容均由合作方或网友上传,本站不对文档的完整性、权威性及其观点立场正确性做任何保证或承诺!文档内容仅供研究参考,付费前请自行鉴别。
3、如文档内容存在违规,或者侵犯商业秘密、侵犯著作权等,请点击“违规举报”。

碎片内容

清远市某大楼外墙保温隔热节能工程施工方案

您可能关注的文档

确认删除?
VIP
微信客服
  • 扫码咨询
会员Q群
  • 会员专属群点击这里加入QQ群
客服邮箱
回到顶部