电脑桌面
添加小米粒文库到电脑桌面
安装后可以在桌面快捷访问

机械设计基础综合复习资料A卷简答题每题3分,15题,VIP专享VIP免费

机械设计基础综合复习资料A卷简答题每题3分,15题,_第1页
1/7
机械设计基础综合复习资料A卷简答题每题3分,15题,_第2页
2/7
机械设计基础综合复习资料A卷简答题每题3分,15题,_第3页
3/7
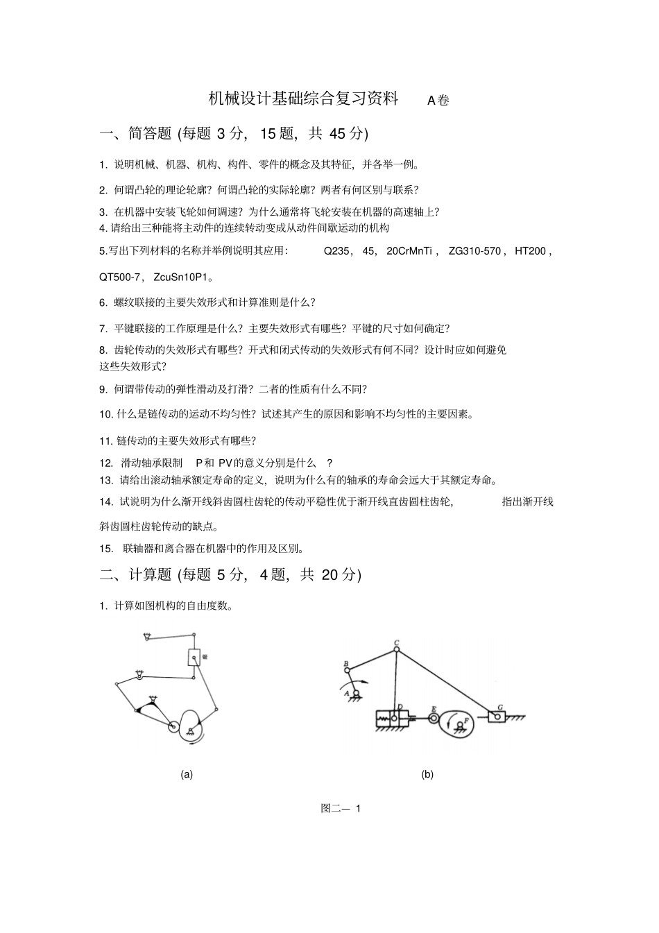
机械设计基础综合复习资料A卷一、简答题 (每题 3 分,15 题,共 45 分) 1. 说明机械、机器、机构、构件、零件的概念及其特征,并各举一例。2. 何谓凸轮的理论轮廓?何谓凸轮的实际轮廓?两者有何区别与联系?3. 在机器中安装飞轮如何调速?为什么通常将飞轮安装在机器的高速轴上?4. 请给出三种能将主动件的连续转动变成从动件间歇运动的机构5.写出下列材料的名称并举例说明其应用:Q235, 45, 20CrMnTi , ZG310-570 ,HT200 ,QT500-7, ZcuSn10P1。6. 螺纹联接的主要失效形式和计算准则是什么?7. 平键联接的工作原理是什么?主要失效形式有哪些?平键的尺寸如何确定?8. 齿轮传动的失效形式有哪些?开式和闭式传动的失效形式有何不同?设计时应如何避免这些失效形式?9. 何谓带传动的弹性滑动及打滑?二者的性质有什么不同?10. 什么是链传动的运动不均匀性?试述其产生的原因和影响不均匀性的主要因素。11. 链传动的主要失效形式有哪些?12.滑动轴承限制P和 PV的意义分别是什么? 13. 请给出滚动轴承额定寿命的定义,说明为什么有的轴承的寿命会远大于其额定寿命。14. 试说明为什么渐开线斜齿圆柱齿轮的传动平稳性优于渐开线直齿圆柱齿轮,指出渐开线斜齿圆柱齿轮传动的缺点。15. 联轴器和离合器在机器中的作用及区别。二、计算题 (每题 5 分,4 题,共 20 分) 1. 计算如图机构的自由度数。(a) (b) 图二— 1 2. 一对渐开线标准直齿圆柱齿轮传动,测得其中心距为60毫米,小齿轮的齿数为20,传动比为2,试设计该对齿轮的其他参数。3. 如图所示轮系a、b,sradsradzzz/100,/200,40,24,2031321,求两轮系系杆的角速度?H图二— 3 4. 如图所示,凸缘联轴器若采用M16 螺栓联成一体,以摩擦力来传递转矩,螺栓材料为45钢,联轴器材料为25 钢,接合面摩擦系数f=0.15 ,安装时不要求严格控制预紧力,试决定螺栓数。图二— 4 三、分析题 (每题 5 分,3 题,共 15 分)1. 如图所示一轮系传动装置,已知输入轴上主动蜗杆1 的转速为n1,转向如图所示,输出轴上齿轮 6 的转速为 n6,转向如图所示。试计算①、计算其传动比。②、为了使中间轴Ⅰ、Ⅱ上的轴向力相互抵消一部分,试确定斜齿轮5 和齿轮 6 的螺旋线方向, 并在图上标出; ③、确定蜗轮 2 转向、 蜗杆 1 螺旋线方向; ④、画出中间轴Ⅰ上蜗轮2 及中间轴Ⅱ上齿轮5 在啮合点处的受力方向,各用三个分力表示。2. 在其...

1、当您付费下载文档后,您只拥有了使用权限,并不意味着购买了版权,文档只能用于自身使用,不得用于其他商业用途(如 [转卖]进行直接盈利或[编辑后售卖]进行间接盈利)。
2、本站所有内容均由合作方或网友上传,本站不对文档的完整性、权威性及其观点立场正确性做任何保证或承诺!文档内容仅供研究参考,付费前请自行鉴别。
3、如文档内容存在违规,或者侵犯商业秘密、侵犯著作权等,请点击“违规举报”。

碎片内容

机械设计基础综合复习资料A卷简答题每题3分,15题,

确认删除?
VIP
微信客服
  • 扫码咨询
会员Q群
  • 会员专属群点击这里加入QQ群
客服邮箱
回到顶部