电脑桌面
添加小米粒文库到电脑桌面
安装后可以在桌面快捷访问

炼油厂电缆施工方案VIP免费

炼油厂电缆施工方案_第1页
1/11
炼油厂电缆施工方案_第2页
2/11
炼油厂电缆施工方案_第3页
3/11
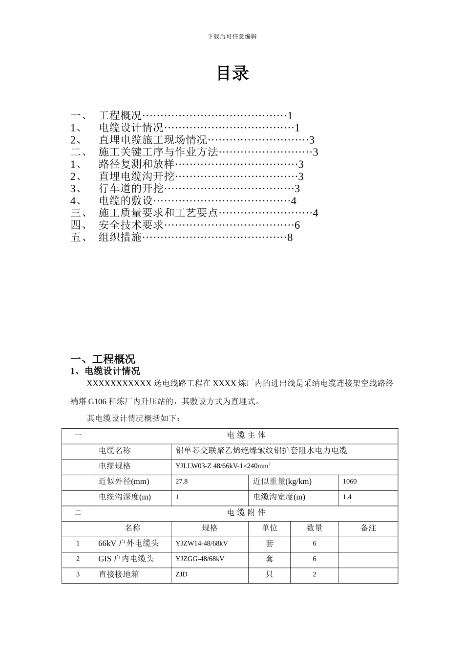
下载后可任意编辑电 缆 线 路 敷 设 施 工 方 案2012 年 9 月 8 日下载后可任意编辑目录一、 工程概况········································11、电缆设计情况····································12、直埋电缆施工现场情况····························3二、 施工关键工序与作业方法··························31、路径复测和放样··································32、直埋电缆沟开挖··································33、行车道的开挖····································34、电缆的敷设······································4三、 施工质量要求和工艺要点··························4四、 安全技术要求····································6五、 组织措施········································8一、工程概况1、电缆设计情况XXXXXXXXXXX 送电线路工程在 XXXX 炼厂内的进出线是采纳电缆连接架空线路终端塔 G106 和炼厂内升压站的,其敷设方式为直埋式。其电缆设计情况概括如下:一电 缆 主 体电缆名称铝单芯交联聚乙烯绝缘皱纹铝护套阻水电力电缆电缆规格YJLLW03-Z 48/66kV-1×240mm2近似外径(mm)27.8近似重量(kg/km)1060电缆沟深度(m)1电缆沟宽度(m)1.4二电 缆 附 件名称规格单位数量备注166kV 户外电缆头YJZW14-48/68kV套62GIS 户内电缆头YJZGG-48/68kV套63直接接地箱ZJD只2下载后可任意编辑4保护接地箱ZJDB只25电缆保护管PVC-Φ150米1456光缆保护管PVC-Φ25米3507避雷器YH10W1-62/150只68设备线夹SY-185/30A只69设备线夹SYG-185/30A只610接地线YJV-6/10-1*150mm2米9011避雷器支架∠75*6套112电缆护管支架∠75*6套113复合绝缘子FS-66/10只614复合绝缘子支座-8块615PVC 保护板250×1000×2mm块65016警示带0.2m×100m卷717标志桩见设计图纸个8 2、 直埋电缆施工现场情况A、拟定电缆路径(见示意图):根据设计和施工部门与恩贾梅纳炼油公司相关部门的现场勘查和协商,基本拟定电缆路径为以...

1、当您付费下载文档后,您只拥有了使用权限,并不意味着购买了版权,文档只能用于自身使用,不得用于其他商业用途(如 [转卖]进行直接盈利或[编辑后售卖]进行间接盈利)。
2、本站所有内容均由合作方或网友上传,本站不对文档的完整性、权威性及其观点立场正确性做任何保证或承诺!文档内容仅供研究参考,付费前请自行鉴别。
3、如文档内容存在违规,或者侵犯商业秘密、侵犯著作权等,请点击“违规举报”。

碎片内容

炼油厂电缆施工方案

您可能关注的文档

确认删除?
VIP
微信客服
  • 扫码咨询
会员Q群
  • 会员专属群点击这里加入QQ群
客服邮箱
回到顶部