电脑桌面
添加小米粒文库到电脑桌面
安装后可以在桌面快捷访问

路肩c20水泥混凝土路缘石安装试验段施工方案-secretVIP免费

路肩c20水泥混凝土路缘石安装试验段施工方案-secret_第1页
1/8
路肩c20水泥混凝土路缘石安装试验段施工方案-secret_第2页
2/8
路肩c20水泥混凝土路缘石安装试验段施工方案-secret_第3页
3/8
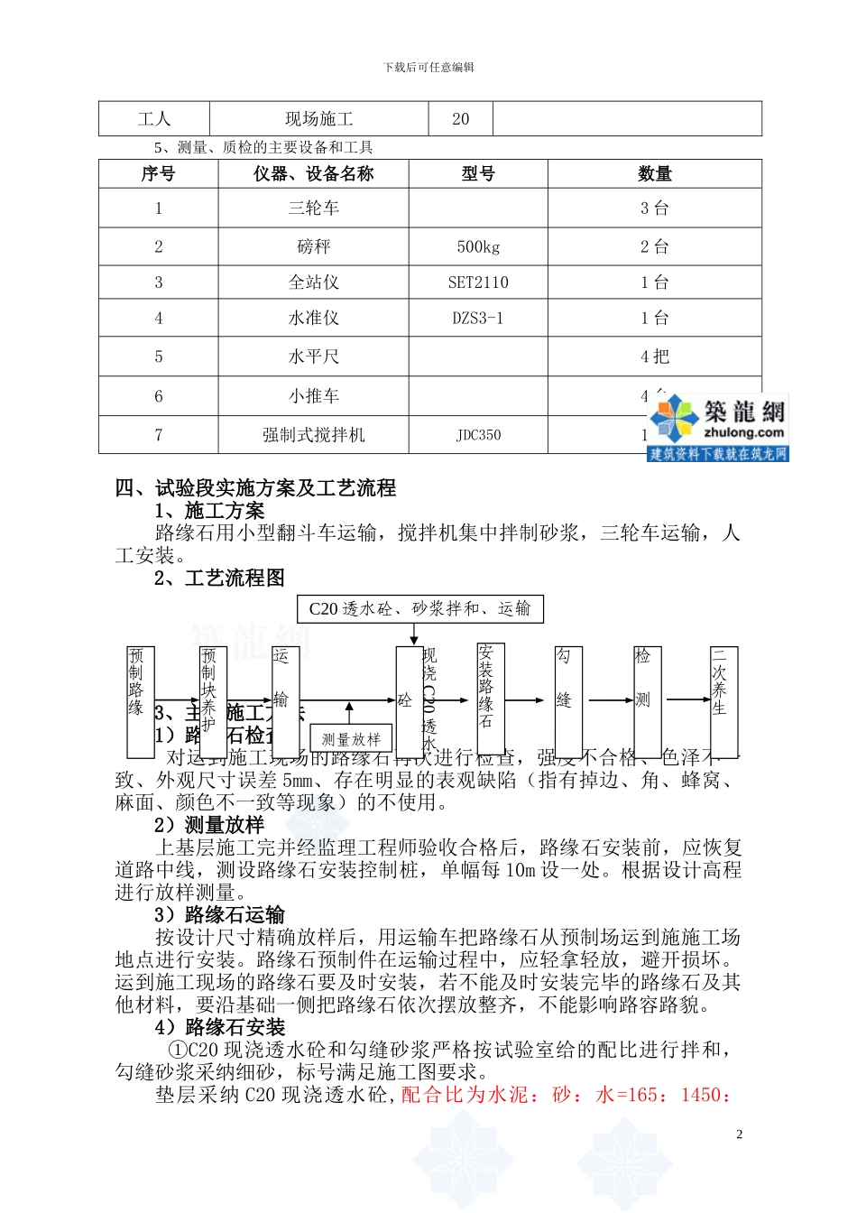
下载后可任意编辑路肩 C20 水泥混凝土路缘石安装试验段施工方案培土路肩路缘石安装试验段的施工是为全线培土路肩路缘石安装施工探究一套标准的施工方法,确定适合其施工的组织方式、验证机械设备的工作效率、优化施工参数,用以指导培土路肩路缘石安装的大面积施工。我合同段培土路肩路缘石安装施工的技术及施工准备工作已全部结束,施工人员及机械设备全部到位,我部已具备培土路肩路缘石安装的施工条件,现根据相关技术法律规范及和业主、监理程序要求,我部特编制培土路肩路缘石安装试验段施工方案如下。一、编制依据1、德商公路某段高速公路路面工程招标文件;2、德商公路某段高速公路路面施工图设计;3、《公路工程质量检验评定标准》(JTG F80/1-2024);4、德商高速公路某合同段施工总工期安排;5、《公路工程国内招标文件范本》(2024 年版)。二、试验目的:培土路肩路缘石安装试验段是为全线培土路肩路缘石安装施工探究一套标准的施工方法,确定适合其施工的组织方式、验证机械设备及人工的工作效率、优化施工参数,用以指导培土路肩路缘石安装的大面积施工。三、施工准备:1、试验地点:K284+837.29-K284+950 左幅,长 112.71 米;2、原材料及其产地(1)水泥:山东腾州鲁南中联有限公司产中联牌 P.032.5 水泥。(2)砂:山东郓城汶上砂场粗砂。(3)水:工程用水。3、C20 现浇透水砼和勾缝砂浆配合比垫层砂浆和勾缝砂浆严格按试验室给的配比进行拌和,勾缝砂浆采纳细砂,标号满足施工图要求。垫层 C20 现浇透水砼,配合比为水泥:砂:水=165:1450:140(每立方用量)勾缝砂浆采纳 M10 砂浆,配合比为水泥:砂:水=244:1450:260(每立方用量)4、主要施工人员表职务工作范围人数备注副经理总体协调1项目总工技术负责1技术人员现场质量控制2试验人员水泥剂量、水灰比、抗压强度2领工员现场施工质量控制21下载后可任意编辑工人现场施工205、测量、质检的主要设备和工具序号仪器、设备名称型号数量1三轮车3 台2磅秤500kg2 台3全站仪SET21101 台4水准仪DZS3-11 台5水平尺4 把6小推车4 台7强制式搅拌机JDC3501 台四、试验段实施方案及工艺流程1、施工方案路缘石用小型翻斗车运输,搅拌机集中拌制砂浆,三轮车运输,人工安装。2、工艺流程图3、主要施工方法1)路缘石检查 对运到施工现场的路缘石再次进行检查,强度不合格、色泽不一致、外观尺寸误差 5mm、存在明显的表观缺陷(指有掉边、角、蜂窝、麻面、颜色不一致...

1、当您付费下载文档后,您只拥有了使用权限,并不意味着购买了版权,文档只能用于自身使用,不得用于其他商业用途(如 [转卖]进行直接盈利或[编辑后售卖]进行间接盈利)。
2、本站所有内容均由合作方或网友上传,本站不对文档的完整性、权威性及其观点立场正确性做任何保证或承诺!文档内容仅供研究参考,付费前请自行鉴别。
3、如文档内容存在违规,或者侵犯商业秘密、侵犯著作权等,请点击“违规举报”。

碎片内容

路肩c20水泥混凝土路缘石安装试验段施工方案-secret

您可能关注的文档

雏圣文化+ 关注
实名认证
内容提供者

欢迎光临,大量办公文档供您挑选。

确认删除?
VIP
微信客服
  • 扫码咨询
会员Q群
  • 会员专属群点击这里加入QQ群
客服邮箱
回到顶部