电脑桌面
添加小米粒文库到电脑桌面
安装后可以在桌面快捷访问

龙腾园物流中心道路工程施工方案VIP免费

龙腾园物流中心道路工程施工方案_第1页
1/9
龙腾园物流中心道路工程施工方案_第2页
2/9
龙腾园物流中心道路工程施工方案_第3页
3/9
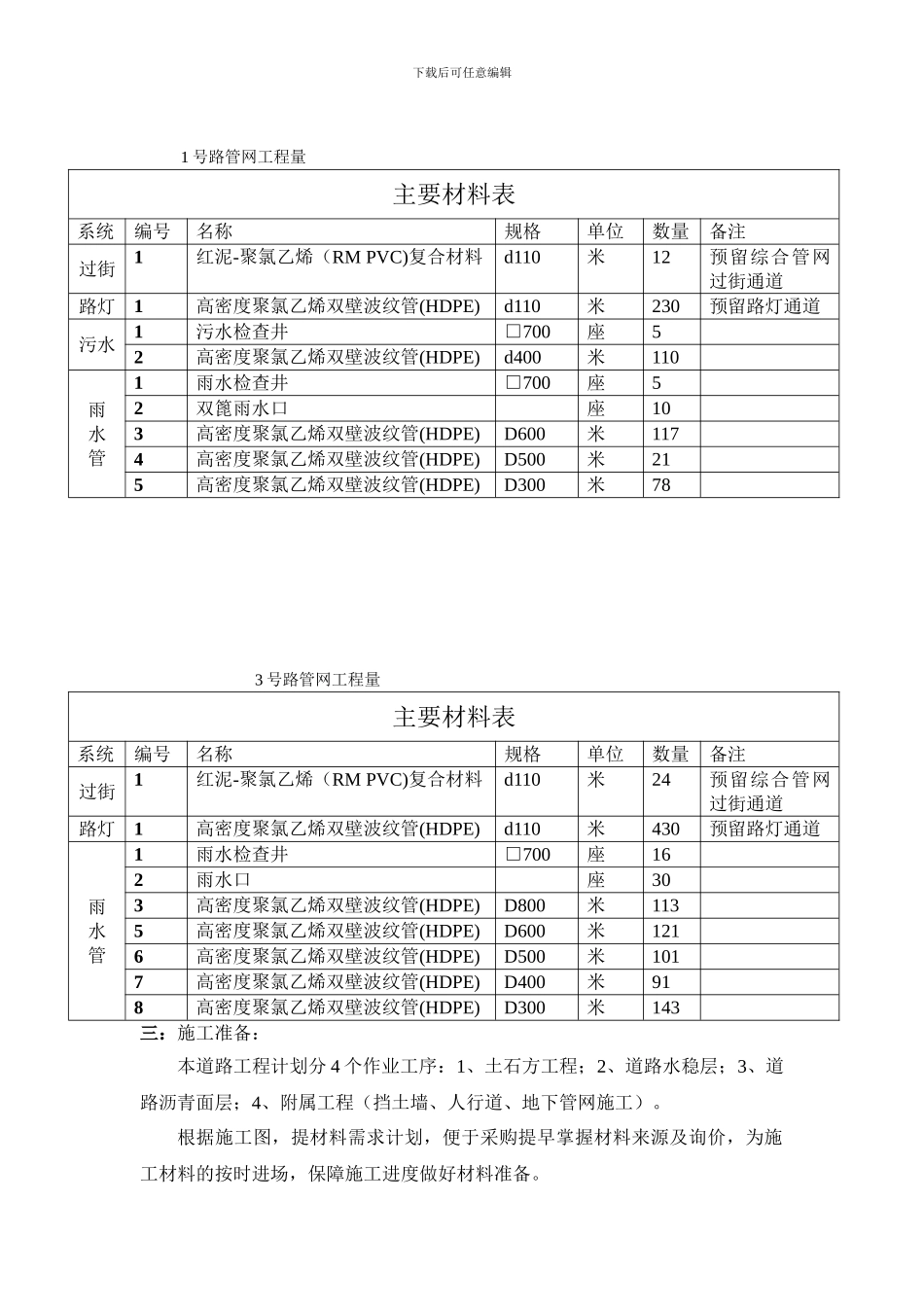
下载后可任意编辑 龙腾园物流中心道路工程施工方案 根据重庆市玉罗市政工程有限公司(2024)132 号文件精神,结合万州区经开区龙腾园物流中心道路工程实际情况,组建工程项目部,项目部成员组成如下:序号岗位姓名主要职责联系电话1项目经理康建政全面负责项目管理186968505132施工员卞亮亮施工现场管理151787671153测量负责人秦 舰施工现场管理测量135948688264资料员郎 东各类资料收集、整理136353609905质安员向 东施工现场安全管理153105078166材料员崔炳青材料采购与管理13709438168一:工程概况: 龙腾园物流中心道路工程总长 861.061 米,分 4 个路段,1 号路长 118 米,宽22 米(路面 14 米,路两侧人行道各 4 米);2 号路长 135.771 米,宽 4 米(路面 4 米);3 号路长 432.934 米,宽 14 米(路面 8 米,路两侧人行道各 3 米);4 号路长 174.356 米,7 米(路面 7 米);道路构造:自路面层往下为:20cm 厚砼面层 沥青砼 AC-20 厚 5cm 改性乳化沥青稀浆封层厚 0.6cm 6%水泥稳定层级配碎石基层厚 20cm (1 号路 25 cm,,2、3、4 均为 20cm)4%水泥稳定层级配碎石基层厚 25(20)cm 压实路基下载后可任意编辑 人行道构造:自人行道面层往下:透水砖厚 230*115*60mm 1:3 水泥砂浆找平层厚 2 cm 4%水泥稳定级配碎石垫层 15cm 压实路基 目前存在的问题:1、2 号线上有国防光缆及水泥电线杆当道;3 号线中桩与重庆建工集团的临时围墙相交;3 号线在龙腾园围墙处旁,围墙部分影响挡墙施工。以上需业主方进行协调解决。二:图纸实物工程量: 路基、路面 人行道及路缘路段土石方 m34% 水 泥稳 定 层 (m2)6%水泥稳定层(m2)稀浆封层厚(m2)AC-20厚 5cm(m2)SAM13面层厚 4cm(m2)挖方填方弃方1号93700937025cm 厚185620cm 厚17671683168316832号35770357720cm 厚57620cm 厚5495235235233号67464882186420cm 厚416620cm 厚39683779377937794号50824426420cm 厚160220cm 厚1526145314531453合计2024151261507582007810743874387438路段透水砖(m2)盲道块(m2)1:3 水泥砂浆厚 2cm(m2) 4%水泥稳定层 15cm (m2)C30 立式砼路缘石15*40*100cm (m)C25 砼路边石12*20*100cm (m)植树坑(个)路肩挡墙延长(m)1号70714296410122382324802号00002720003号1905520259827278938721731204号0000400000合计26126623562373918031104221120下载后可任意编辑 1 号路管...

1、当您付费下载文档后,您只拥有了使用权限,并不意味着购买了版权,文档只能用于自身使用,不得用于其他商业用途(如 [转卖]进行直接盈利或[编辑后售卖]进行间接盈利)。
2、本站所有内容均由合作方或网友上传,本站不对文档的完整性、权威性及其观点立场正确性做任何保证或承诺!文档内容仅供研究参考,付费前请自行鉴别。
3、如文档内容存在违规,或者侵犯商业秘密、侵犯著作权等,请点击“违规举报”。

碎片内容

龙腾园物流中心道路工程施工方案

您可能关注的文档

确认删除?
VIP
微信客服
  • 扫码咨询
会员Q群
  • 会员专属群点击这里加入QQ群
客服邮箱
回到顶部