电脑桌面
添加小米粒文库到电脑桌面
安装后可以在桌面快捷访问

2017年煤矿安全生产标准化基本要求及评分方法(执行说明)VIP免费

2017年煤矿安全生产标准化基本要求及评分方法(执行说明)_第1页
1/89
2017年煤矿安全生产标准化基本要求及评分方法(执行说明)_第2页
2/89
2017年煤矿安全生产标准化基本要求及评分方法(执行说明)_第3页
3/89
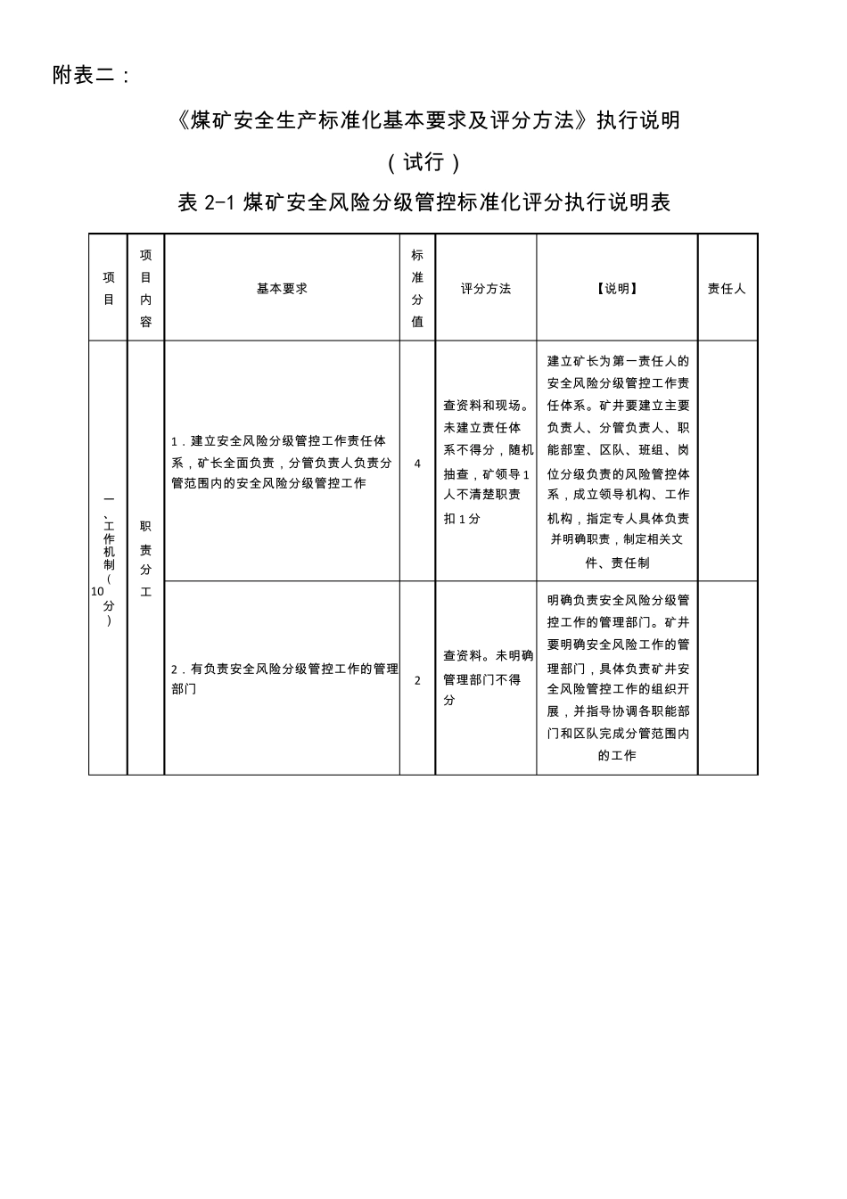
附 表 二 : 《 煤 矿 安 全 生 产 标 准 化 基 本 要 求 及 评 分 方 法 》 执 行 说 明 ( 试 行 ) 表 2-1 煤 矿 安 全 风 险 分 级 管 控 标 准 化 评 分 执 行 说 明 表 项 标 项 目 基 本 要 求 准 评 分 方 法 【 说 明 】 责 任 人 目 内 分 容 值 建 立 矿 长 为 第 一 责 任 人 的 安 全 风 险 分 级 管 控 工 作 责 查 资 料 和 现 场 。 任 体 系 。 矿 井 要 建 立 主 要 1. 建 立 安 全 风 险 分 级 管 控 工 作 责 任 体 未 建 立 责 任 体 负 责 人 、 分 管 负 责 人 、 职 系 不 得 分 , 随 机 能 部 室 、 区 队 、 班 组 、 岗 系 , 矿 长 全 面 负 责 , 分 管 负 责 人 负 责 分 4 抽 查 , 矿 领 导 1 位 分 级 负 责 的 风 险 管 控 体 管 范 围 内 的 安 全 风 险 分 级 管 控 工 作 人 不 清 楚 职 责 系 , 成 立 领 导 机 构 、 工 作 一 、 扣 1 分 机 构 , 指 定 专 人 具 体 负 责 工 职 作 责 并 明 确 职 责 , 制 定 相 关 文 机 件 、 责 任 制 制 分 ( 10 工 明 确 负 责 安 全 风 险 分 级 管 分 ) 控 工 作 的 管 理 部 门 。 矿 井 查 资 料 。 未 明 确 要 明 确 安 全 风 险 工 作 的 管 2. 有 负 责 安 全 风 险 分 级 管 控 工 作 的 管 理 理 部 门 , 具 体 负 责 矿 井 安 2 管 理 部 门 不 得 部 门 全 风 险 管 控 工 作 的 组 织 开 分 展 , 并 指 导 协 调 各 职 能 部 门 和 区 队 完 成 分 管 范 围 内 的 工 作 项 标 项 目 基 本 要 求 准 评 分 方 法 【 说 明 】 责 任 人 目 内 分 容 值 煤 矿 应 完 整 保 存 体 现 风 险 管 控 过 程 的 记 录 资 料 , 并 分 类 建 档 。 至 少 应 包 括 风 险 管 控 制 度 、风 险 点台账、 危险 源辨识与风 险 评 价 查资 料 。 未建 立 表, 以及风 险 分 级管 控 清 制 单等内 容 的 文件化成果; 建 立安全风 险 ...

1、当您付费下载文档后,您只拥有了使用权限,并不意味着购买了版权,文档只能用于自身使用,不得用于其他商业用途(如 [转卖]进行直接盈利或[编辑后售卖]进行间接盈利)。
2、本站所有内容均由合作方或网友上传,本站不对文档的完整性、权威性及其观点立场正确性做任何保证或承诺!文档内容仅供研究参考,付费前请自行鉴别。
3、如文档内容存在违规,或者侵犯商业秘密、侵犯著作权等,请点击“违规举报”。

碎片内容

2017年煤矿安全生产标准化基本要求及评分方法(执行说明)

您可能关注的文档

确认删除?
VIP
微信客服
  • 扫码咨询
会员Q群
  • 会员专属群点击这里加入QQ群
客服邮箱
回到顶部