电脑桌面
添加小米粒文库到电脑桌面
安装后可以在桌面快捷访问

某车间制造厂配电所设计xVIP免费

某车间制造厂配电所设计x_第1页
1/29
某车间制造厂配电所设计x_第2页
2/29
某车间制造厂配电所设计x_第3页
3/29
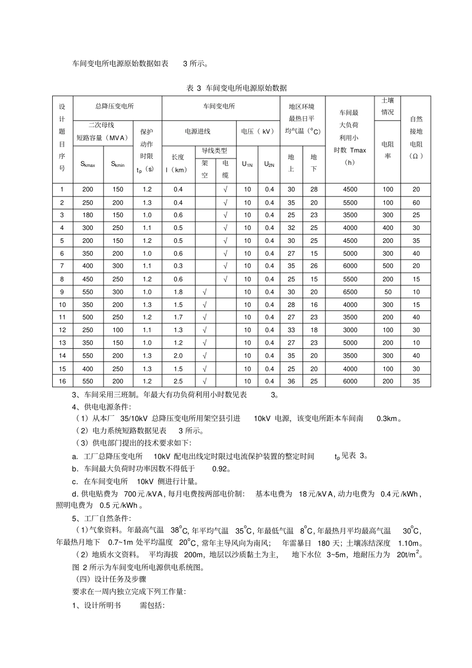
供电技术课程设计任务书(四)一、设计目的供电技术课程设计是按教学计划安排在供电课程结束后进行的教学实践环节,设计时间为一周。 以加强学生所学供电理论的应用,培养学生综合运用所学知识,解决问题及分析问题的能力。培养学生初步的工程设计能力。通过课程设计使学生初步掌握电气工程设计的步骤及方法,学会编写设计说明书,并按国家标准绘制工程图样。二、设计要求要求根据本厂所能取得的电源及本厂用电负荷的实际情况,并适当考虑到工厂生产的发展,按照安全可靠、技术先进、经济合理的要求,确定变电所的位置和型式,确定变电所主变压器的台数、容量与类型,选择变电所主接线方案及高低压设备和进出线,确定防雷和接地装置。 最后要求写出设计说明书,采用 IEP 软件绘出设计图纸。三、设计任务书(一)设计题目某制造厂车间变电所及其低压配电系统设计(二)设计时间2010 年1 月6 日至2010 年1 月14 日指导老师(签名)2011 年1 月14 日(三)设计依据1、某车间负荷全部为三级负荷,对供电可靠性要求不高。2、车间平面布置图如图1 所示,车间电气设备明细表如表1 所示,另外车间低压母线转供负荷如表 2 所示。图 1 某车间平面布置图表 1 某车间用电设备明细表设备代号设备名称台数单台容量( kW)效率功率因数启动倍数备注1~3 普通车床 C630-1 3 7.6 0.88 0.81 6 4 内圆磨床 M2120 1 7.25 0.88 0.83 6 5,16 砂轮机 S3SL-300 2 1.5 0.92 0.82 6.5 6 平面磨床 M7130 1 7.6 0.88 0.82 6 7~9 牛头刨床 B6050 3 4 0.87 0.82 6 10~12 普通车床 C6140 3 6.125 0.89 0.81 6 13~15 普通车床 C616 3 4.6 0.90 0.81 6 17, 18 单臂龙门刨床B1012 2 67.8 0.86 0.81 2.5 19 龙门刨床 B2016 1 66.8 0.86 0.81 2.5 20, 21 普通车床 C630 2 10.125 0.88 0.81 6 22 立式钻床 Z535 1 4.625 0.90 0.80 6 23, 38 立式车床 C534J1 2 80 0.86 0.80 3 24 摇臂钻床 Z35 1 8.5 0.87 0.82 5.5 25~28 镗床 T68 4 9.8 0.86 0.65 5.5 29~33 插床 B5032 5 4 0.87 0.8 6 34~37 普通车床 C630-3 4 5.625 0.89 0.82 6 表 2 某车间变电所低压转供负荷序号转供负荷名称计算负荷转供距离(km)Pc( kW )Qc(kvar)Sc(kVA)1 机修车间回路 1 52 27 0.15 回路 2 68 32 回路 3 59 29 2 加工...

1、当您付费下载文档后,您只拥有了使用权限,并不意味着购买了版权,文档只能用于自身使用,不得用于其他商业用途(如 [转卖]进行直接盈利或[编辑后售卖]进行间接盈利)。
2、本站所有内容均由合作方或网友上传,本站不对文档的完整性、权威性及其观点立场正确性做任何保证或承诺!文档内容仅供研究参考,付费前请自行鉴别。
3、如文档内容存在违规,或者侵犯商业秘密、侵犯著作权等,请点击“违规举报”。

碎片内容

某车间制造厂配电所设计x

您可能关注的文档

确认删除?
VIP
微信客服
  • 扫码咨询
会员Q群
  • 会员专属群点击这里加入QQ群
客服邮箱
回到顶部