电脑桌面
添加小米粒文库到电脑桌面
安装后可以在桌面快捷访问

校车GPS定位系统解决方案解读VIP免费

校车GPS定位系统解决方案解读_第1页
1/17
校车GPS定位系统解决方案解读_第2页
2/17
校车GPS定位系统解决方案解读_第3页
3/17
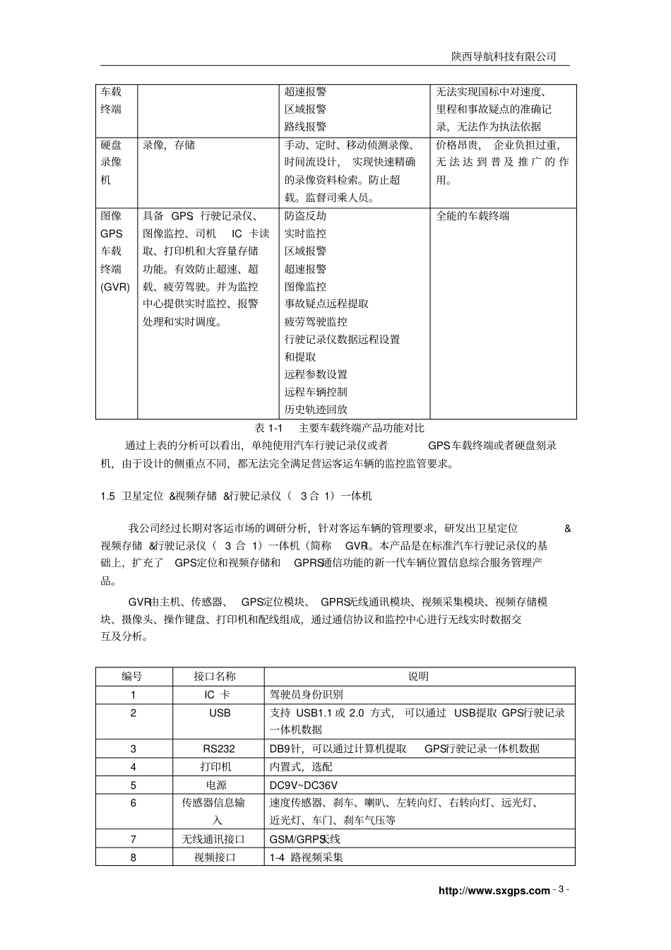
陕西导航科技有限公司http://www.sxgps.com - 1 - 校车 GPS定位系统解决方案目录1 概述 ................................................................... - 2 - 1.1 引言 ............................................................. - 2 - 1.2 项目意义 ......................................................... - 2 - 1.3 国内客运车辆监控设备的研究....................................... - 2 - 1.4 国内客运车辆监控设备价格的调研...................... 错误!未定义书签。1.5 卫星定位 &视频存储 &行驶记录仪( 3 合 1)一体机...................... - 3 - 2 系统建设目标........................................................... - 4 - 2.1 建设目标 ......................................................... - 4 - 2.2 建设原则 ......................................................... - 5 - 2.3 技术路线 ......................................................... - 5 - 3 系统构成 ............................................................... - 6 - 3.1 系统组成 ......................................................... - 6 - 3.2 中心监控管理平台................................................. - 7 - 3.3 监管中心监控管理终端............................................. - 7 - 3.4 远程用户监控管理终端............................................. - 7 - 4 系统设计方案........................................................... - 7 - 4.1 系统设计要求..................................................... - 7 - 4.1.1系统的可用性............................................... - 8 - 4.1.2系统的可扩展性............................................. - 8 - 4.1.3系统的可开发性............................................. - 8 - 4.1.4系统的开放性............................................... - 8 - 4.1.5系统的高安全性............................................. - 8 - 4.1.6系统的高可靠性............................................. - 9 - 4.1.7系统的标准性.......................................

1、当您付费下载文档后,您只拥有了使用权限,并不意味着购买了版权,文档只能用于自身使用,不得用于其他商业用途(如 [转卖]进行直接盈利或[编辑后售卖]进行间接盈利)。
2、本站所有内容均由合作方或网友上传,本站不对文档的完整性、权威性及其观点立场正确性做任何保证或承诺!文档内容仅供研究参考,付费前请自行鉴别。
3、如文档内容存在违规,或者侵犯商业秘密、侵犯著作权等,请点击“违规举报”。

碎片内容

校车GPS定位系统解决方案解读

确认删除?
VIP
微信客服
  • 扫码咨询
会员Q群
  • 会员专属群点击这里加入QQ群
客服邮箱
回到顶部