电脑桌面
添加小米粒文库到电脑桌面
安装后可以在桌面快捷访问

LVDS接口详解VIP免费

LVDS接口详解_第1页
1/13
LVDS接口详解_第2页
2/13
LVDS接口详解_第3页
3/13
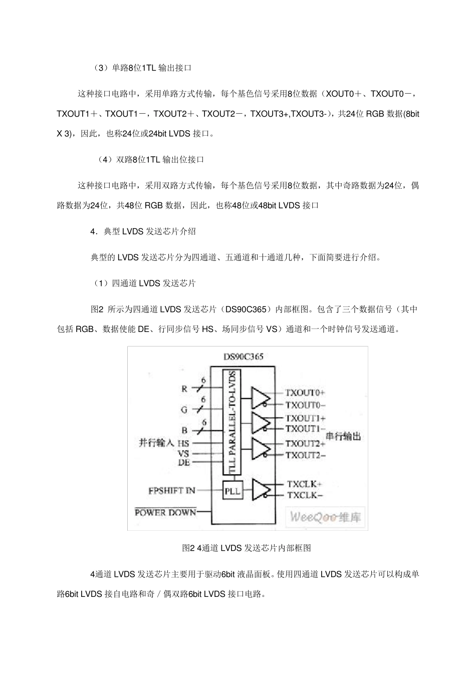
1.LVDS 输出接口概述 液晶显示器驱动板输出的数字信号中,除了包括RGB 数据信号外,还包括行同步、场同步、像素时钟等信号,其中像素时钟信号的最高频率可超过28MHz。采用 TTL 接口,数据传输速率不高,传输距离较短,且抗电磁干扰(EMI)能力也比较差,会对 RGB 数据造成一定的影响;另外,TTL多路数据信号采用排线的方式来传送,整个排线数量达几十路,不但连接不便,而且不适合超薄化的趋势。采用 LVDS 输出接口传输数据,可以使这些问题迎刃而解,实现数据的高速率、低噪声、远距离、高准确度的传输。 那么,什么是 LVDS 输出接口呢?LVDS,即Low Voltage Differential Signaling,是一种低压差分信号技术接口。它是美国NS 公司(美国国家半导体公司)为克服以 TTL 电平方式传输宽带高码率数据时功耗大、EMI 电磁干扰大等缺点而研制的一种数字视频信号传输方式。 LVDS 输出接口利用非常 低的电压摆 幅 (约 350mV)在 两 条 PCB 走 线或 一对平衡 电缆 上 通过差分进 行数据的传输,即低压差分信号传输。采用 LVDS 输出接口,可以使得 信号在 差分PCB 线或 平衡 电缆 上 以几百 Mbit/ s 的速率传输,由 于 采用低压和 低电流 驱动方式,因 此 ,实现了低噪声和 低功耗。目 前 ,LVDS 输出接口在 17in 及 以上 液晶显示器中得 到 了广 泛 的应 用。 2.LVDS 接口电路的组 成 在 液晶显示器中,LVDS 接口电路包括两 部 分,即驱动板侧 的LVDS 输出接口电路(LVDS 发送器)和 液晶面 板侧 的LVDS 输入 接口电路(LVDS 接收 器)。LVDS 发 送器将 驱动板主 控 芯 片 输出的17L 电平并 行RGB 数据信号和 控 制信号转 换 成低电压串 行LVDS 信号,然 后 通 过驱动板与 液晶面板之 间 的柔 性 电缆 (排线)将 信号传送到 液晶面 板侧 的LVDS 接收 器,LVDS 接收 器再 将 串 行信号转 换 为TTL 电平的并 行信号,送往 液晶屏 时序 控 制与 行列 驱动电路。图 1所 示为LVDS 接口电路的组 成示意 图 。 图1 LVDS 接口电路的组成示意图 在数据传输过程中,还必须有时钟信号的参与,LVDS 接口无论传输数据还是传输时钟,都采用差分信号对的形式进行传输。所谓信号对,是指LVDS 接口电路中,每一个数据传输通道或时钟传输通道的输出都为两个信号(正输出端和负输出端)。 需要说明的是,不同的液晶显...

1、当您付费下载文档后,您只拥有了使用权限,并不意味着购买了版权,文档只能用于自身使用,不得用于其他商业用途(如 [转卖]进行直接盈利或[编辑后售卖]进行间接盈利)。
2、本站所有内容均由合作方或网友上传,本站不对文档的完整性、权威性及其观点立场正确性做任何保证或承诺!文档内容仅供研究参考,付费前请自行鉴别。
3、如文档内容存在违规,或者侵犯商业秘密、侵犯著作权等,请点击“违规举报”。

碎片内容

LVDS接口详解

您可能关注的文档

确认删除?
VIP
微信客服
  • 扫码咨询
会员Q群
  • 会员专属群点击这里加入QQ群
客服邮箱
回到顶部