电脑桌面
添加小米粒文库到电脑桌面
安装后可以在桌面快捷访问

MicroChip单片机知识要点VIP专享VIP免费

MicroChip单片机知识要点_第1页
1/6
MicroChip单片机知识要点_第2页
2/6
MicroChip单片机知识要点_第3页
3/6
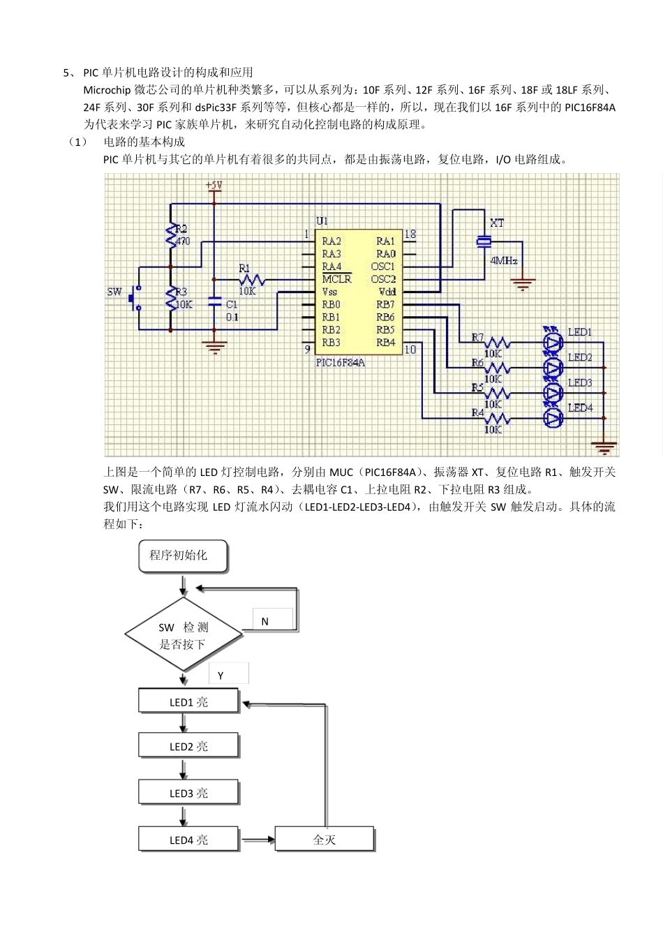
单片机知识要点 1、 概念: 单片机(Single chip microcomputer)亦称单片微电脑或单片微型计算机,国际上统称为微控制器(microcontrollor, MCU, μ C),就是把中央处理器 CPU、随机存取存储器 RAM、只读存储器 ROM、输入/输出端口 I/O 等主要的计算机功能部件,都集成在一块集成电路芯片上,从而形成一部完整的微型计算机,就称其为单片机。目前市场做单片机的产家很多,如 ATMEL,Microchip,Cypress,AMD,Intel,STC,HOLTEK等等。 2、 结构: 一般的单片机内部结构如下图: 以上为简单的结构图,对应关系是:CPU 包含控制器和运算器;ROM 和 RAM 对应着存储器,前者存放程序,后者存放数据;I/O 则对应着输入设备和输出设备,用总线(BUS)实现各模块之间的信息传递。ROM和 RAM 存储器容量可多可少,但 CPU 只有一个,另外,为了提高单片机的性能和扩展单片机的用途,厂家通常将一些不同功能的专用模块也集成到单片机芯片内部当中来,比如定时器模块、数模转换模块、串行端口模块等等,同时,习惯于把这些模块与I/O 端口模块一起统称为外围模块。 3、 单片机应用介绍: (1) 电信:电话机、无绳电话、投币电话机、无线对讲机、传真机、来电显示器(caller ID)等; (2) 家用电器:智能电视、电磁炉、DVD、卫星电视接收机,音响、空调、各种报警器等; (3) 计算机外围设备:键盘、打印机、Modem、无线网卡等; (4) 办公自动化:复印机、智能打字机、PDA 等; (5) 工业控制:数控机床、智能机器人、电机控制、过程控制、温度控制、智能传感技术等; (6) 商用电子:自动售货机、电子收款机、电子秤、IC 卡等; (7) 玩具:袖珍游戏机、电子宠物、遥控玩具等; (8) 仪器仪表:用于医疗、化工、电子、计量等各种智能仪器仪表; (9) 汽车电子:点火控制、变速控制、防滑控制、防撞控制、排气控制、GPS 等; (10) 军用电子:各种导弹和鱼雷的精确制导控制、智能武器、雷达系统等。 4、 PIC 单片机的特点: PIC 是美国 Microchip 公司生产的单片机系列产品型号的前缀,PIC 系列单片机的硬件系统设计简洁,指令系统设计精炼,在所有单片机品种中是最容易学习、最容易应用的单片机品种之一。 PIC 单片机相比其它品种单片机有以下优点: (1) 哈佛总线结构: 其设计异同于其它单片机之处是:不仅采用了哈佛体系结构,而且还采用了哈佛总线结构,在芯片内部将数...

1、当您付费下载文档后,您只拥有了使用权限,并不意味着购买了版权,文档只能用于自身使用,不得用于其他商业用途(如 [转卖]进行直接盈利或[编辑后售卖]进行间接盈利)。
2、本站所有内容均由合作方或网友上传,本站不对文档的完整性、权威性及其观点立场正确性做任何保证或承诺!文档内容仅供研究参考,付费前请自行鉴别。
3、如文档内容存在违规,或者侵犯商业秘密、侵犯著作权等,请点击“违规举报”。

碎片内容

MicroChip单片机知识要点

确认删除?
VIP
微信客服
  • 扫码咨询
会员Q群
  • 会员专属群点击这里加入QQ群
客服邮箱
回到顶部