电脑桌面
添加小米粒文库到电脑桌面
安装后可以在桌面快捷访问

楼梯设计步骤例题VIP免费

楼梯设计步骤例题_第1页
1/6
楼梯设计步骤例题_第2页
2/6
楼梯设计步骤例题_第3页
3/6
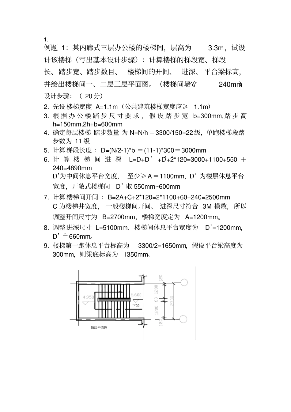
1.例题 1:某内廊式三层办公楼的楼梯间,层高为3.3m,试设计该楼梯(写出基本设计步骤):计算楼梯的梯段宽、梯段长、踏步宽、踏步数目、 楼梯间的开间、 进深、 平台梁标高,并绘出楼梯间一、二层三层平面图。(楼梯间墙宽240mm)设计步骤:( 20 分)2. 先设楼梯宽度 A=1.1m(公共建筑楼梯宽度应≥1.1m)3. 根 据 办 公 楼 踏 步 尺 寸 要 求 , 假 设 踏 步 宽b=300mm,踏 步 高h=150mm,2h+b=600mm 4. 确定每层楼梯 踏步数量 为 N=N/h=3300/150=22 级,单跑楼梯段踏步数为 11 级5. 计算梯段长度 :D=(N/2-1)*b =(11-1)*300=3000mm 6. 计 算 楼 梯 间 进 深L=D+D ’+D’’+2*120=3000+1100+550 +240=4890mm D’为中间休息平台宽度, 至少≥ A=1100mm,D’’为楼层休息平台宽度,开敞式楼梯间D’’取 550mm~600mm 7. 计算楼梯间开间 :B=2A+C+2*120=2*1100+60+240=2500mm C 为楼梯井宽度, 一般楼梯间开间、 进深尺寸符合 3M 模数,所以调整开间尺寸为 B=2700mm,楼梯宽度定为A=1200mm。8. 调整进深尺寸 L=5100mm,楼梯间休息平台宽度为D’=1200mm,D’’=660mm。9. 楼梯第一跑休息平台标高为3300/2=1650mm,假设平台梁高度为300mm,则梁底标高为1350mm。下22顶层平面图例题 2:已知:某住宅双跑楼梯,层高 3m。室内地面标高为0.000,室外设计地坪标高为-0.450,楼梯段净宽1.1m,楼梯间进深 5.4m。楼梯间墙厚240mm ,忽略平台梁高度和楼板厚度。现要求在 一层平台下过人,请写出调整方法和具体步骤,并画出调整后的楼梯建筑剖面图,绘制到二层楼面高度即可,并标注尺寸和标高。解:楼梯性质为住宅楼梯,且层高3m,设踏步高 h=150mm,踏步宽 b=300mm。按双跑楼梯一层平台下不过人考虑,此时梯段水平投影长度为9*300=2700mm。一层平台处标高为1.500,即平台下净高为1500mm,不能满足 2m的净高要求。由于室内外高差和楼梯间进深的限制,故采用适当降低入口处室内地面并同时加长第一跑梯段结合的方法来调整:1、将入口处室内地面降低两个踏步,标高变为--0.300,此时室内外高差 150mm。2、同时将第一跑梯段增加两个踏步,但总踏步数不变,从一层至二层仍为 20 个踏步,第一层休息平台高度调整为1.8m。3、调整后一层平台下净高为1800+300=2100mm,第一跑梯段水平投影长度为 11*300=3300mm。4、绘图(中间休息平台净宽大于等于1100mm。)图略作业 1、三层住宅楼梯间...

1、当您付费下载文档后,您只拥有了使用权限,并不意味着购买了版权,文档只能用于自身使用,不得用于其他商业用途(如 [转卖]进行直接盈利或[编辑后售卖]进行间接盈利)。
2、本站所有内容均由合作方或网友上传,本站不对文档的完整性、权威性及其观点立场正确性做任何保证或承诺!文档内容仅供研究参考,付费前请自行鉴别。
3、如文档内容存在违规,或者侵犯商业秘密、侵犯著作权等,请点击“违规举报”。

碎片内容

楼梯设计步骤例题

您可能关注的文档

确认删除?
VIP
微信客服
  • 扫码咨询
会员Q群
  • 会员专属群点击这里加入QQ群
客服邮箱
回到顶部