电脑桌面
添加小米粒文库到电脑桌面
安装后可以在桌面快捷访问

正压式氧气呼吸器说明书资料VIP免费

正压式氧气呼吸器说明书资料_第1页
1/17
正压式氧气呼吸器说明书资料_第2页
2/17
正压式氧气呼吸器说明书资料_第3页
3/17
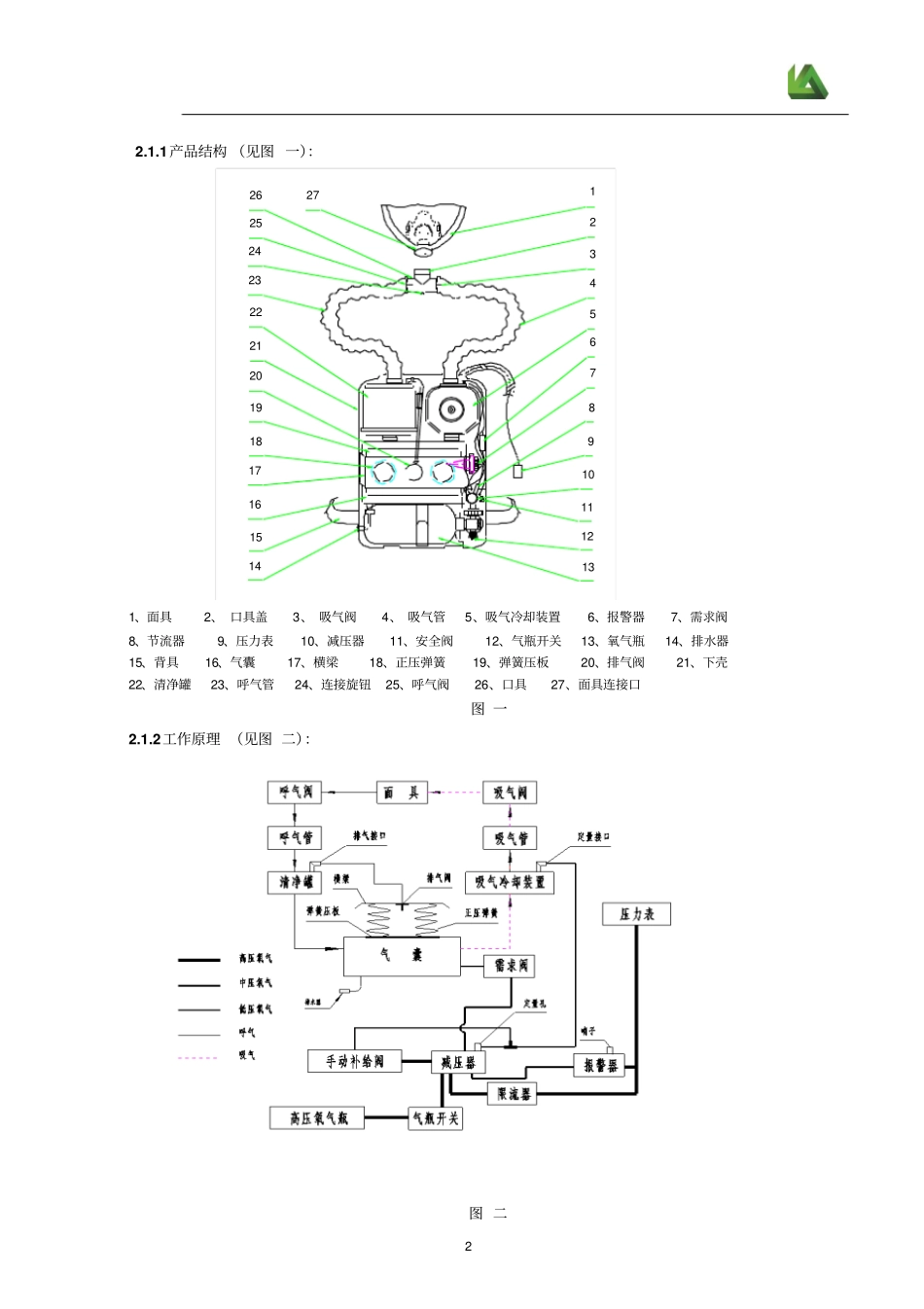
1 1.概述1.1 产品特点:HYZ 4 型正压式消防氧气呼吸器是最新研制开发的产品。他充分吸收了国内外先进技术特点, 并结合我国煤矿现状,在产品结构设计上突出体现了体积小、重量轻、性能可靠、佩带舒适、使用维护方便等优点。从而,更加适合于在井下巷道窄小环境中救护队员实际使用的需要。1.2 主要用途及适用范围:主要适用于煤矿、化工、隧道、和高层建筑等在有毒、有害气体、缺氧的灾害环境抢险救灾、搜索探查工作中佩带使用。1.3 型号的组成及其代表意义:H Y Z 4 4 小时Y 为氧气H 为呼吸器1.4 使用环境条件:——大气压力: (70~125)kPa;——相对湿度:0~100%;——温度: -20℃~60℃1.5 工作条件:a、对 HYZ4 型正压式消防氧气呼吸器(以下简称呼吸器)应严格按《煤矿救护规程》、《氧气充填安全技术要求》 、《矿山救护队管理办法》进行管理和使用。b、劳动强度:中等,防护时间4h;重度,防护时间1h。c、高压氧气瓶要用专用氧气充填泵充填,重新充填的氧气应符合GB8982 — 1998《医用氧》的规定,气瓶充填压力:(18~20)MPa。d、清净罐中新更换的二氧化碳吸收剂应符合MT454 — 1995《压缩氧呼吸器和压缩氧自救器用二氧化碳吸收剂—氢氧化钙技术条件》的规定。e、吸气冷却装置内应装满冰。1.6 安全:a、清净罐内装有氢氧化钙的呼吸器,其系统必须密闭。否则,由于吸收剂的失效,将会导致二氧化碳中毒事故。b、清净罐内所填装的氢氧化钙须经检验合格的产品,未使用时间不得超过三个月。若超过规定期限,在使用中会出现二氧化碳中毒事故。c、清净罐使用一次后必须重新填装氢氧化钙。即使佩带时间很短,仍必须更换新的氢氧化钙。d、严禁在 -20℃以下以及60℃以上的环境中使用。否则,将会损害呼吸器性能,而导致人身事故的发生。e、严禁压力超过0.05MPa(表压)的环境中使用呼吸器。否则,在高气压情况下可能导致氧中毒事故。f、 在氧气瓶充装以及其它操作环节中,严禁接触明火或被油脂污染。否则, 将会导致燃烧等事故。2.结构特征与工作原理2.1 总体结构及其工作原理、工作特征:2 2.1.1产品结构 (见图 一):1、面具2、 口具盖3、 吸气阀4、 吸气管5、吸气冷却装置6、报警器7、需求阀8、节流器9、压力表10、减压器11、安全阀12、气瓶开关13、氧气瓶14、排水器15、背具16、气囊17、横梁18、正压弹簧19、弹簧压板20、排气阀21、下壳22、清净罐23、呼气管24、连接旋钮25、呼气阀26、口具27、面具连接...

1、当您付费下载文档后,您只拥有了使用权限,并不意味着购买了版权,文档只能用于自身使用,不得用于其他商业用途(如 [转卖]进行直接盈利或[编辑后售卖]进行间接盈利)。
2、本站所有内容均由合作方或网友上传,本站不对文档的完整性、权威性及其观点立场正确性做任何保证或承诺!文档内容仅供研究参考,付费前请自行鉴别。
3、如文档内容存在违规,或者侵犯商业秘密、侵犯著作权等,请点击“违规举报”。

碎片内容

正压式氧气呼吸器说明书资料

确认删除?
VIP
微信客服
  • 扫码咨询
会员Q群
  • 会员专属群点击这里加入QQ群
客服邮箱
回到顶部