电脑桌面
添加小米粒文库到电脑桌面
安装后可以在桌面快捷访问

msc1210VIP专享VIP免费

msc1210_第1页
1/13
msc1210_第2页
2/13
msc1210_第3页
3/13
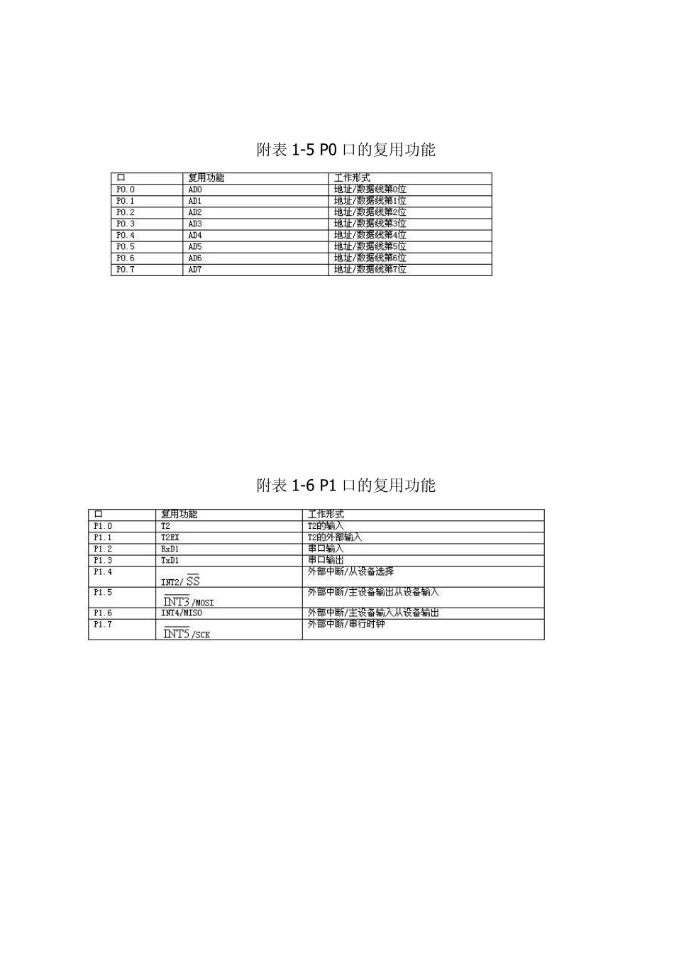
高性能SoC 模拟信号处理单片机MSC1210 的原理与开发应用 MSC1210 管脚的名称和功能与传统的8052 单片机中的是一样的,但MSC1210添加了一些管脚,用来支持其特殊的功能。图 1-2 所示为 MSC1210 管脚排列和封装图。表 1-1 给出了引脚功能的定义。 表 1-1 MSC1210Yx 的引脚功能定义 表1-2 P3 口的复用功能 附表1-3 P2 口的复用功能 附表1-4 由ALE 与 引脚确定的编程模式 附表1-5 P0 口的复用功能 附表1-6 P1 口的复用功能 图1-2 MSC1210 管脚排列和封装图 1.2.1 I/O 口 (P0, P1, P2, 和 P3) MSC1210 有64 个管脚,其中32 个用来连I/O 口,I/O 口与专用寄存器的P0,P1,P2 和P3 有一一对应关系。开发者可以通过对专用寄存器中的相应位置 1和置 0 来增加和减少这些 I/O 口。同样地,通过读出专用寄存器中的相应位可以知道这些口线的当前状态。 所有的口都有可选择的上拉电阻,当口在专用寄存器 PxDDRL/H 中配置成8051 模式时,使能上拉电阻。当口被配置为其他模式或访问外部存储器时,上拉电阻不可用。 1. P0 口 P0 口有两个功能:在某些设计中,开发者用 P0 口访问外部设备,但在其他设计中,它用于访问外部存储器。当电路使用外部 RAM 时,只要硬件配置寄存器设置正确,微控制器就会用 P0 口锁定输入/输出 8 位的数据字,也包括 MOVX指令中的地址低八位。只要在同一时刻外部数据寄存器没有被访问并且硬件配置寄存器设置正确,P0 口就可以用于其他的功能。如果电路使用外部程序存储器,微控制器通过 P0 访问每条将被执行的指令。这样,P0 不能做它用,因为 I/O 口状态一直在访问外部程序存储器。 2. P1 口 P1 口包括 8 路 I/O 口,它们作为与外部连接的接口。P1 口常用于与外部硬件(象 LED,键盘和其他的设备)连接的接口。与标准的8052内核相比,MSC1210的所有 I/O 口提供可选择的替代功能,描述如下。如果不需要用下面的功能,那么 I/O 口还可以用于其他用途。 P1.0 (T2): 如果专用寄存器(Special Function Regester,SFR)T2CON.1被置 1,使能计数/定时器 2( ,以下简称定时器 2),当此管脚上的由 1 到0 的跳变时将使定时器 2 数值改变。即当 使能,P1.0 成为定时器 2 的时钟脉冲源。 P1.1 (T2EX):如果定时器 2 处于自动重置模式,并且 T2CON.3 (EXEN2)使能,管脚的由 1 到 0 的跳变,会将自动重置模式...

1、当您付费下载文档后,您只拥有了使用权限,并不意味着购买了版权,文档只能用于自身使用,不得用于其他商业用途(如 [转卖]进行直接盈利或[编辑后售卖]进行间接盈利)。
2、本站所有内容均由合作方或网友上传,本站不对文档的完整性、权威性及其观点立场正确性做任何保证或承诺!文档内容仅供研究参考,付费前请自行鉴别。
3、如文档内容存在违规,或者侵犯商业秘密、侵犯著作权等,请点击“违规举报”。

碎片内容

确认删除?
VIP
微信客服
  • 扫码咨询
会员Q群
  • 会员专属群点击这里加入QQ群
客服邮箱
回到顶部