电脑桌面
添加小米粒文库到电脑桌面
安装后可以在桌面快捷访问

XC6206全系列LDO稳压ICVIP免费

XC6206全系列LDO稳压IC_第1页
1/16
XC6206全系列LDO稳压IC_第2页
2/16
XC6206全系列LDO稳压IC_第3页
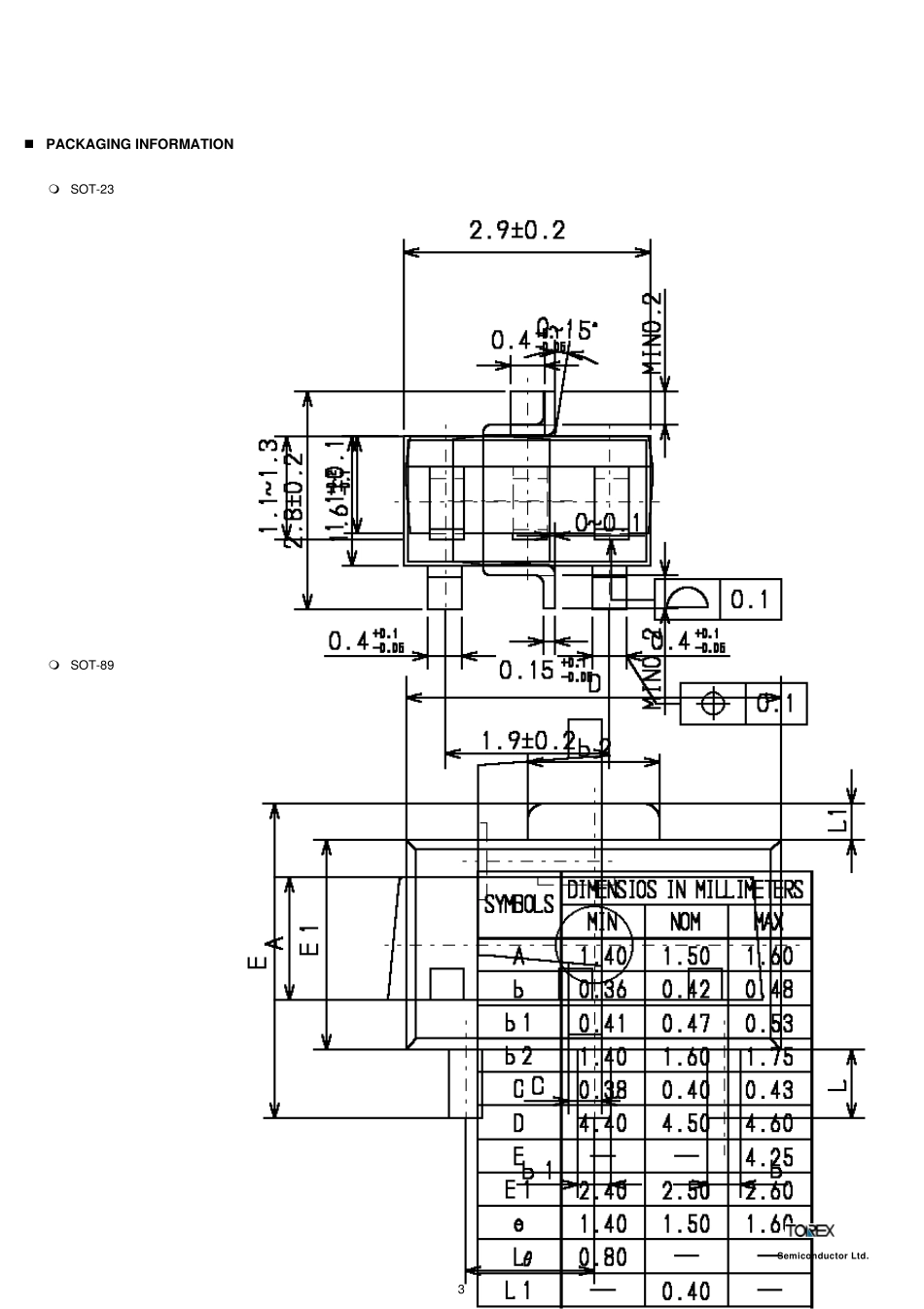
3/16
! APPLICATIONS!CMOS Low Power Consumption" Battery powered equipment!Dropout Voltage : 160mV @ 100mA" Reference voltage sources : 400mV @ 200mA" Cameras, Video cameras!Output Current : more than 250mA (5.0V type) " Portable AV systems!Highly Accurate : ± 2% " Mobile phones!Output Voltage Range : 1.2V to 5.0V" Communication tools!Current Limiter Circuit Built-In" Portable games!Low ESR Capacitor can be used ! GENERAL DESCRIPTION! FEATURESMaximum Output Current 250mA (5.0V type)Dropout Voltage160mV @ 100mA (5.0V type)Maximum Operating Voltage6.0VOutput Voltage Range1.2V to 5.0V (selectable in 100mV steps)Highly Accurate± 2% Low Power Consumption1.0µA (TYP.)Operational Temperature Range-40OC ~ 85OCUltra Small Packages SOT-23 (250mW), SOT-89 (500mW)Low ESR capacitor ceramic compatible ! TYPICAL APPLICATION CIRCUIT! TYPICAL PERFORMANCE CHARACTERISTICSThe XC6206 series are precise, low power consumption, highvoltage, positive voltage regulators manufactured usingCMOS and laser trimming technologies. The series provideslarge currents with a significantly small dropout voltage.The XC6206 consists of a current limiter circuit, a drivertransistor, a precision reference voltage and an errorcorrection circuit.The series is compatible with low ESR ceramic capacitors.The current limiter's foldback circuit also operates as a shortprotect for the output current limiter and the output pin.Output voltage can be set internally by laser trimmingtechnologies. It is selectable in 100mV increments within arange of 1.2V to 5.0V.SOT-23 (250mW) and SOT-89 (500mW) packages areavailable.00.30.60.91.21.53456Input Voltage VIN (V)Supply Current IDD (µA)XC6206P302Topr=85OC25OC40OCSemiconductor Ltd.SOT-23 (TOP VIEW)1231.0uF (ceramic)CIN1.0uF (ceramic)CLVOUTVSSVIN1 ! PIN CONFIG...

1、当您付费下载文档后,您只拥有了使用权限,并不意味着购买了版权,文档只能用于自身使用,不得用于其他商业用途(如 [转卖]进行直接盈利或[编辑后售卖]进行间接盈利)。
2、本站所有内容均由合作方或网友上传,本站不对文档的完整性、权威性及其观点立场正确性做任何保证或承诺!文档内容仅供研究参考,付费前请自行鉴别。
3、如文档内容存在违规,或者侵犯商业秘密、侵犯著作权等,请点击“违规举报”。

碎片内容

XC6206全系列LDO稳压IC

您可能关注的文档

确认删除?
VIP
微信客服
  • 扫码咨询
会员Q群
  • 会员专属群点击这里加入QQ群
客服邮箱
回到顶部