电脑桌面
添加小米粒文库到电脑桌面
安装后可以在桌面快捷访问

YJK门式刚架设计VIP免费

YJK门式刚架设计_第1页
1/20
YJK门式刚架设计_第2页
2/20
YJK门式刚架设计_第3页
3/20
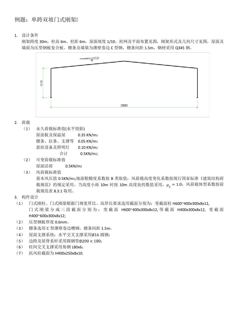
YJK 门式刚架设计 用户例题展示: 例题:单跨双坡门式刚架 1. 设计条件 刚架跨度30m,柱高6m,柱距6m,屋面坡度1/10,柱网及平面布置见图,刚架形式及几何尺寸见图,屋面及墙面为压型钢板复合板。檩条及墙梁为薄壁卷边C 型钢,檩条间距1.5m,钢材采用Q345 钢。 2. 荷载 (1) 永久荷载标准值(水平投影) 屋面板及保温屋 0.35 KN/m2 檩条、拉条、支撑等 0.05 KN/m2 悬挂设备及照明灯 0.10 KN/m2 合计 0.5KN/m2; (2) 可变荷载标准值 屋面活荷 0.5KN/m2 (3) 风荷载标准值 基本风压值0.5KN/m2;地面粗糙度系数按 B 类取值;风荷载高度变化系数按现行国家标准《建筑结构荷载规范》的规定采用。当高度小雨 10m 时按 10m 高度处的数值采用,ᵰ2 = 1.0;风荷载体型系数按荷载规范表 8.3.1 取用。 3. 构件设计 (1) 门式刚柱、门式刚梁根据门规宽厚比、高厚比要求选用截面分别为:变截面柱H600~400x300x8x12, 门式刚梁分 成 三 段 截 面分 别 为:变 截 面H600~400x300x8x12, 等 截 面H400x300x8x12, 变 截 面H400~600x300x8x12; (2) 压型钢板厚度0.6mm。 (3) 檩条选用C 型薄壁卷边槽钢,檩条间距1.5m, (4) 屋面支撑系统:水平交叉支撑采用∅16 圆钢; (5) 边跨及屋脊系杆采用圆钢管∅200 × 180; (6) 柱间交叉支撑采用角钢L80x6; (7) 抗风柱截面为H400x250x8x10. 一:建模型 采用普通建模方式 1:布置网格 2:布置门式刚柱、门式刚梁 (1)变截面边柱要根据柱外皮位置来定义垂直边 (2)由于工业建筑边柱的定位轴线宜取柱外皮,可以填写偏轴偏心来实现,并在支撑布置以及边跨系杆布置时也要考虑偏心; 也可以不考虑柱偏心避免建模的繁琐,使两边跨轴线向屋脊线各移动H(小头)/2,轴线跨度减小400 即可。 如下轴线网格: 3:布置柱间支撑及抗风柱 4:布置屋面系杆、交叉支撑 5:点高找坡 使用三点点高时首先要选择三点来确定一个面,然后选择在这个面上的构件。 坡度 1/10 屋脊应抬高 1.5m ; 6 . 轴线命令 7.楼层组装 8.在本层信息中修改钢构件材质 二:楼板布置 1.生成楼板 2.修改板厚: 由于门式刚架屋面板为压型钢板很薄对主刚架的刚度贡献极小可忽略,此时可修改板厚为 0 ; 三:荷载输入 1. 输入楼板荷载 根据《门刚规程》3.2.5-1 屋面均布活荷载不与雪荷载同时考虑,应取两者中的较大值。 2. 导荷方式: 对于...

1、当您付费下载文档后,您只拥有了使用权限,并不意味着购买了版权,文档只能用于自身使用,不得用于其他商业用途(如 [转卖]进行直接盈利或[编辑后售卖]进行间接盈利)。
2、本站所有内容均由合作方或网友上传,本站不对文档的完整性、权威性及其观点立场正确性做任何保证或承诺!文档内容仅供研究参考,付费前请自行鉴别。
3、如文档内容存在违规,或者侵犯商业秘密、侵犯著作权等,请点击“违规举报”。

碎片内容

YJK门式刚架设计

确认删除?
VIP
微信客服
  • 扫码咨询
会员Q群
  • 会员专属群点击这里加入QQ群
客服邮箱
回到顶部