电脑桌面
添加小米粒文库到电脑桌面
安装后可以在桌面快捷访问

y系列电机绕组数据VIP免费

y系列电机绕组数据_第1页
1/14
y系列电机绕组数据_第2页
2/14
y系列电机绕组数据_第3页
3/14
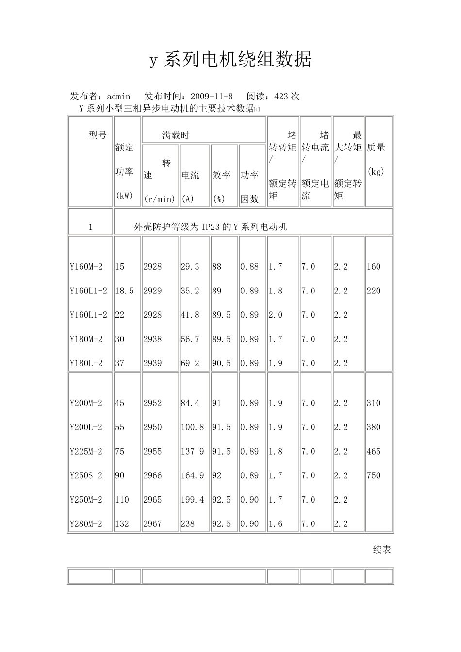
y 系列电机绕组数据 发布者:admin 发布时间:2009-11-8 阅读:423 次 Y 系列小型三相异步电动机的主要技术数据[1] 型号 额定 功率 (kW) 满载时 堵转转矩/ 额定转矩 堵转电流/ 额定电流 最大转矩/ 额定转矩 质量 (kg) 转速 (r/min) 电流 (A) 效率 (%) 功率 因数 1 外壳防护等级为 IP23 的 Y 系列电动机 Y160M-2 Y160L1-2 Y160L1-2 Y180M-2 Y180L-2 15 18.5 22 30 37 2928 2929 2928 2938 2939 29.3 35.2 41.8 56.7 69 2 88 89 89.5 89.5 90.5 0.88 0.89 0.89 0.89 0.89 1.7 1.8 2.0 1.7 1.9 7.0 7.0 7.0 7.0 7.0 2.2 2.2 2.2 2.2 2.2 160 220 Y200M-2 Y200L-2 Y225M-2 Y250S-2 Y250M-2 Y280M-2 45 55 75 90 110 132 2952 2950 2955 2966 2965 2967 84.4 100.8 137 9 164.9 199.4 238 91 91.5 91.5 92 92.5 92.5 0.89 0.89 0.89 0.89 0.90 0.90 1.9 1.9 1.8 1.7 1.7 1.6 7.0 7.0 7.0 7.0 7.0 7.0 2.2 2.2 2.2 2.2 2.2 2.2 310 380 465 750 续表 型 号 额定 功率 (kW) 满载时 堵转转矩/ 额定转矩 堵转电流/ 额定电流 最大转矩/ 额定转矩 质量 (kg) 转速 (r/min) 电流 (A) 效率 (%) 功率 因数 Y160M-4 Y160L1-4 Y160L2-4 Y180M-4 Y186L-4 Y200M-4 11 15 18.5 22 30 37 1459 1458 1458 1467 1467 1437 22.4 29.9 36.5 43.2 57.9 71.1 87.5 88 89 89.5 90.5 90.5 0.85 0.86 0.86 0.86 0.87 0.87 1.9 2.0 2.0 1.9 1.9 2.0 7.0 7.0 7.0 7.0 7.0 7.0 2.2 2.2 2.2 2.2 2.2 2.2 160 230 Y200L-4 Y225M-4 Y250S-4 Y250M-4 Y280S-4 Y280M-4 45 55 75 90 110 132 1473 1476 1480 1480 1482 1483 85.5 103.6 140.1 167.2 202.4 241.3 91 91.5 92 92.5 92.5 93 0.87 0.88 0.88 0.88 0.88 0.88 2.0 1.8 2.0 2.2 1.7 1.8 7.0 7.0 7.0 7.0 7.0 7.0 2.2 2.2 2.2 2.2 2.2 2.2 310 380 490 820 Y160M-6 Y180L-6 Y180M-6 Y180L-6 Y200M-6 7.5 11 15 18.5 22 971 971 974 975 978 16.7 23.9 31 37.8 43.7 85 86.5 88 88.5 89 0.79 0.78 0.81 0.83 0.85 2.0 2.0 1.8 1.8 1.7 6.5 6.5 6.5 6.5 6.5 2.0 2.0 2.0 2.0 2.0 150 21...

1、当您付费下载文档后,您只拥有了使用权限,并不意味着购买了版权,文档只能用于自身使用,不得用于其他商业用途(如 [转卖]进行直接盈利或[编辑后售卖]进行间接盈利)。
2、本站所有内容均由合作方或网友上传,本站不对文档的完整性、权威性及其观点立场正确性做任何保证或承诺!文档内容仅供研究参考,付费前请自行鉴别。
3、如文档内容存在违规,或者侵犯商业秘密、侵犯著作权等,请点击“违规举报”。

碎片内容

y系列电机绕组数据

您可能关注的文档

小辰2+ 关注
实名认证
内容提供者

出售各种资料和文档

确认删除?
VIP
微信客服
  • 扫码咨询
会员Q群
  • 会员专属群点击这里加入QQ群
客服邮箱
回到顶部