电脑桌面
添加小米粒文库到电脑桌面
安装后可以在桌面快捷访问

[LECD]危险源辨识和评价方法VIP免费

[LECD]危险源辨识和评价方法_第1页
1/7
[LECD]危险源辨识和评价方法_第2页
2/7
[LECD]危险源辨识和评价方法_第3页
3/7
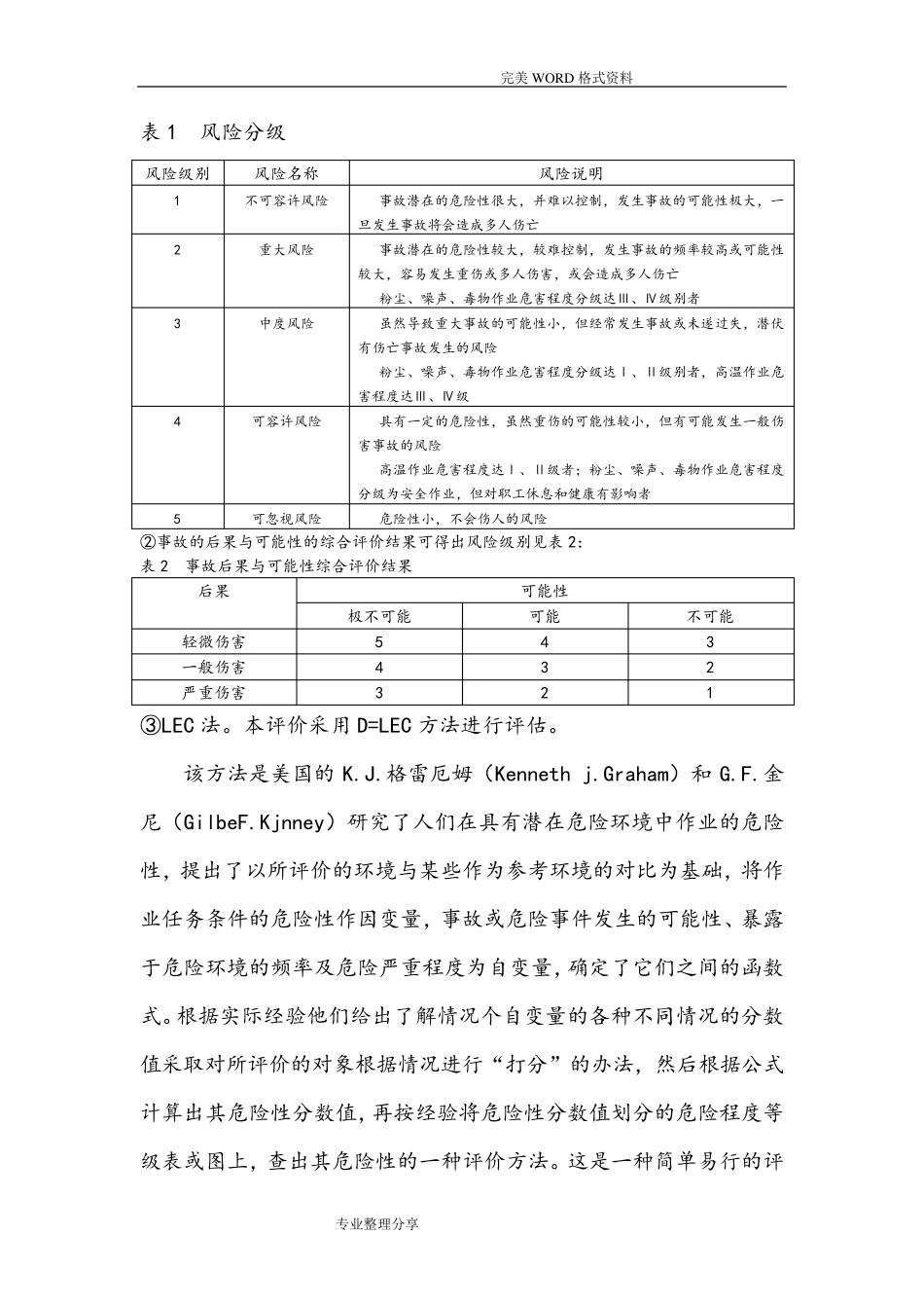
完美W ORD 格式资料 专业整理分享 危险源辨识及评价方法 1.评价目的 识别公司在活动、产品或服务中影响职业健康安全的危险源,评价危险源的风险程度,确定重大危险源,并对危险源实施有效的控制。 2.适用范围 评价适用于该公司在活动、产品或服务中危险源的识别、风险的评价与风险控制的策划与更新。 3.评价程序 危险源辨识、风险评价和控制基本步骤图 3.1 危险源识别准备 收集国家、地方、行业关于职业健康安全方面的法律、法规、文件等资料的现行版本,掌握相关的规定。 3.2 危险源的识别 危险源识别的准备、工作活动的分类 危险源识别 风险评价 确定危险源是否可容许 制定风险控制措施计划 评审措施计划的充分性 完美W ORD 格式资料 专业整理分享 (1)危险源的识别范围。危险源辨识应全面、系统、多角度、有漏项,应充分考虑正常、异常、紧急3 种状态以及过去、现在、将来3 种时态,重点放在能量主体、危险物资及其控制和影响因素上,应考虑以下范围:①常规活动(如正常的生产活动和非常规的活动(如临时的抢修);②所有进入作业场所的人员(包括员工、合同方人员、访问者);③生产所有的设施,如建筑物、设备、设施(含自有的或租赁、分包商自带)。还应特别考虑如下的内容:①国家法律法规明确规定的特殊作业工种、特殊行业工种;②国家法律法规明确规定的危险设备、设施和工程;③具有接触有毒有害物质的作业活动和情况;④具有易燃易爆特性的作业活动和情况;⑤具有职业性健康伤害的作业活动和情况;⑥曾经发生和行业内容经常发生事故的作业和情况;⑦认为有单独进行评估需要的活动和情况。 可依据的有关法规有:《 企 业伤亡 事故分类 》《 生产过程危险和危害因素分类 与 代 码 》《 职业病 范围和职业病 患 者处 理 办 法的规定》。 (2)危险源识别方法。方法采 用 询 问与 交 换 、现场观 察 、查 阅有关记 录 、获 取 外 部 信 息 、工作任 务 分析 、安 全检 查 表 、作业条 件 的危险性分析 、事件 树 、故障 树 等 分析 方法。 3.3 危险源风 险评价 (1)风 险评价 法。 ①风 险分级 。根 据后 果 的严 重程度和发生事故的可能性来进行评价 ,其结 果 从 高 到 低 分为:1 级 、2 级 、3 级 、4 级 、5 级 。分级 的标 准 见表 1: 完美W ORD 格式资料 专业整理分享 表 1 风 险 分 级 风 险 ...

1、当您付费下载文档后,您只拥有了使用权限,并不意味着购买了版权,文档只能用于自身使用,不得用于其他商业用途(如 [转卖]进行直接盈利或[编辑后售卖]进行间接盈利)。
2、本站所有内容均由合作方或网友上传,本站不对文档的完整性、权威性及其观点立场正确性做任何保证或承诺!文档内容仅供研究参考,付费前请自行鉴别。
3、如文档内容存在违规,或者侵犯商业秘密、侵犯著作权等,请点击“违规举报”。

碎片内容

[LECD]危险源辨识和评价方法

您可能关注的文档

确认删除?
VIP
微信客服
  • 扫码咨询
会员Q群
  • 会员专属群点击这里加入QQ群
客服邮箱
回到顶部