电脑桌面
添加小米粒文库到电脑桌面
安装后可以在桌面快捷访问

水工渗流模型试验指导书讲解VIP免费

水工渗流模型试验指导书讲解_第1页
1/10
水工渗流模型试验指导书讲解_第2页
2/10
水工渗流模型试验指导书讲解_第3页
3/10
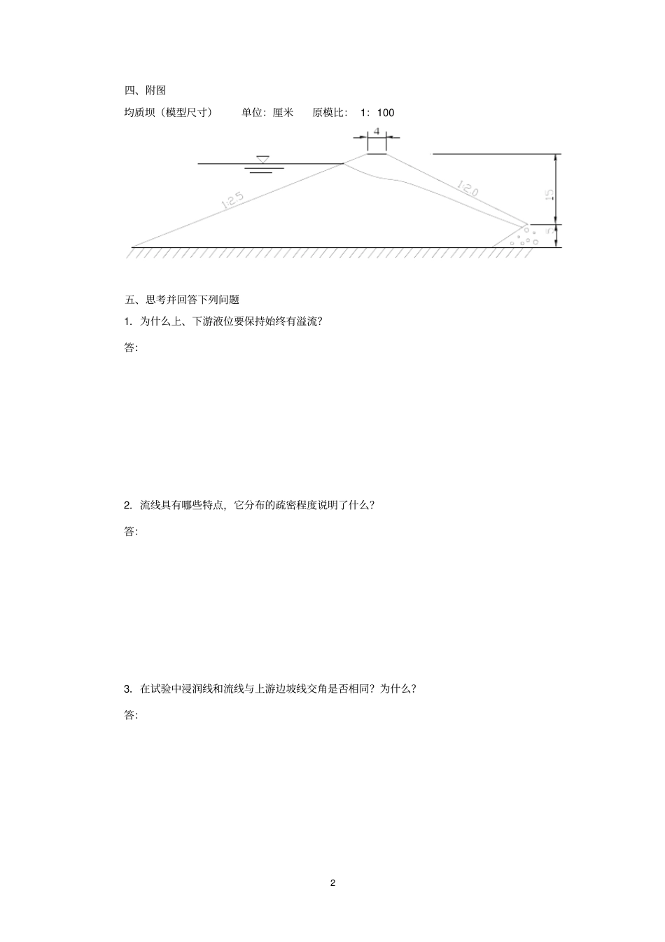
水工建筑渗流实验指导书及报告(水工 13 级)班级:学号:姓名:三峡大学水利与环境学院2016 年 5 月1 土坝渗流缝隙槽模型实验(1)土坝渗流缝隙槽模型实验是利用粘性液体在模型的坝断面与平板间狭窄缝中流动,能很好显示出层流运动特性,来模拟土坝中渗流。一、实验目的1.通过实验,找出土坝浸润线的位置坐标,并与理论计算成果相比较;2.观察水位变化时,浸润线位置的变化情况;3.观察流动的流线状态及其特性,并对层流运动得到进一步的感性认识。二、实验原理粘性液体在狭窄缝隙中流动时,形成层流,且符合达西定律,用此来模拟土基中的渗流,粘性流在缝隙中流动的平均流速为dsdhKVmm式中:mK—缝隙槽的透水系数,决定于缝隙宽度和粘滞性的常数,VgaK m3/2a ——缝隙的半宽;V——液体的运动粘滞系数;g——重力加速度;dh——沿流动方向ds 距离上的水头损失。三、实验步骤实验设备及装置由实验课中讲述。实验步骤如下:1.每人准备一张方格纸,大小为75cm×25cm;2.熟悉实验设备,并做好实验前的分工准备工作;3.用方格纸按比例绘制好与模型相似的土坝模型图,见附图;4.打开电源开关,调节进库液体流量,向缝隙模型槽内充液到固定液位,使上游保持溢流状态,下游也开始溢流时,即形成了稳定的水面;5.将有染色液体的细金属管分别放在坝面的液面高程和其他任一高程上,即可观察出流动的浸润线和流线,此时可将浸润线的坐标记录下来(在正面的有机玻璃板上有方格,计数方格确定坐标) 。2 四、附图均质坝(模型尺寸)单位:厘米原模比: 1:100 五、思考并回答下列问题1.为什么上、下游液位要保持始终有溢流?答:2.流线具有哪些特点,它分布的疏密程度说明了什么?答:3.在试验中浸润线和流线与上游边坡线交角是否相同?为什么?答:3 六、土坝渗流缝隙槽实验成果记录、分析表实验日期:实验坝型:绘出所观察到浸润线和流线,并绘出流网图。上游水位 H 上下游水位 H下等势线总数n= 水头差 Δ H 等势线间隔数n-1 浸润线坐标表序号X 坐标Y 坐标(实验值)序号X 坐标Y 坐标(实验值)序号X 坐标Y 坐标(实验值)4 七、土坝流网图贴在此处5 水闸缝隙槽渗流实验(2)一、实验目的1.进一步认识闸基渗流的特性;2.进一步理解流网的特性,掌握绘制流网的方法。二、实验原理同土坝。三、实验步骤1.做好实验前的准备:每人自备方格纸一张(75cm× 25cm)按分组所指定的方案将闸基模型(见附图)按比例绘于方...

1、当您付费下载文档后,您只拥有了使用权限,并不意味着购买了版权,文档只能用于自身使用,不得用于其他商业用途(如 [转卖]进行直接盈利或[编辑后售卖]进行间接盈利)。
2、本站所有内容均由合作方或网友上传,本站不对文档的完整性、权威性及其观点立场正确性做任何保证或承诺!文档内容仅供研究参考,付费前请自行鉴别。
3、如文档内容存在违规,或者侵犯商业秘密、侵犯著作权等,请点击“违规举报”。

碎片内容

水工渗流模型试验指导书讲解

您可能关注的文档

确认删除?
VIP
微信客服
  • 扫码咨询
会员Q群
  • 会员专属群点击这里加入QQ群
客服邮箱
回到顶部