电脑桌面
添加小米粒文库到电脑桌面
安装后可以在桌面快捷访问

水泥砂浆配合比表VIP免费

水泥砂浆配合比表_第1页
1/3
水泥砂浆配合比表_第2页
2/3
水泥砂浆配合比表_第3页
3/3
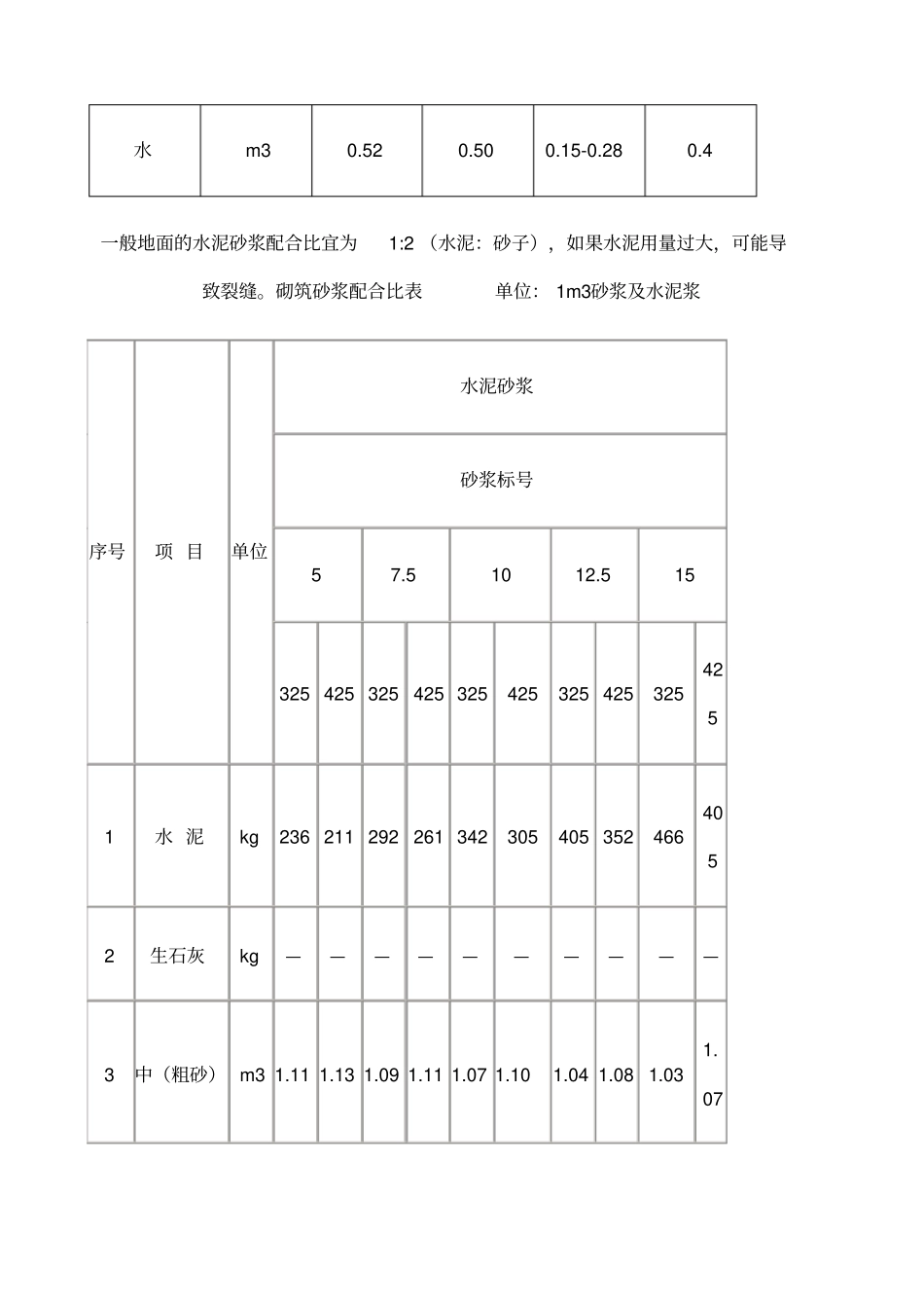
抹灰水泥砂浆配合比表单位: 1m3砂浆及水泥浆材料单位1:1 1: 21: 2.51:332.5Mpa 水泥kg758550485404中砂m30.7601.1001.2001.200水m30.3000.3000.3000.300防水快凝砂浆配合比表材料单位急凝灰浆中凝灰浆急凝砂浆中凝砂浆水泥kg1000100010001000砂m30.690.20-0.282.202.20防水剂kg444045-5820-28水m30.520.500.15-0.280.4一般地面的水泥砂浆配合比宜为1:2 (水泥:砂子),如果水泥用量过大,可能导致裂缝。砌筑砂浆配合比表单位: 1m3砂浆及水泥浆序号项 目单位水泥砂浆砂浆标号5 7.5 10 12.5 15 325 425 325 425 325 425 325 425 325 425 1 水 泥kg 236 211 292 261 342 305 405 352 466 405 2 生石灰kg ——————————3 中(粗砂) m3 1.11 1.13 1.09 1.11 1.07 1.101.04 1.08 1.03 1.07 序号项 目单位水泥砂浆石灰砂浆水泥浆20 25 30 35 40 10 水泥标号325 425 325 425 325 425 425 425 425 1 水 泥kg 525 457 628 522 731 606 675 740 —1,498 2 生石灰kg —————————3 中(粗砂) m3 1.02 1.06 0.98 1.05 0.95 1.03 1.000.97 1.10 —

1、当您付费下载文档后,您只拥有了使用权限,并不意味着购买了版权,文档只能用于自身使用,不得用于其他商业用途(如 [转卖]进行直接盈利或[编辑后售卖]进行间接盈利)。
2、本站所有内容均由合作方或网友上传,本站不对文档的完整性、权威性及其观点立场正确性做任何保证或承诺!文档内容仅供研究参考,付费前请自行鉴别。
3、如文档内容存在违规,或者侵犯商业秘密、侵犯著作权等,请点击“违规举报”。

碎片内容

水泥砂浆配合比表

文库响当当+ 关注
实名认证
内容提供者

该用户很懒,什么也没介绍

确认删除?
VIP
微信客服
  • 扫码咨询
会员Q群
  • 会员专属群点击这里加入QQ群
客服邮箱
回到顶部