电脑桌面
添加小米粒文库到电脑桌面
安装后可以在桌面快捷访问

水泵联轴器找正VIP免费

水泵联轴器找正_第1页
1/10
水泵联轴器找正_第2页
2/10
水泵联轴器找正_第3页
3/10
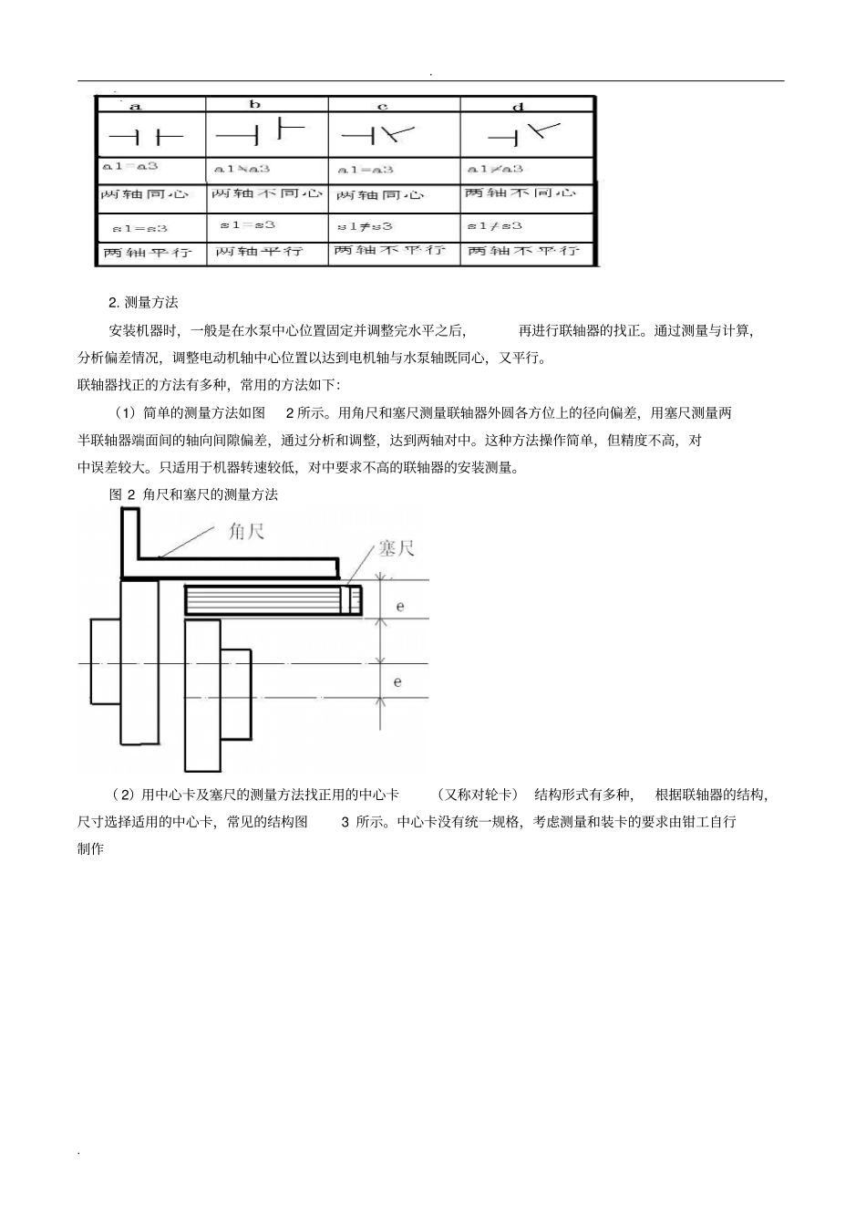
. . 水泵联轴器找正联轴器的找正是水泵安装的重要工作之一. 找正的目的是在水泵工作时使电机轴和水泵轴两轴中心线在同一直线上 . 找正的精度关系到机器是否能正常运转, 对高速运转的水泵尤其重要. 两轴绝对准确的对中是难以达到的, 对连续运转的机器要求始终保持准确的对中就更困难. 各零部件的不均匀热膨胀 , 轴的挠曲 , 轴承的不均匀磨损, 水泵产生的位移及基础的不均匀下沉等, 都是造成不易保持轴对中的原因 . 因此 , 在设计水泵时规定两轴中心有一个允许偏差值, 这也是安装联轴器时所需要的. 从装配角度讲,只要能保证联轴器安全可靠地传递扭矩,两轴中心允许的偏差值愈大,安装时愈容易达到要求。但是从安装质量角度讲,两轴中心线偏差愈小,对中愈精确,机器的运转情况愈好,使用寿命愈长。所以,不能把联轴器安装时两轴对中的允许偏差看成是安装者草率施工所留的余量。1.联轴器找正时两轴偏移情况的分析水泵安装时,联轴器在轴向和径向会出现偏差或倾斜,可能出现四种情况,如图1 所示。图 1 联轴器找正时可能遇到的四种情况根据图 1 所示对主动轴和从动轴相对位置的分析见表1。表 1 联轴器偏移的分析. . 2. 测量方法安装机器时,一般是在水泵中心位置固定并调整完水平之后,再进行联轴器的找正。通过测量与计算,分析偏差情况,调整电动机轴中心位置以达到电机轴与水泵轴既同心,又平行。联轴器找正的方法有多种,常用的方法如下:(1)简单的测量方法如图2 所示。用角尺和塞尺测量联轴器外圆各方位上的径向偏差,用塞尺测量两半联轴器端面间的轴向间隙偏差,通过分析和调整,达到两轴对中。这种方法操作简单,但精度不高,对中误差较大。只适用于机器转速较低,对中要求不高的联轴器的安装测量。图 2 角尺和塞尺的测量方法( 2)用中心卡及塞尺的测量方法找正用的中心卡(又称对轮卡) 结构形式有多种,根据联轴器的结构,尺寸选择适用的中心卡,常见的结构图3 所示。中心卡没有统一规格,考虑测量和装卡的要求由钳工自行制作. . 图 3 常见对轮卡型式(a)用钢带固定在联轴器上的可调节双测点对轮卡(b)测量轴用的不可调节的双测点对轮卡(c)测量齿式联轴器的可调节双测点对轮卡(d)用螺钉直接固定在联轴器上的可调节双测点对轮卡(e)有平滑圆柱表面联轴器用的可调节单测点对轮卡(f )有平滑圆柱表面联轴器用的可调节双点对轮卡利用中心卡及塞尺可以同时测量联舟轴器的径向间隙及轴向间...

1、当您付费下载文档后,您只拥有了使用权限,并不意味着购买了版权,文档只能用于自身使用,不得用于其他商业用途(如 [转卖]进行直接盈利或[编辑后售卖]进行间接盈利)。
2、本站所有内容均由合作方或网友上传,本站不对文档的完整性、权威性及其观点立场正确性做任何保证或承诺!文档内容仅供研究参考,付费前请自行鉴别。
3、如文档内容存在违规,或者侵犯商业秘密、侵犯著作权等,请点击“违规举报”。

碎片内容

水泵联轴器找正

您可能关注的文档

确认删除?
VIP
微信客服
  • 扫码咨询
会员Q群
  • 会员专属群点击这里加入QQ群
客服邮箱
回到顶部