电脑桌面
添加小米粒文库到电脑桌面
安装后可以在桌面快捷访问

《单层工业厂房》课程设计VIP专享VIP免费

《单层工业厂房》课程设计_第1页
1/21
《单层工业厂房》课程设计_第2页
2/21
《单层工业厂房》课程设计_第3页
3/21
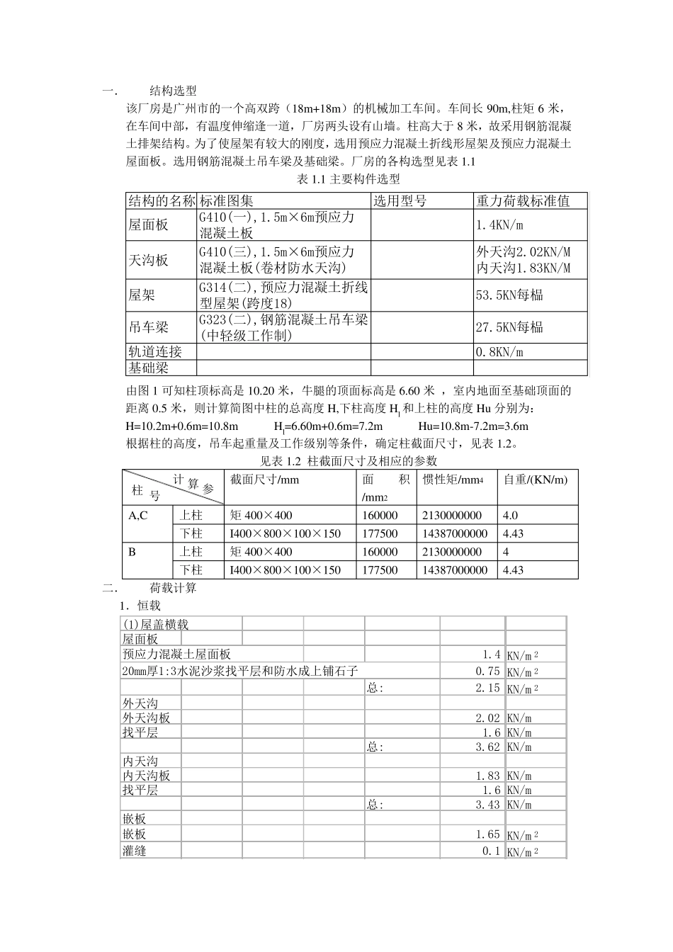
《 单 层 工 业 厂 房 》 课 程 设 计 姓 名: 班 级: 学 号: 一. 结构选型 该厂房是广州市的一个高双跨(18m+18m)的机械加工车间。车间长90m,柱矩6 米,在车间中部,有温度伸缩逢一道,厂房两头设有山墙。柱高大于8 米,故采用钢筋混凝土排架结构。为了使屋架有较大的刚度,选用预应力混凝土折线形屋架及预应力混凝土屋面板。选用钢筋混凝土吊车梁及基础梁。厂房的各构选型见表1.1 表1.1 主要构件选型 结构的名称标准图集选用型号 重力荷载标准值屋面板G410(一),1.5m×6m预应力混凝土板1.4KN/m天沟板G410(三),1.5m×6m预应力混凝土板(卷材防水天沟)外天沟2.02KN/M内天沟1.83KN/M屋架 G314(二),预应力混凝土折线型屋架(跨度18)53.5KN每榀吊车梁G323(二),钢筋混凝土吊车梁(中轻级工作制)27.5KN每榀轨道连接0.8KN/m基础梁由图1 可知柱顶标高是10.20 米,牛腿的顶面标高是6.60 米 ,室内地面至基础顶面的距离 0.5 米,则计算简图中柱的总高度H,下柱高度Hl 和上柱的高度Hu分别为: H=10.2m+0.6m=10.8m Hl=6.60m+0.6m=7.2m Hu=10.8m-7.2m=3.6m 根据柱的高度,吊车起重量及工作级别等条件,确定柱截面尺寸,见表1.2。 见表1.2 柱截面尺寸及相应的参数 截面尺寸/mm 面积/mm2 惯性矩/mm4 自重/(KN/m) A,C 上柱 矩400×400 160000 2130000000 4.0 下柱 I400×800×100×150 177500 14387000000 4.43 B 上柱 矩400×400 160000 2130000000 4 下柱 I400×800×100×150 177500 14387000000 4.43 二. 荷载计算 1.恒载 (1)屋盖横载屋面板预应力混凝土屋面板1.4 KN/m 220mm厚1:3水泥沙 浆 找 平 层 和防水成 上铺 石 子0.75 KN/m 2总:2.15 KN/m 2外天沟外天沟板2.02 KN/m找 平 层1.6 KN/m总:3.62 KN/m内天沟内天沟板1.83 KN/m找 平 层1.6 KN/m总:3.43 KN/m嵌 板嵌 板1.65 KN/m 2灌 缝0.1 KN/m 2计 算 参 柱 号 总1.75 KN/m2屋架屋架屋架预埋件53.5 KN/榀钢筋混凝土系杆5.94 KN/榀屋架预埋件件0.4 KN/榀总59.84 KN/榀 12.9KN/m3.62KN/m3.43KN/m15KN/m 图1 求反力: F1=116.92 F2=111.90 屋架重力荷载为59.84,则作用于柱顶的屋盖结构的重力荷载设计值: GA1=1.2×(116.92+59.84/2)=176.81KN GB1=1.2×(111.90×6+59.84/2)=170.18 KN (2)吊车梁及轨道重力荷载设计值 GA3=1.2×(27.5+0.8×6)=38.76KN GB3=1.2×(27.5+0.8×6...

1、当您付费下载文档后,您只拥有了使用权限,并不意味着购买了版权,文档只能用于自身使用,不得用于其他商业用途(如 [转卖]进行直接盈利或[编辑后售卖]进行间接盈利)。
2、本站所有内容均由合作方或网友上传,本站不对文档的完整性、权威性及其观点立场正确性做任何保证或承诺!文档内容仅供研究参考,付费前请自行鉴别。
3、如文档内容存在违规,或者侵犯商业秘密、侵犯著作权等,请点击“违规举报”。

碎片内容

《单层工业厂房》课程设计

确认删除?
VIP
微信客服
  • 扫码咨询
会员Q群
  • 会员专属群点击这里加入QQ群
客服邮箱
回到顶部