电脑桌面
添加小米粒文库到电脑桌面
安装后可以在桌面快捷访问

《强制性产品认证目录描述与界定表》与2016年HS编码参考表VIP免费

《强制性产品认证目录描述与界定表》与2016年HS编码参考表_第1页
1/113
《强制性产品认证目录描述与界定表》与2016年HS编码参考表_第2页
2/113
《强制性产品认证目录描述与界定表》与2016年HS编码参考表_第3页
3/113
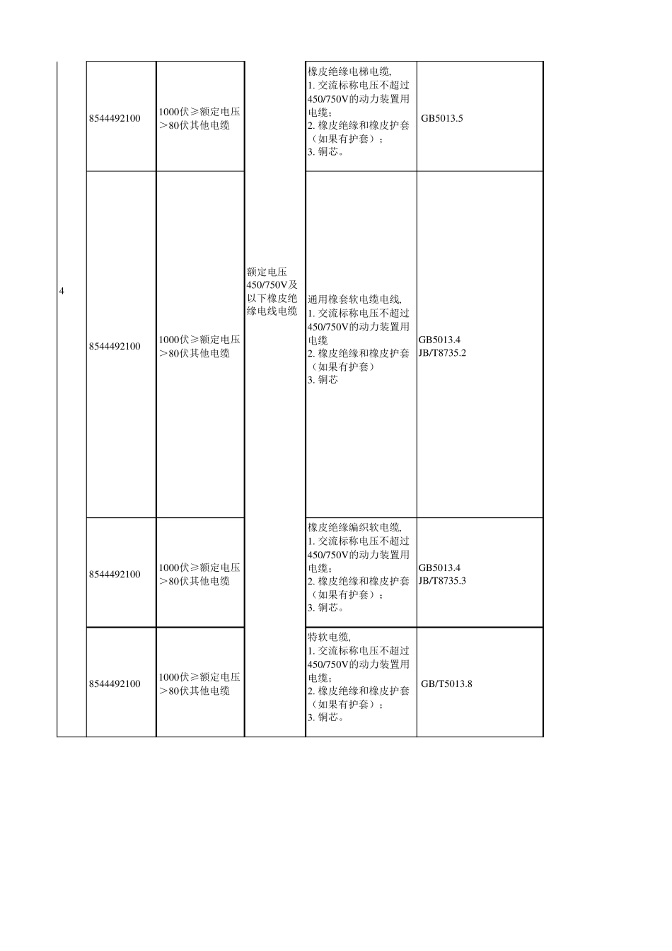
产品适用范围认证标准1854442210080V<额定电压≤1000V有接头电缆电线组件适用于家用和类似一般设备所用的电线组件(即,由带不可拆线插头和不可拆线的连接器的软缆或软线构成的组件)。适用标准:GB15934。不适用于:工业用电线组件(即带有符合GB/T11918、GB/T11919的工业用插头和连接器的电线组件),也不适用于加长电线组件。85444921001000伏≥额定电压>80伏其他电缆,85446012001千伏<额定电压≤35千伏的电缆85444921001000伏≥额定电压>80伏其他电缆,85446012001千伏<额定电压≤35千伏的电缆85444921001000伏≥额定电压>80伏其他电缆,85446012001千伏<额定电压≤35千伏的电缆85444921001000伏≥额定电压>80伏其他电缆,85446012001千伏<额定电压≤35千伏的电缆85444921001000伏≥额定电压>80伏其他电缆85446012001千伏<额定电压≤35千伏的电缆85444921001000伏≥额定电压>80伏其他电缆,85446012001千伏<额定电压≤35千伏的电缆85444921001000伏≥额定电压>80伏其他电缆85446012001千伏<额定电压≤35千伏的电缆85444921001000伏≥额定电压>80伏其他电缆,85446012001千伏<额定电压≤35千伏的电缆85444921001000伏≥额定电压>80伏其他电缆耐热橡皮绝缘电缆,1. 交流标称电压不超过450/750V的动力装置用电缆;2. 橡皮绝缘和橡皮护套(如果有护套);3. 铜芯。 GB5013.3GB5013.785444921001000伏≥额定电压>80伏其他电缆橡皮绝缘电焊机电缆,1. 交流标称电压不超过450/750V的动力装置用电缆;2. 橡皮绝缘和橡皮护套(如果有护套);3. 铜芯。 GB5013.6《强制性产品认证目录描述与界定表》与2016序号HS编码HS编码的商品名称及备注产品类别产品目录2矿用橡套软电缆采煤机用橡套软电缆,1. 煤矿使用的电缆;2. 交流额定电压U/U为3.6/6kV及以下电缆;GB12972.2GB12972.3GB12972.4矿用移动橡套软电缆,1、煤矿使用的电缆;2、交流额定电压U0/U为3.6/6kV及以下电缆; GB12972.5GB12972.6GB12972.7GB12972.9矿用电钻电缆,1. 煤矿使用的电缆;2. 交流额定电压U0/U为3.6/6kV及以下电缆; GB12972.8矿工帽灯电线1. 煤矿使用的电缆;2. 交流额定电压U0/U为3.6/6kV及以下电缆; GB12972.103交流额定电压3kV及以下铁路机车车辆用电线电缆天然丁苯橡皮绝缘电缆,1. 铁路机车车辆使用的电缆;2. 交流额定电压3kV及以下电缆; GB12528JB/T8145.1氯磺化聚乙烯绝缘电缆,1. 铁路机车车辆使用的电缆;2. 交流额定电压3kV及以下电缆;...

1、当您付费下载文档后,您只拥有了使用权限,并不意味着购买了版权,文档只能用于自身使用,不得用于其他商业用途(如 [转卖]进行直接盈利或[编辑后售卖]进行间接盈利)。
2、本站所有内容均由合作方或网友上传,本站不对文档的完整性、权威性及其观点立场正确性做任何保证或承诺!文档内容仅供研究参考,付费前请自行鉴别。
3、如文档内容存在违规,或者侵犯商业秘密、侵犯著作权等,请点击“违规举报”。

碎片内容

《强制性产品认证目录描述与界定表》与2016年HS编码参考表

小辰3+ 关注
实名认证
内容提供者

出售各种资料和文档

确认删除?
VIP
微信客服
  • 扫码咨询
会员Q群
  • 会员专属群点击这里加入QQ群
客服邮箱
回到顶部