电脑桌面
添加小米粒文库到电脑桌面
安装后可以在桌面快捷访问

油压打包机操作规程与维修保养作业指导书

油压打包机操作规程与维修保养作业指导书_第1页
1/1
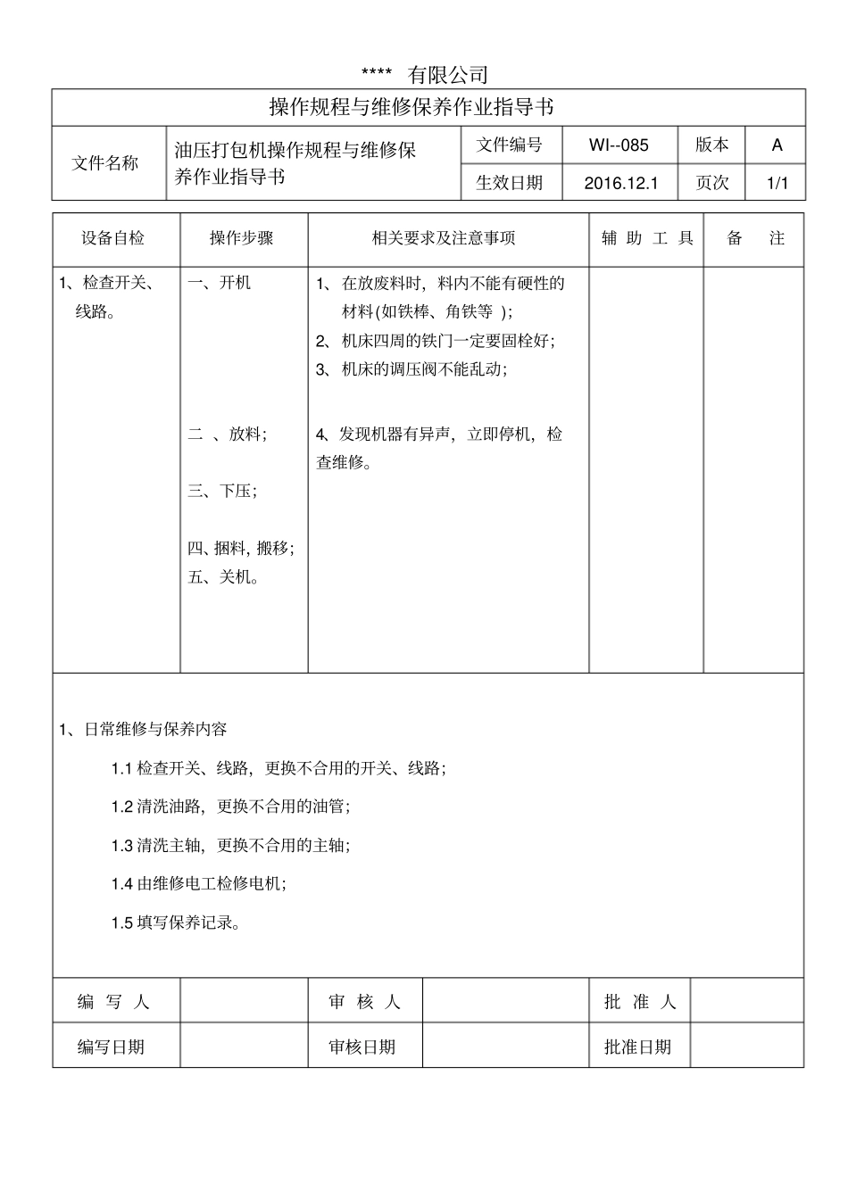
**** 有限公司操作规程与维修保养作业指导书文件名称油压打包机操作规程与维修保养作业指导书文件编号WI--085 版本A 生效日期2016.12.1 页次1/1 设备自检操作步骤相关要求及注意事项辅 助 工 具备注1、检查开关、线路。一、开机1、在放废料时,料内不能有硬性的材料(如铁棒、角铁等 );2、机床四周的铁门一定要固栓好;3、机床的调压阀不能乱动;二 、放料;三、下压;四、捆料,搬移;五、关机。4、发现机器有异声,立即停机,检查维修。1、日常维修与保养内容1.1 检查开关、线路,更换不合用的开关、线路;1.2 清洗油路,更换不合用的油管;1.3 清洗主轴,更换不合用的主轴;1.4 由维修电工检修电机;1.5 填写保养记录。编 写 人审 核 人批 准 人编写日期审核日期批准日期

1、当您付费下载文档后,您只拥有了使用权限,并不意味着购买了版权,文档只能用于自身使用,不得用于其他商业用途(如 [转卖]进行直接盈利或[编辑后售卖]进行间接盈利)。
2、本站所有内容均由合作方或网友上传,本站不对文档的完整性、权威性及其观点立场正确性做任何保证或承诺!文档内容仅供研究参考,付费前请自行鉴别。
3、如文档内容存在违规,或者侵犯商业秘密、侵犯著作权等,请点击“违规举报”。

碎片内容

油压打包机操作规程与维修保养作业指导书

爱的疯狂+ 关注
实名认证
内容提供者

该用户很懒,什么也没介绍

确认删除?
VIP
微信客服
  • 扫码咨询
会员Q群
  • 会员专属群点击这里加入QQ群
客服邮箱
回到顶部