电脑桌面
添加小米粒文库到电脑桌面
安装后可以在桌面快捷访问

井口装置培训教材

井口装置培训教材_第1页
1/19
井口装置培训教材_第2页
2/19
井口装置培训教材_第3页
3/19
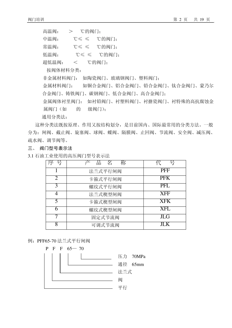
阀门培训 第 1 页 共 1 9 页 阀 门 一、什么是阀门 阀门是流体输送系统中的控制部件,具有导流、截流、调节、节流、防止倒流、分流或溢流卸压等功能。用于流体控制的阀门,从最简单的截断装置到极为复杂的自控系统,其品种规格繁多。阀门的通径小至用于宇航的仪表阀,大至通径10m重十几吨的工业管路用阀。阀门的工作压力可从1.3×10-3MPa到1000MPa的超高压。工作温度可从-269℃的超低温到1430℃的高温。阀门可采用多种传动方式,如手动、气动、液动、电动、电—气或电—液联动及电磁驱动等;可以在压力、温度及其它形式传感信号的作用下,按预定的要求动作,或者不依靠传感信号而进行简单的开启和关闭。阀门依靠驱动或自动机构使启闭件作升降、滑移、旋摆或回转运动,从而改变其流道面积的大小以实现控制功能。 二、阀门的用途及分类 2 .1 、 阀门的用途: 阀门可用于控制空气、水、蒸气、各种腐蚀性化学介质、泥浆、液态金属和放射性物质等各种类型的流体流动。所以阀门广泛用于石油工业、化学工业、能源工业、冶金工业和人们日常生活等领域。 2 .2 、 阀门的分类: 2.2.1 按用途和作用分类: 2.2.1.1截断阀类: 主要用于截断或接通介质流。包括闸阀(平行式闸板闸阀、楔式闸阀)、截止阀、隔膜阀、旋塞阀、球阀、蝶阀等; 2.2.1.2 调节阀: 主要用于调节介质的流量、压力等。包括调节阀、节流阀、减压阀等; 2.2.1.3 止回阀类: 用于阻止介质倒流。包括各种结构的止回阀; 2.2.1.4 分流阀类: 用于分流、分配或混合介质。包括各种结构的分流阀、疏水阀等; 2.2.1.5 安全阀类: 用于超压安全保护。包括各种类型的安全阀; 2.2.2 按主要参数分: 2.2.2.1按压力分类: a 真空阀: 工作压力低于标准大气压的阀门; b 低压阀: 公称压力PN≤1.6MPa的阀门; c 中压阀: 公称压力PN2.5~6.4MPa的阀门; d 高压阀: 公称压力PN10.0~80.0MPa的阀门; e 超高压阀: 公称压力≥PN100MPa的阀门; 2.2.2.2 按介质工作温度分类: 阀门培训 第 2 页 共 19 页 a 高温阀: t>450℃的阀门; b 中温阀: 120℃≤t≤450℃的阀门; c 常温阀: -40℃≤t≤120℃的阀门; d 低温阀: -100℃≤t≤-40℃的阀门; e 超低温阀: t<-100℃的阀门; 2.2.2.3 按阀体材料分类: a 非金属材料阀门: 如陶瓷阀门、玻璃钢阀门、塑料阀门; b 金属材料阀门: 如铜合金阀门、铝合金阀门、铅...

1、当您付费下载文档后,您只拥有了使用权限,并不意味着购买了版权,文档只能用于自身使用,不得用于其他商业用途(如 [转卖]进行直接盈利或[编辑后售卖]进行间接盈利)。
2、本站所有内容均由合作方或网友上传,本站不对文档的完整性、权威性及其观点立场正确性做任何保证或承诺!文档内容仅供研究参考,付费前请自行鉴别。
3、如文档内容存在违规,或者侵犯商业秘密、侵犯著作权等,请点击“违规举报”。

碎片内容

井口装置培训教材

您可能关注的文档

确认删除?
VIP
微信客服
  • 扫码咨询
会员Q群
  • 会员专属群点击这里加入QQ群
客服邮箱
回到顶部