电脑桌面
添加小米粒文库到电脑桌面
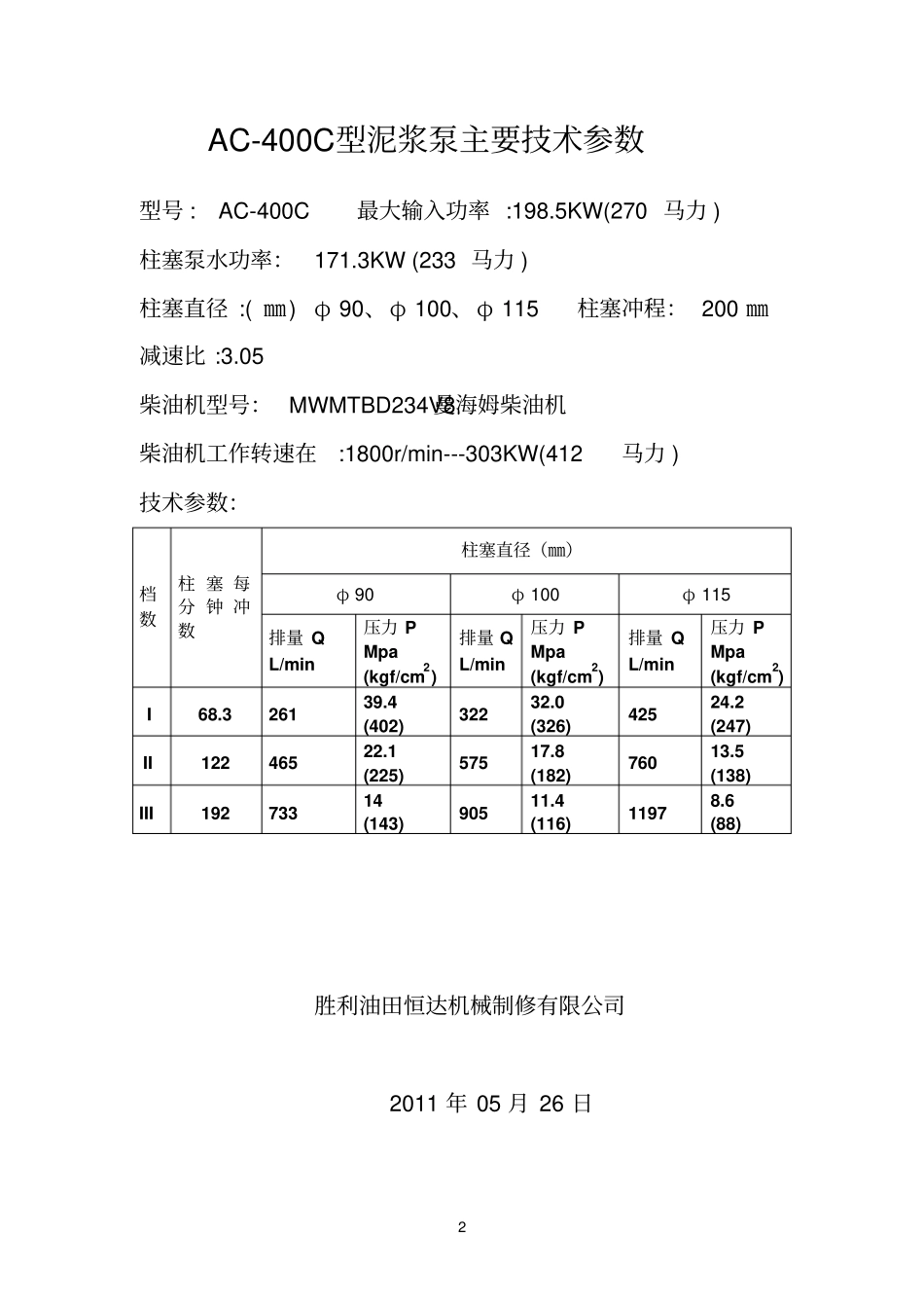
安装后可以在桌面快捷访问

泥浆泵技术参数

泥浆泵技术参数_第1页
1/9
泥浆泵技术参数_第2页
2/9
泥浆泵技术参数_第3页
3/9
1 SNC-H300型水泥车主要技术参数发动机: 6120、6135 转速: 2000 r/min 型式:卧式双缸双作用活塞泵变速箱档位活塞直径(㎜)φ 100φ 127排量 m3/min 压力 MPa 排量 m3/min 压力 MPa II 0.15 30 0.27 16 III 0.26 17.5 0.44 10 IV 0.42 10.5 0.72 6 V 0.68 6.5 1.15 4 2 AC-400C型泥浆泵主要技术参数型号 :AC-400C最大输入功率 :198.5KW(270 马力 ) 柱塞泵水功率:171.3KW (233 马力 ) 柱塞直径 :( ㎜) φ 90、φ 100、φ 115 柱塞冲程: 200 ㎜减速比 :3.05 柴油机型号: MWMTBD234V8曼海姆柴油机柴油机工作转速在:1800r/min---303KW(412马力 ) 技术参数:档数柱 塞 每分 钟 冲数柱塞直径(㎜)φ 90φ 100φ 115排量 Q L/min 压力 P Mpa (kgf/cm2) 排量 Q L/min 压力 P Mpa (kgf/cm2) 排量 Q L/min 压力 P Mpa (kgf/cm2) I 68.3 261 39.4 (402) 322 32.0 (326) 425 24.2 (247) II 122 465 22.1 (225) 575 17.8 (182) 760 13.5 (138) III 192 733 14 (143) 905 11.4 (116) 1197 8.6 (88) 胜利油田恒达机械制修有限公司2011 年 05 月 26 日3 ZYT5140/HT350型水泥车主要技术参数型号 :3XJB35/350 柱塞直径 : φ 85、φ 100 柴油机转速 :1800r/min 变速箱档汽车变速箱档泵冲次φ 85 φ 100 排量压力排量压力L/minm3/hMpaL/minm3/hMpaI I 17 37 2.22 18.5 51 3.06 13.5 II 26 55 3.30 18.5 78 4.68 13.5 III 45 117 7.02 18.5 135 8.10 13.5 IV 76 164 9.84 18.5 227 13.62 13.5 V 117 253 15.18 17.1 350 21.00 12.3 II I 31 84 5.04 18.5 93 5.58 13.5 II 48 104 6.24 18.5 144 8.64 13.5 III 83 179 10.74 18.5 248 14.86 13.5 IV 140 303 18.18 14.3 419 25.14 10.3 V 218 471 28.26 9.2 652 39.12 6.6 胜利油田恒达机械制修有限公司2011 年 04 月 26 日4 ACF/700 型水泥车主要技术参数型号 :3PC-700 最大输入功率 :224KW 柱塞直径 : φ 100 ㎜柱塞行程 :240 ㎜水功率 :200KW 减速比 :4.059 柴油机工作转速在: 1800r/min 档位冲次排量 L/min 压力I 32.5 184 70 II 43.6 246 52.5 III 58.6 331 39 IV 77.6 438 27 V 103.5 584 22 VI 139.2 786 16 VII 1...

1、当您付费下载文档后,您只拥有了使用权限,并不意味着购买了版权,文档只能用于自身使用,不得用于其他商业用途(如 [转卖]进行直接盈利或[编辑后售卖]进行间接盈利)。
2、本站所有内容均由合作方或网友上传,本站不对文档的完整性、权威性及其观点立场正确性做任何保证或承诺!文档内容仅供研究参考,付费前请自行鉴别。
3、如文档内容存在违规,或者侵犯商业秘密、侵犯著作权等,请点击“违规举报”。

碎片内容

泥浆泵技术参数

您可能关注的文档

爱的疯狂+ 关注
实名认证
内容提供者

该用户很懒,什么也没介绍

确认删除?
VIP
微信客服
  • 扫码咨询
会员Q群
  • 会员专属群点击这里加入QQ群
客服邮箱
回到顶部