电脑桌面
添加小米粒文库到电脑桌面
安装后可以在桌面快捷访问

泥石流地质灾害勘察报告分析

泥石流地质灾害勘察报告分析_第1页
1/6
泥石流地质灾害勘察报告分析_第2页
2/6
泥石流地质灾害勘察报告分析_第3页
3/6
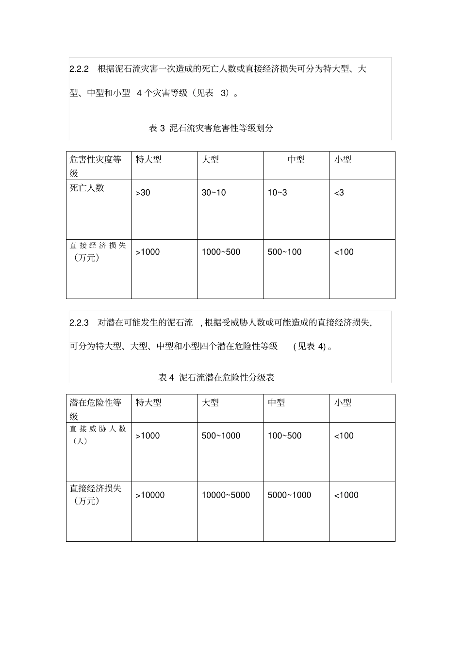
泥石流地质灾害勘察报告一、泥石流的相关概述泥石流是介于流水与滑坡之间的一种地质作用。典型的泥石流由悬浮着粗大固体碎屑物并富含粉砂及粘土的粘稠泥浆组成。在适当的地形条件下,大量的水体浸透山坡或沟床中的固体堆积物质,使其稳定性降低,饱含水分的固体堆积物质在自身重力作用下发生运动,就形成了泥石流。泥石流是一种灾害性的地质现象。泥石流经常突然爆发,来势凶猛, 可携带巨大的石块, 并以高速前进, 具有强大的能量, 因而破坏性极大。 它爆发突然、 来势凶猛,具有很大的破坏力。泥石流流动的全过程一般只有几个小时,短的只有几分钟。泥石流是一种广泛分布于世界各国一些具有特殊地形、地貌状况地区的自然灾害。是山区沟谷或山地坡面上,由暴雨、冰雪融化等水源激发的、含有大量泥沙石块的介于挟沙水流和滑坡之间的土、水、气混合流。泥石流大多伴随山区洪水而发生。它与一般洪水的区别是洪流中含有足够数量的泥沙石等固体碎屑物, 其体积含量最少为15% ,2010 年 8 月 8 日甘肃舟曲县发生泥石流灾害[1] 最高可达 80% 左右,因此比洪水更具有破坏力。二、泥石流类型划分及危害性分级2.1 泥石流类型划分2.1.1 按水源成因及物源成因可分为暴雨(降雨)泥石流、冰川(冰雪融水)泥石流,溃决(含冰湖溃决)泥石流;坡面侵蚀型泥石流、崩滑型泥石流、冰碛型泥石流、火山泥石流、弃渣泥石流、混合型泥石流等(参见附录 A 表 A.1) 。2.1.2 按集水区地貌特征可分为沟谷型泥石流和坡面型泥石流(参见附录 A 表 A.2) 。2.1.3 按暴发频率分:高频泥石流(一年多次至5 年 1 次)、中频泥石流(1 次 /5~20年)、低频泥石流(1 次/20~50 年)和极低频泥石流( 1 次/>50 年) 。2.1.4 按泥石流物质组成, 可分为泥流型、 水石型和泥石型泥石流( 参见附录 A 表 A.3 ) 。2.1.5 按流体性质可分为粘性泥石流( 重度 1.60 ~2.30 t/m3) 和稀性泥石流 (重度1.30 ~1.60 t/3) 。( 参见附录 A 表 A.4 ) 。2.1.6 按泥石流一次性暴发规模可分为特大型、大型、中型和小型四级(表1)。表一泥石流爆发规模分类分类指标特大型大型中型小型泥石流一次堆积总量>100 10~100 1~10 <1 泥石流洪峰量>200 100~200 50~100 <50 2.2 泥石流危险性分级2.2.1 单沟泥石流活动性定性分级根据泥石流活动特点、 灾情预测其活动性可划分为低、中、高和极高四级( 见表 2) 。表 2 单沟泥石流活动...

1、当您付费下载文档后,您只拥有了使用权限,并不意味着购买了版权,文档只能用于自身使用,不得用于其他商业用途(如 [转卖]进行直接盈利或[编辑后售卖]进行间接盈利)。
2、本站所有内容均由合作方或网友上传,本站不对文档的完整性、权威性及其观点立场正确性做任何保证或承诺!文档内容仅供研究参考,付费前请自行鉴别。
3、如文档内容存在违规,或者侵犯商业秘密、侵犯著作权等,请点击“违规举报”。

碎片内容

泥石流地质灾害勘察报告分析

确认删除?
VIP
微信客服
  • 扫码咨询
会员Q群
  • 会员专属群点击这里加入QQ群
客服邮箱
回到顶部