电脑桌面
添加小米粒文库到电脑桌面
安装后可以在桌面快捷访问

注塑模具导入流程VIP专享

注塑模具导入流程_第1页
1/11
注塑模具导入流程_第2页
2/11
注塑模具导入流程_第3页
3/11
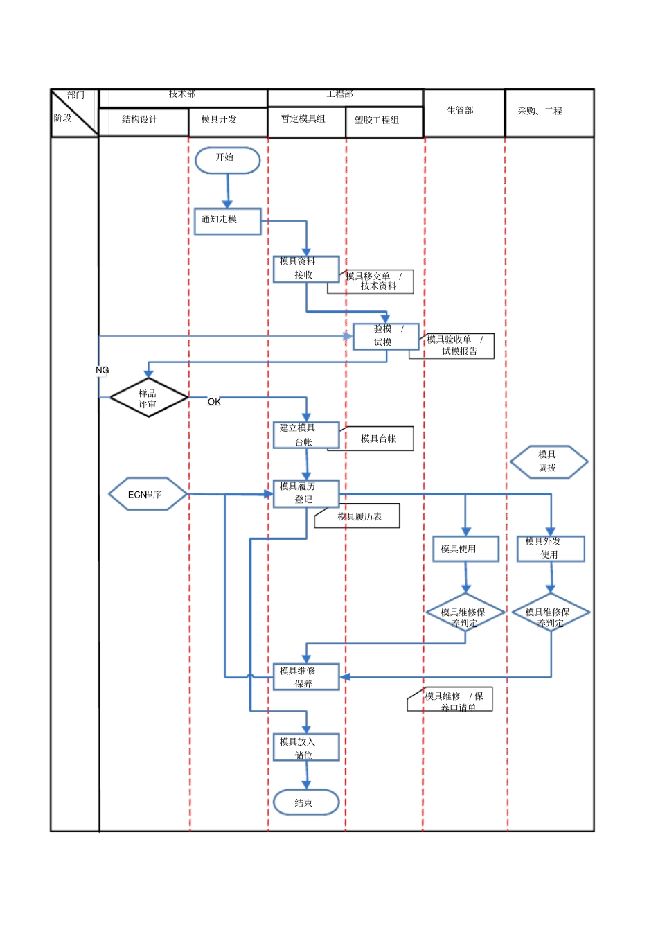
xxxxxxxxxxxxx 公司注塑模具导入试模流程书部门:生产部注塑组制作:日期:1.目的:为了在新注塑模具导入阶段能有效的管控,以确保试模延续到试流及正常量产阶段顺利完成,以快速高效的缩短导入周期达到全面满足客户需求,制定模具导入试模流程。2.范围:适用于所有客户端注塑模具的导入。3.各岗职责 :3.1 市场部及项目部结合公司注塑生产优势有效资源负承接进新的客户源的导入并组织,确认导入项目配套物资到位。3.2 项目开发部负责承接及收集客户端工程文件,同客户工程人员一并解决处理在模具的设计、策划、评审、样品试制及产品治具所有模具技术问题,负责编制技术标准及流程工作。3.3 品质部负责对产品先期质量标准信息收集。3.4 成型车间负责人员配备、 机台、材料及辅助设备等工作安排及准备及试模流程。4. 模具验收及模具维护流程:模具验收单/试模报告模具维修/ 保养申请单模具履历表模具台帐模具移交单/技术资料部门阶段结构设计暂定模具组模具开发技术部生管部工程部采购、工程开始模具使用OK模具资料接收样品评审验模/试模通知走模建立模具台帐模具维修保养判定模具维修保养模具履历登记模具外发使用模具维修保养判定模具放入储位结束ECN程序模具调拨NG 塑胶工程组《模具试模流程概述》试模报告表 .xls1拟制 /时间:批准 /时间:工程项目担当者, 根据客户的需求填写试模单,交营业、生产会签。下发试模单根据试模单合理安排注塑机台及辅助设备, 并准备所需物注塑安排试模在开机前确认各项无误方可开机试模NG 试模打样开始产品和工艺条件的确认取样开始NG OK 1.确认模具状况根据《模具导入前工程信息表》2.试模单需要在两个工作日前下达,并确认合适机台。3.试模单内容要注意描述试模原因、要求、注意事项、试模的要求时间。4.物料在试模前采购把相关物料配齐到位。5.提供产品样品或告知产品状况6.如果紧急需要试模时交副总签字才可试模1.确认模具上机后是否按要求接水路、加热等辅助技术相关信息。2.确认试模原料的到位并干燥时间。3.T0\T1 及必要时通知模具担当、 项目担当等相关人员到现场试模跟进。4. 模具图、产品图等资料,测量工具的准备。1.模具顶针、滑块、导柱导套、抽芯动作无异常。2.检查模具水路是否畅通,模具温度是否均衡。3.确认模具、料筒等温度达到,才可以开机4.前三模产品需要短射科学成型调整工艺参数,检查模具进胶是否平衡。5. 对异常点进行记录1.正式取样时需要产品的90%、 50%的缺...

1、当您付费下载文档后,您只拥有了使用权限,并不意味着购买了版权,文档只能用于自身使用,不得用于其他商业用途(如 [转卖]进行直接盈利或[编辑后售卖]进行间接盈利)。
2、本站所有内容均由合作方或网友上传,本站不对文档的完整性、权威性及其观点立场正确性做任何保证或承诺!文档内容仅供研究参考,付费前请自行鉴别。
3、如文档内容存在违规,或者侵犯商业秘密、侵犯著作权等,请点击“违规举报”。

碎片内容

注塑模具导入流程

确认删除?
VIP
微信客服
  • 扫码咨询
会员Q群
  • 会员专属群点击这里加入QQ群
客服邮箱
回到顶部