电脑桌面
添加小米粒文库到电脑桌面
安装后可以在桌面快捷访问

浙江海洋大学油库安全课程设计分析

浙江海洋大学油库安全课程设计分析_第1页
1/11
浙江海洋大学油库安全课程设计分析_第2页
2/11
浙江海洋大学油库安全课程设计分析_第3页
3/11
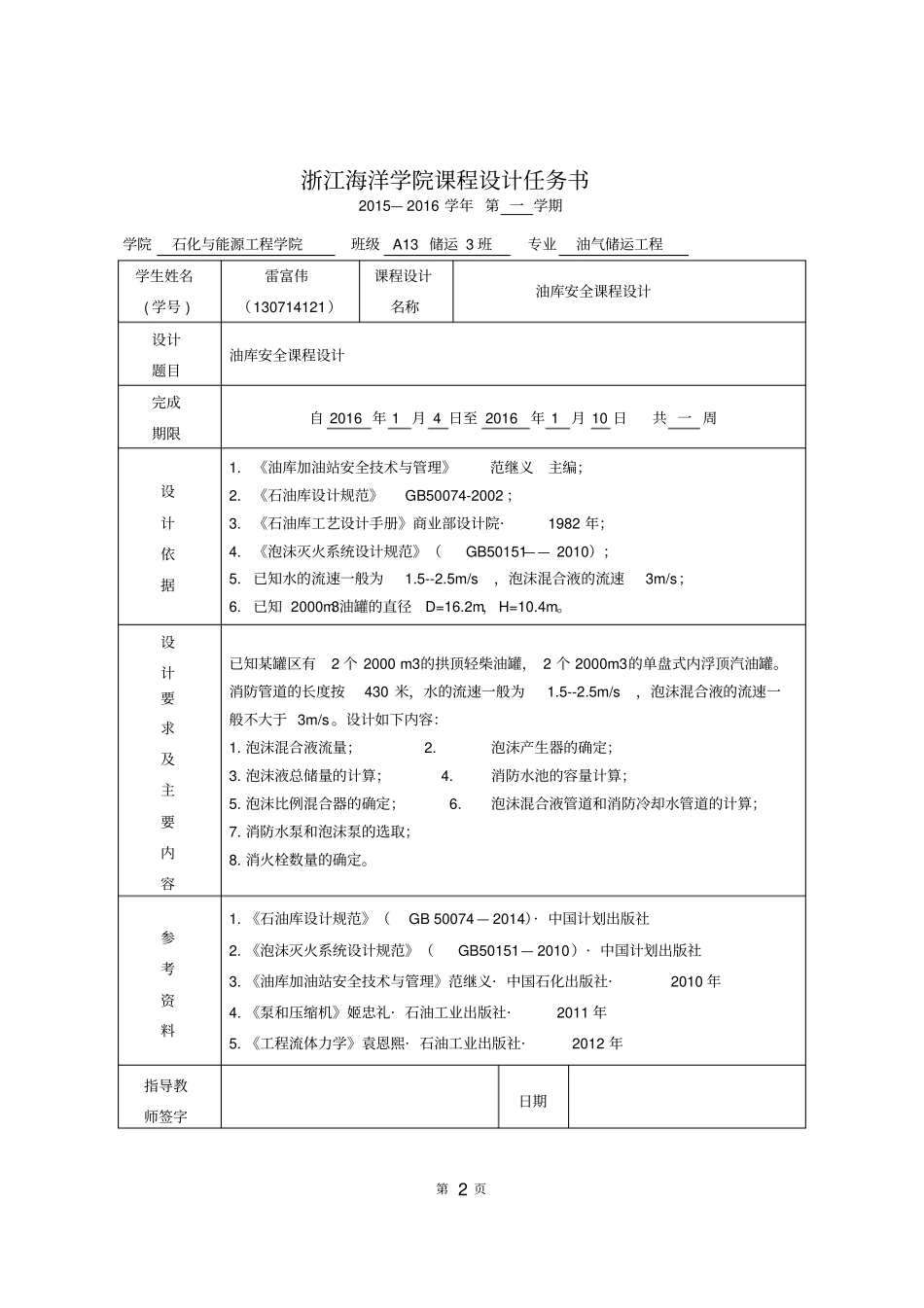
课程设计成果说明书题目:油 库 安 全 课 程 设 计学 生 姓 名 :雷 富 伟学号 :130714121 学院 :石 化 与 能 源 工 程 学 院班级 :A13 储 运 3 班指 导 教 师 :徐玉朋浙江海洋学院教务处2016 年 1 月 5 日第 1 页浙江海洋学院课程设计成绩评定表2015— 2016 学年 第 一 学期学院 石化与能源工程学院班级 A13 储运 3 班专业油气储运工程学生姓名( 学号) 雷富伟(130714121)课程设计名称油库安全课程设计题目油库安全课程设计指导教师评语指导教师签名:年月日答辩评语及成绩答辩小组教师签名:年月日第 2 页浙江海洋学院课程设计任务书2015— 2016 学年 第 一 学期学院石化与能源工程学院班级 A13 储运 3 班专业油气储运工程学生姓名( 学号 ) 雷富伟(130714121)课程设计名称油库安全课程设计设计题目油库安全课程设计完成期限自 2016 年 1 月 4 日至 2016 年 1 月 10 日共 一 周设计依据1. 《油库加油站安全技术与管理》范继义主编;2. 《石油库设计规范》 GB50074-2002 ;3. 《石油库工艺设计手册》商业部设计院·1982 年;4. 《泡沫灭火系统设计规范》(GB50151—— 2010);5. 已知水的流速一般为1.5--2.5m/s,泡沫混合液的流速3m/s;6. 已知 2000m3油罐的直径D=16.2m,H=10.4m。设计要求及主要内容已知某罐区有2 个 2000 m3的拱顶轻柴油罐, 2 个 2000m3的单盘式内浮顶汽油罐。消防管道的长度按430 米,水的流速一般为1.5--2.5m/s,泡沫混合液的流速一般不大于 3m/s 。设计如下内容:1. 泡沫混合液流量; 2.泡沫产生器的确定;3. 泡沫液总储量的计算; 4.消防水池的容量计算;5. 泡沫比例混合器的确定; 6.泡沫混合液管道和消防冷却水管道的计算;7. 消防水泵和泡沫泵的选取;8. 消火栓数量的确定。参考资料1. 《石油库设计规范》(GB 50074 — 2014)· 中国计划出版社2. 《泡沫灭火系统设计规范》(GB50151— 2010)· 中国计划出版社3. 《油库加油站安全技术与管理》范继义· 中国石化出版社·2010 年4. 《泵和压缩机》姬忠礼· 石油工业出版社·2011 年5. 《工程流体力学》袁恩熙· 石油工业出版社·2012 年指导教师签字日期第 3 页目录摘要 ...................................................................................................................................4 一、设计...

1、当您付费下载文档后,您只拥有了使用权限,并不意味着购买了版权,文档只能用于自身使用,不得用于其他商业用途(如 [转卖]进行直接盈利或[编辑后售卖]进行间接盈利)。
2、本站所有内容均由合作方或网友上传,本站不对文档的完整性、权威性及其观点立场正确性做任何保证或承诺!文档内容仅供研究参考,付费前请自行鉴别。
3、如文档内容存在违规,或者侵犯商业秘密、侵犯著作权等,请点击“违规举报”。

碎片内容

浙江海洋大学油库安全课程设计分析

您可能关注的文档

确认删除?
VIP
微信客服
  • 扫码咨询
会员Q群
  • 会员专属群点击这里加入QQ群
客服邮箱
回到顶部