电脑桌面
添加小米粒文库到电脑桌面
安装后可以在桌面快捷访问

液压马达的工作原理

液压马达的工作原理_第1页
1/7
液压马达的工作原理_第2页
2/7
液压马达的工作原理_第3页
3/7
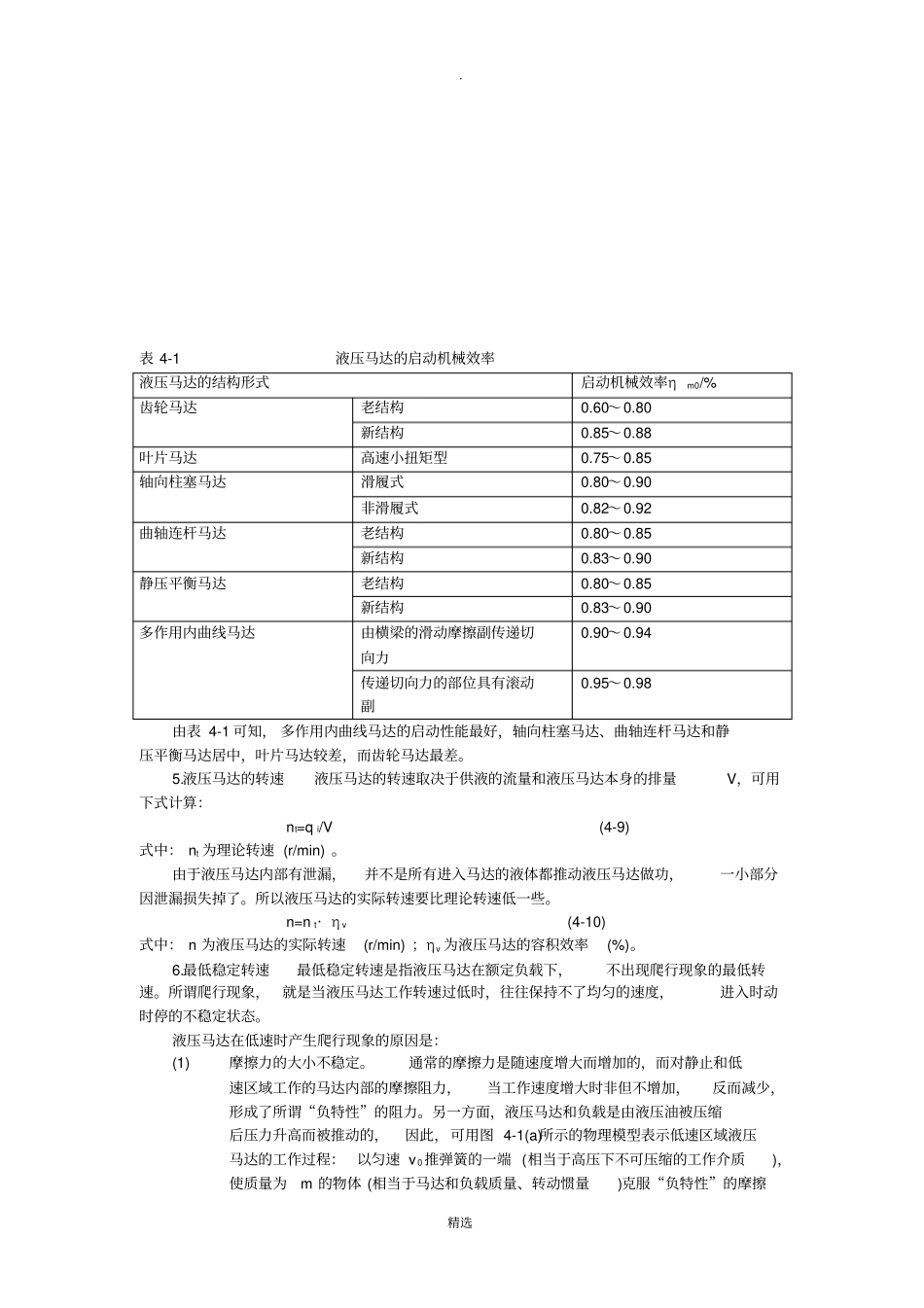
. 精选液压马达工作原理一、液压马达的特点及分类液压马达是把液体的压力能转换为机械能的装置,从原理上讲, 液压泵可以作液压马达用,液压马达也可作液压泵用。但事实上同类型的液压泵和液压马达虽然在结构上相似,但由于两者的工作情况不同,使得两者在结构上也有某些差异。例如:1.液压马达一般需要正反转,所以在内部结构上应具有对称性,而液压泵一般是单方向旋转的,没有这一要求。2.为了减小吸油阻力,减小径向力,一般液压泵的吸油口比出油口的尺寸大。而液压马达低压腔的压力稍高于大气压力,所以没有上述要求。3.液压马达要求能在很宽的转速范围内正常工作,因此,应采用液动轴承或静压轴承。因为当马达速度很低时,若采用动压轴承,就不易形成润滑滑膜。4.叶片泵依靠叶片跟转子一起高速旋转而产生的离心力使叶片始终贴紧定子的内表面,起封油作用,形成工作容积。若将其当马达用,必须在液压马达的叶片根部装上弹簧,以保证叶片始终贴紧定子内表面,以便马达能正常起动。5.液压泵在结构上需保证具有自吸能力,而液压马达就没有这一要求。6.液压马达必须具有较大的起动扭矩。所谓起动扭矩,就是马达由静止状态起动时,马达轴上所能输出的扭矩,该扭矩通常大于在同一工作压差时处于运行状态下的扭矩,所以,为了使起动扭矩尽可能接近工作状态下的扭矩,要求马达扭矩的脉动小,内部摩擦小。由于液压马达与液压泵具有上述不同的特点,使得很多类型的液压马达和液压泵不能互逆使用。液压马达按其额定转速分为高速和低速两大类,额定转速高于500r/min 的属于高速液压马达,额定转速低于500r/min 的属于低速液压马达。高速液压马达的基本型式有齿轮式、螺杆式、 叶片式和轴向柱塞式等。它们的主要特点是转速较高、转动惯量小,便于启动和制动,调速和换向的灵敏度高。通常高速液压马达的输出转矩不大 (仅几十牛· 米到几百牛· 米),所以又称为高速小转矩液压马达。高速液压马达的基本型式是径向柱塞式,例如单作用曲轴连杆式、液压平衡式和多作用内曲线式等。 此外在轴向柱塞式、叶片式和齿轮式中也有低速的结构型式。低速液压马达的主要特点是排量大、体积大、转速低(有时可达每分种几转甚至零点几转),因此可直接与工作机构连接,不需要减速装置,使传动机构大为简化,通常低速液压马达输出转矩较大(可达几千牛顿· 米到几万牛顿· 米),所以又称为低速大转矩液压马达。液压马达也可按其结构类型来分,可以分为齿轮式、叶片式、...

1、当您付费下载文档后,您只拥有了使用权限,并不意味着购买了版权,文档只能用于自身使用,不得用于其他商业用途(如 [转卖]进行直接盈利或[编辑后售卖]进行间接盈利)。
2、本站所有内容均由合作方或网友上传,本站不对文档的完整性、权威性及其观点立场正确性做任何保证或承诺!文档内容仅供研究参考,付费前请自行鉴别。
3、如文档内容存在违规,或者侵犯商业秘密、侵犯著作权等,请点击“违规举报”。

碎片内容

液压马达的工作原理

确认删除?
VIP
微信客服
  • 扫码咨询
会员Q群
  • 会员专属群点击这里加入QQ群
客服邮箱
回到顶部