电脑桌面
添加小米粒文库到电脑桌面
安装后可以在桌面快捷访问

深基坑钢板桩支护计算

深基坑钢板桩支护计算_第1页
1/16
深基坑钢板桩支护计算_第2页
2/16
深基坑钢板桩支护计算_第3页
3/16
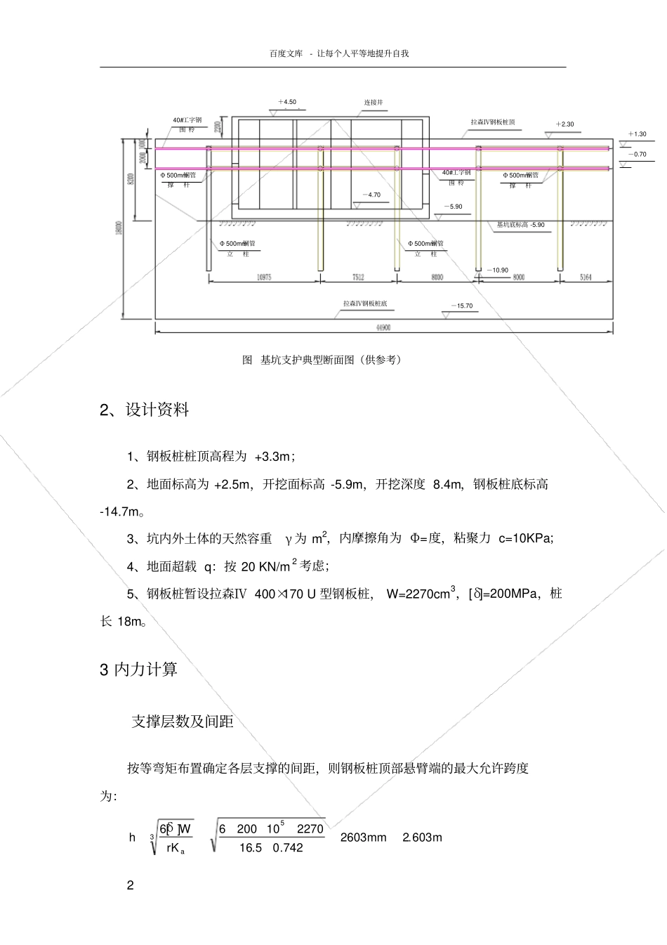
百度文库- 让每个人平等地提升自我1 1、工程简介越南沿海火力发电厂3 期连接井位于电厂厂区内,距东边的煤灰堆场约100m,连接井最南侧距海边约30m~40m。现根据施工需要,将连接井及部分陆域段钢管段设置成干施工区域, 即将全部连接井及部分陆域钢管段区域逐层开挖成深基坑,然后在基坑进行施工工作。基层四周采用CDM 桩或者钢板桩进行支护。干施工区域平面图如下所示图干施工区域平面图百度文库- 让每个人平等地提升自我2 连接井拉森Ⅳ钢板桩顶+4.50+2.30-4.70拉森Ⅳ钢板桩底-5.90-15.70-10.90+1.30-0.70基坑底标高 -5.9040#工字钢围 柃40#工字钢围 柃Φ 500mm钢管撑 杆Φ 500mm钢管撑 杆Φ 500mm钢管立 柱Φ 500mm钢管立 柱图 基坑支护典型断面图(供参考)2、设计资料1、钢板桩桩顶高程为 +3.3m;2、地面标高为 +2.5m,开挖面标高 -5.9m,开挖深度 8.4m,钢板桩底标高-14.7m。3、坑内外土体的天然容重γ 为 m2,内摩擦角为 Φ=度,粘聚力 c=10KPa;4、地面超载 q:按 20 KN/m2 考虑;5、钢板桩暂设拉森Ⅳ 400×170 U 型钢板桩, W=2270cm3,[δ]=200MPa,桩长 18m。3 内力计算支撑层数及间距按等弯矩布置确定各层支撑的间距,则钢板桩顶部悬臂端的最大允许跨度为:m603.2mm2603742.05.162270102006r][653aKWhδ百度文库- 让每个人平等地提升自我3 h1==×2.603m=2.89m h2==×2.603m=2.29m 根据现场施工需要和工程经济性,确定采用两层支撑,第一层h=1.2m,支撑标高 +1.3m;第二层支撑 h1=2m,支撑标高 -0.7m。作用在钢板桩上的土压力强度及压力分布主动土压力系数Ka=tan2(45° -φ /2)= tan2(45° ° /2)=被动土压力系数Kp=tan2(45° +φ /2)=tan2(45° +° /2)= 工况一 :安装第一层支撑后,基坑内土体开挖至-0.7m(第二层支撑标高)。1、主动土压力:aaaP =qKγzK①z=0m Pa=20×+×0×=m2②z=3.2m(地面到基坑底距离 ))Pa=20×+××=m22、被动土压力:ppP =γzK①z=3.2m(地面到基坑底距离 ) Pp=×()× =0KN/m2②z=17.2m(地面到钢板桩底距离 ) Pp=×()× =m23、计算反弯点位置:假定钢板桩上土压力为零的点为反弯点,则有:Pa=PpPa=20×+×z×=Pp=××z=8. 61m 4、等值梁法计算内力:钢板桩 AD 段简化为连续简支梁,用力矩分配法计算各支点和跨中的弯矩,从中求出最大弯矩M max,以验算钢板桩截面;并求出各支点反力Rb、Rd,Rb即为作用在第一层支撑上的荷...

1、当您付费下载文档后,您只拥有了使用权限,并不意味着购买了版权,文档只能用于自身使用,不得用于其他商业用途(如 [转卖]进行直接盈利或[编辑后售卖]进行间接盈利)。
2、本站所有内容均由合作方或网友上传,本站不对文档的完整性、权威性及其观点立场正确性做任何保证或承诺!文档内容仅供研究参考,付费前请自行鉴别。
3、如文档内容存在违规,或者侵犯商业秘密、侵犯著作权等,请点击“违规举报”。

碎片内容

深基坑钢板桩支护计算

您可能关注的文档

文库响当当+ 关注
实名认证
内容提供者

该用户很懒,什么也没介绍

确认删除?
VIP
微信客服
  • 扫码咨询
会员Q群
  • 会员专属群点击这里加入QQ群
客服邮箱
回到顶部