电脑桌面
添加小米粒文库到电脑桌面
安装后可以在桌面快捷访问

直流无刷电机转速控制

直流无刷电机转速控制_第1页
1/7
直流无刷电机转速控制_第2页
2/7
直流无刷电机转速控制_第3页
3/7
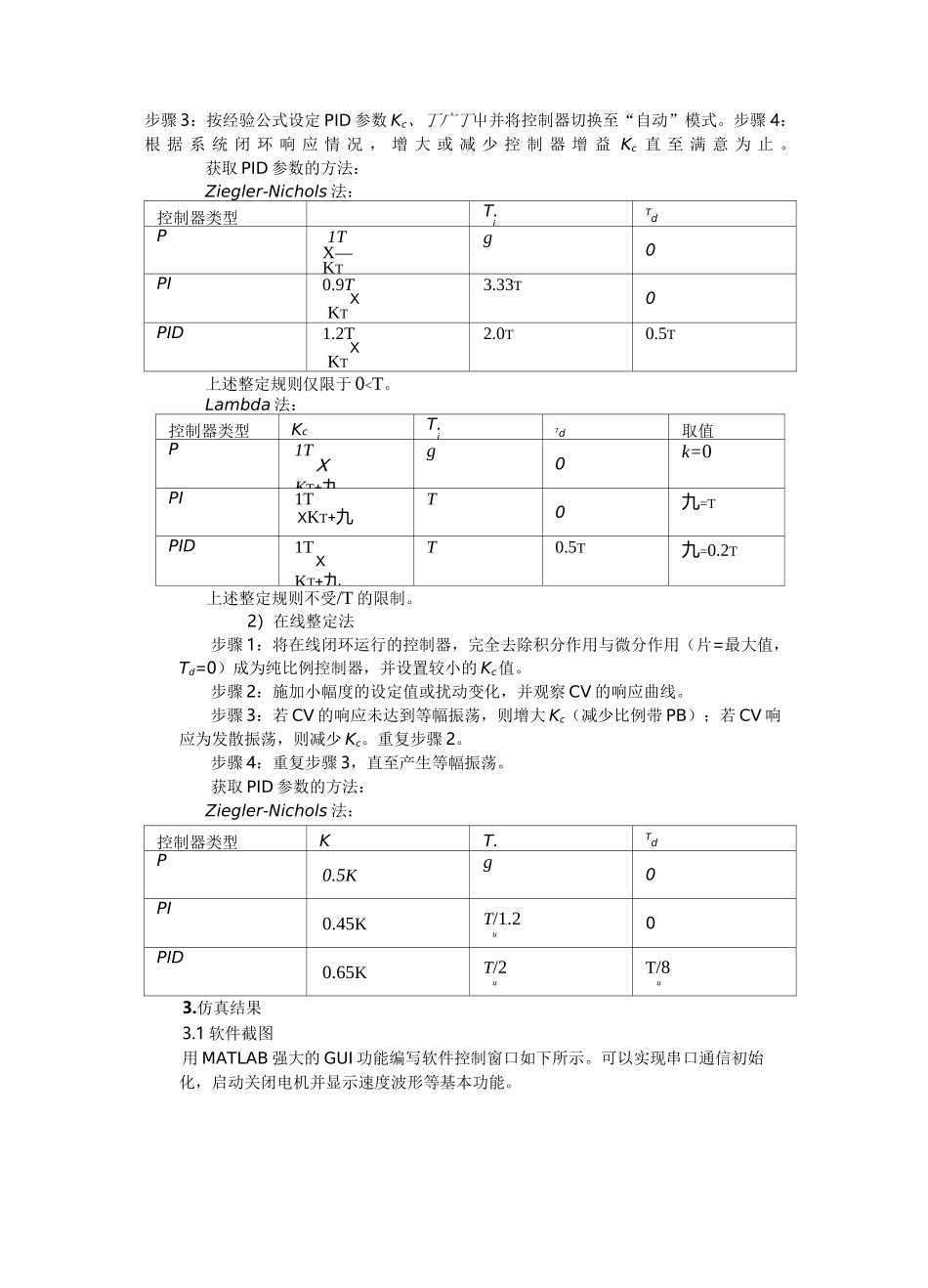
直流无刷电机转速控制1.模拟 PID 控制1.1 模拟 PID 控制原理在模拟控制系统中,最常用的控制器就是模拟 PID 控制器。以下图所示直流电机控制系统为例,说明 PID 控制器控制电机转速的原理。图中 n0(t)为转速设定值,n(t)为转速反馈值,e(t)=n't)-n(t)为偏差信号,偏差信号通过 PID 控制器后产生控制作用作用于直流电机从而控制电机转速到设定值。常见的模拟 PID 控制系统如下图所示。PID 控制器由比例、积分、微分的线性组合构成。控制规律如下:u(t)=K[e(t)+丄Je(P)dP+T]*pTddti0其中:K——控制器的比例系数T——控制器的积分系数iT——控制器的微分系数 d1)比例部分比例部分的数学表达式:Ke(t)。p比例部分的作用是对偏差信号做出快速反应,一旦控制器检测到偏差,比例部分就能迅速产生控制作用,且偏差越大,控制作用越强。但仅存在比例控制的系统存在稳态偏差。比例系数越大,响应越快,过渡越快,稳态偏差也越小,但系统也越不稳定,因此比例系数必须选择恰当。2)积分部分积分部分的数学表达式:莘 fe(P)dP。i0从积分部分表达式可以看出,只要系统输出与设定值存在偏差,积分作用就会不断增加,知道偏差为零,因此积分部分可以消除稳态偏差。但积分作用会降低系统的响应速度,增加系统的超调量。积分常数越小,积分作用越强,过渡过程容易产生震荡,但回复时间减小;积分常数越大,积分作用越弱,过渡过程不产生震荡,但回复时间增长。因此应根据具体情况选取积分常数。3)微分部分de(t)微分部分的数学表达式:KT 斗。pddt微分作用能阻值偏差的变化。它根据偏差的变化趋势进行控制。偏差变化越快,微分作用越强,能在偏差变化之前就行控制。微分作用的引入有助于减小超调量,克服振荡;但微分作用对噪声很敏感,导致系统的错误响应,使系统不稳定。为实现 PID 控制器的软件实现,将式*进行适当离散化,即离散 PID。2.数字 PID 控制2.1 位置式 PID 算法离散化处理的方法是,以 T 为采样周期,对模拟信号进行采样,以 k 为采样序列号,进行以下近似:t 沁 kT"e(T)dT沁 T工 e0j7=0de(t)e-eu—kk-idtT将上式带入式*,得到如下式所示的位置式离散 PID 控制规律。u=K[e+一Ze+T—k-k-i]**kpkTjdTij=0由于位置式 PID 要对 t 时刻之前的所有输出进行记录,工作量大,对计算机硬件要求高。增量式 PID 可避免这些。2.2 增量式 PID 算法由式**得到u=K[e+一Ze+T7i—72]k-1pk-1TjdTij=0将式**与上式相减,得到...

1、当您付费下载文档后,您只拥有了使用权限,并不意味着购买了版权,文档只能用于自身使用,不得用于其他商业用途(如 [转卖]进行直接盈利或[编辑后售卖]进行间接盈利)。
2、本站所有内容均由合作方或网友上传,本站不对文档的完整性、权威性及其观点立场正确性做任何保证或承诺!文档内容仅供研究参考,付费前请自行鉴别。
3、如文档内容存在违规,或者侵犯商业秘密、侵犯著作权等,请点击“违规举报”。

碎片内容

直流无刷电机转速控制

您可能关注的文档

wxg+ 关注
实名认证
内容提供者

该用户很懒,什么也没介绍

确认删除?
VIP
微信客服
  • 扫码咨询
会员Q群
  • 会员专属群点击这里加入QQ群
客服邮箱
回到顶部