电脑桌面
添加小米粒文库到电脑桌面
安装后可以在桌面快捷访问

关于PKPM设计信息中勾选“框架梁端配筋考考虑受压钢筋”VIP免费

关于PKPM设计信息中勾选“框架梁端配筋考考虑受压钢筋”_第1页
1/7
关于PKPM设计信息中勾选“框架梁端配筋考考虑受压钢筋”_第2页
2/7
关于PKPM设计信息中勾选“框架梁端配筋考考虑受压钢筋”_第3页
3/7
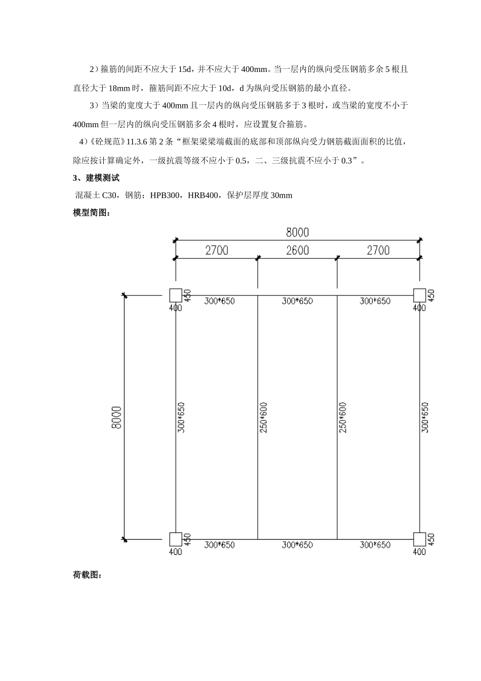
一、关于PKPM设计信息中勾选“框架梁端考虑受压钢筋”1、“框架梁端考虑受压钢筋”的意义“框架梁端考虑受压钢筋”是抗震设计中“强柱弱梁”的一种措施,可以引导框架中的塑性铰首先在梁端形成。它的意义在于可以控制梁端截面混凝土受压区高度(主要是控制负弯矩截面下部的混凝土受压区高度),最终目的是控制梁端塑性铰区具有较大的塑性转动能力,以保证框架梁端截面具有足够的曲率延性。根据国内外试验结果和参考国外经验,当相对受压区高度控制在0.25~0.35时,梁的位移延性可达到4.0~3.0左右。(见砼规范条文说明)PKPM程序勾选此项时,程序会对应验算《砼规范》11.3.1条、《高规》6.3.2第1条和《抗规》6.3.3第1条“抗震设计时,梁正截面受弯承载力计算中,计入受压钢筋作用的梁端截面混凝土受压区高度与有效高度之比,一级不应大于0.25,二三级不应大于0.35”。,不满足时会给出超筋提示。验算时,考虑应满足《砼规范》11.3.6第2条“框架梁梁端截面的底部和顶部纵向受力钢筋截面面积的比值,除应按计算确定外,一级抗震等级不应小于0.5,二、三级抗震不应小于0.3”,程序自动取梁上部配筋的50%(一级)或30%(二、三级)作为受压钢筋计算。PKPM计算结果分两种情况:一、框架梁受压区高度满足规范限制要求无需考虑受压钢筋,按单筋计算即可。程序勾选与不勾选结果没有差别。二、需考虑受压钢筋才能满足受压高度限值,此时按双筋截面计算,支座上部受拉钢筋面积有所减小,下部受压钢筋需满足相应构造要求。2、“框架梁端考虑受压钢筋”应满足的相应条件1)《砼规范》11.3.1条、《高规》6.3.2第1条和《抗规》6.3.3第1条“抗震设计时,梁正截面受弯承载力计算中,计入受压钢筋作用的梁端截面混凝土受压区高度与有效高度之比,一级不应大于0.25,二三级不应大于0.35”。PKPM程序勾选此项时会自动验算。2)《砼规范》8.3.4条“混凝土结构中的纵向受压钢筋,当计算中充分利用其抗压强度时,锚固长度不应小于相应受拉锚固长度的70%。受压钢筋不应采用末端弯钩和一侧贴焊锚筋的锚固措施。受压钢筋锚固长度范围内的横向构造钢筋应符合本规范第8.3.1条的有关规定。”3)《砼规范》9.2.9第4条,当梁中配有按计算需要的纵向受压钢筋时,箍筋应符合以下规定:1)箍筋应做成封闭式,且弯钩直线长度不应小于5d,d为箍筋直径。2)箍筋的间距不应大于15d,并不应大于400mm。当一层内的纵向受压钢筋多余5根且直径大于18mm时,箍筋间距不应大于10d,d为纵向受压钢筋的最小直径。3)当梁的宽度大于400mm且一层内的纵向受压钢筋多于3根时,或当梁的宽度不小于400mm但一层内的纵向受压钢筋多余4根时,应设置复合箍筋。4)《砼规范》11.3.6第2条“框架梁梁端截面的底部和顶部纵向受力钢筋截面面积的比值,除应按计算确定外,一级抗震等级不应小于0.5,二、三级抗震不应小于0.3”。3、建模测试混凝土C30,钢筋:HPB300,HRB400,保护层厚度30mm模型简图:荷载图:弯矩图:计算结果:1)框架梁端考虑受压钢筋2)框架梁端不考虑受压钢筋:3)结果比较:以上模型比较可以看出梁端负弯矩较大的框架梁在考虑梁端受压钢筋时,上部配筋有所不同,考虑受压钢筋时,梁端受拉钢筋面积减小。其余结果均一致。受力较小配筋率小无需考虑受压钢筋的框架梁,程序勾选与不勾选“考虑框架梁端受压钢筋”,计算结果一样,不受影响。勾“框架梁端考虑受压钢筋”,时同一模型同一框架梁,相同梁端弯矩,采用不同等级抗震计算后,配筋结果是有差异的,因为程序假定的初始受压钢筋不同,导致配筋结果不同。4、设计过程中需要注意事项计算时Pkpm参数是否勾选“框架梁端考虑了受压钢筋”,要根据情况确定,当荷载较小,框架梁端配筋率较小,勾选与不够远结果一样。当需要考虑受压钢筋才能满足规范受压区高度要求吗,勾选了此项就要满足规范的相关条件。施工图图中尤其要注意《砼规范》8.3.4条“当计算中充分利用其抗压强度时,锚固长度不应小于相应受拉锚固长度的70%。受压钢筋不应采用末端弯钩和一侧贴焊锚筋的锚固措施。”在实际设计中很多时候由于柱截面的限制是无法满足的。遇到可以采取以下两种方法处理:一是框架梁端不考虑受...

1、当您付费下载文档后,您只拥有了使用权限,并不意味着购买了版权,文档只能用于自身使用,不得用于其他商业用途(如 [转卖]进行直接盈利或[编辑后售卖]进行间接盈利)。
2、本站所有内容均由合作方或网友上传,本站不对文档的完整性、权威性及其观点立场正确性做任何保证或承诺!文档内容仅供研究参考,付费前请自行鉴别。
3、如文档内容存在违规,或者侵犯商业秘密、侵犯著作权等,请点击“违规举报”。

碎片内容

关于PKPM设计信息中勾选“框架梁端配筋考考虑受压钢筋”

文章天下+ 关注
实名认证
内容提供者

各种文档应有尽有

确认删除?
VIP
微信客服
  • 扫码咨询
会员Q群
  • 会员专属群点击这里加入QQ群
客服邮箱
回到顶部