电脑桌面
添加小米粒文库到电脑桌面
安装后可以在桌面快捷访问

满堂支架计算书-1讲述讲解

满堂支架计算书-1讲述讲解_第1页
1/33
满堂支架计算书-1讲述讲解_第2页
2/33
满堂支架计算书-1讲述讲解_第3页
3/33
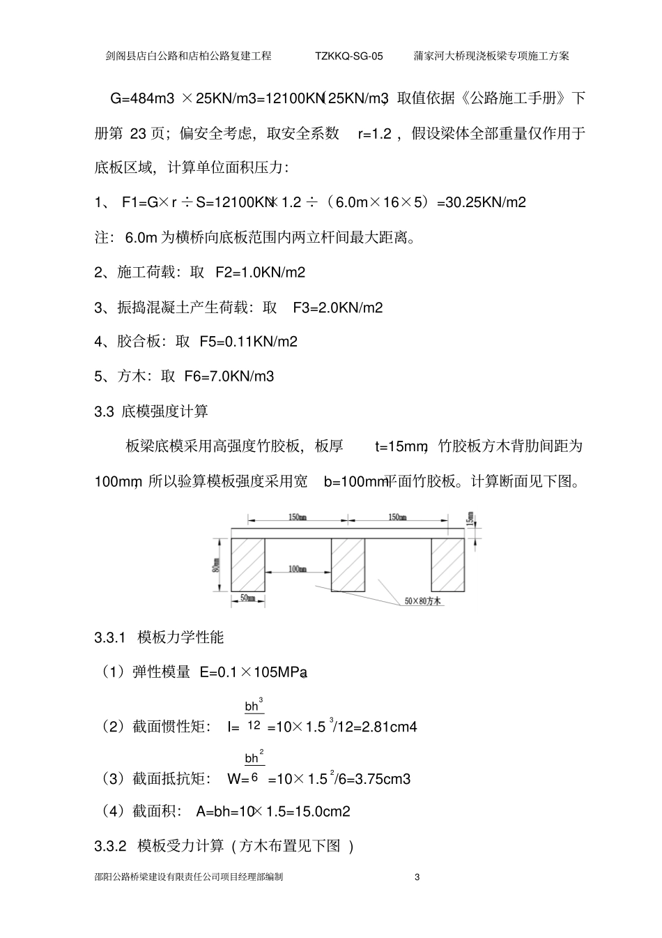
剑阁县店白公路和店柏公路复建工程TZKKQ-SG-05 蒲家河大桥现浇板梁专项施工方案邵阳公路桥梁建设有限责任公司项目经理部编制1 蒲家河大桥现浇板梁满堂支架专项施工方案一、工程概况桥梁上部构造采用普通钢筋混凝土连续板,混凝土强度为 C40,连续板长 160.0m,高 1.0m,顶宽标准段 7.5m,加宽段 8.7m,底宽 5.5m,翼缘板板边厚 0.15m,根部厚 0.40m,桥梁外侧悬臂长 1.0m,内侧悬臂长标准段为1.0m,加宽段为 2.20m。标准段和加宽段之间设25.0m 的渐变段;标准段板梁为平坡,加宽段板梁为单向横坡,坡度5.0%,通过板梁绕线路中心线刚性旋转形成横坡,板底面支座处横坡通过梁底楔型块调平,渐变段板梁由平坡线形变化为5.0%的单向坡。板梁伸缩缝处支座采用YBZF4 250×65mm四氟滑板式圆形橡胶支座,其余支座均采用YBZ 300×55mm普通板式圆形橡胶支座,泄水管采用 φ 140mmPVC管,桥面为双向坡处两侧设排水管,桥面为单向坡处单侧设排水管, 间距沿桥梁纵向每8.0m 设一道。全桥共计 10跨,五跨为一联,高度最高为19.0m,计算按 19.0m。采用现浇法施工。板梁每跨混凝土为 96.8m3(计算不扣除挖空部分) ,标准断面面积为 6.05m2, 变截面面积为 8.05m2。二、设计依据1、本桥梁施工图纸2、《建筑施工钢管脚手架安全技术规范》JGJ 166-2008 3、《建筑施工高处作业安全技术规范》JGJ 80-1991 4、《建筑地基基础设计规范》GB 50007-2002 5、《建筑地基处理技术规范》JGJ 79-2002 6、《钢结构设计规范》 GB 50017-2003 剑阁县店白公路和店柏公路复建工程TZKKQ-SG-05 蒲家河大桥现浇板梁专项施工方案邵阳公路桥梁建设有限责任公司项目经理部编制2 7、《建筑施工扣件式钢管模板支架技术规范》 DB 33/1035-2006 8、《钢管满堂支架预压技术规范》 JGJ/T 194-2009等三、满堂支架的设计和计算参数3.1 、计算参数3.1.1 支架主要材料和性能参数施工时采用钢管式满堂钢管支架,支架的钢管为Q235,规格为 φ 48mm×3.5mm,其性能见下表 1 和表 2:表 1 钢管截面特性规格截面积 A(mm2)惯性矩 I( mm4)抵抗矩 W(mm3)回转半径I( mm)每米重量(kg/m)φ 48×3.5 4.89 ×10212.19 × 1045.00 ×10315.78 3.84 表 2 钢材的强度设计值与弹性模量抗拉、抗弯f (N/ mm2)抗压 fc ( N/ mm2)弹性模量E(KN/ mm2)205 205 2.06 ×102 3.1.2 、支架设计布置支架顺桥向立杆间距布置为: 2×...

1、当您付费下载文档后,您只拥有了使用权限,并不意味着购买了版权,文档只能用于自身使用,不得用于其他商业用途(如 [转卖]进行直接盈利或[编辑后售卖]进行间接盈利)。
2、本站所有内容均由合作方或网友上传,本站不对文档的完整性、权威性及其观点立场正确性做任何保证或承诺!文档内容仅供研究参考,付费前请自行鉴别。
3、如文档内容存在违规,或者侵犯商业秘密、侵犯著作权等,请点击“违规举报”。

碎片内容

满堂支架计算书-1讲述讲解

爱的疯狂+ 关注
实名认证
内容提供者

该用户很懒,什么也没介绍

确认删除?
VIP
微信客服
  • 扫码咨询
会员Q群
  • 会员专属群点击这里加入QQ群
客服邮箱
回到顶部