电脑桌面
添加小米粒文库到电脑桌面
安装后可以在桌面快捷访问

企业管理表格品质管理B纵表格

企业管理表格品质管理B纵表格_第1页
1/12
企业管理表格品质管理B纵表格_第2页
2/12
企业管理表格品质管理B纵表格_第3页
3/12
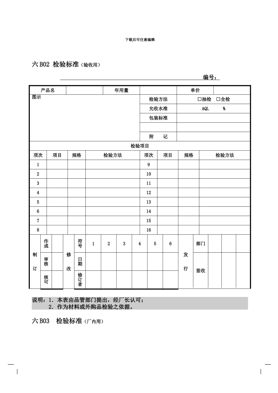
下载后可任意编辑企业管理表格品质管理 B 纵表格下载后可任意编辑六 B01 进料检验说明书 NO. 材 料 名料 号使 用 机 种检验方法:项 次检验项目AQL%规 格检验方法检验要点备 注审核: 制表: 下载后可任意编辑六 B02 检验标准(验收用) 编号: 产品名年用量单价图示检验方法□抽检 □全检允收水准AQL %包装标准附 记检验项目项次项目规格检验方法项次项目规格检验方法19210311412513614715816制订作成修改符号123456发行部门审核日期签收核可修订者说明:1.本表由品管部门提出,经厂长认可; 2.作为材料或外购品检验之依据。六 B03 检验标准(厂内用) 下载后可任意编辑 编 号: 产品号工 程名 称使 用方 法 抽 检 全 检图示检验项目项次项 目规 格检 验 方 法123456不良要因分析图工程标准不良率改 善责任者制作成修符号①②③④⑤⑥发部门 下载后可任意编辑订订送审核日期签收认可修订者说明:1.本表由品管部提出,经厂长认可; 2.作为厂内生产之检验依据。六 B04 材料试用检验报告书 编号: 日期: 试用 检验 材料名称规格/型号委托部门试用检验部门检验项目检验标准结 果 记 录备 注1234567 下载后可任意编辑检验、试用结果 检验、试用者: 委托者: 说明: 1.材料依其需检验特性送相关部门检验; 2.材料各使用部门的实际操作、装配及性能检验; 3.检验的项目、结果和标准对比,可清楚体现被检验材料是否合格; 4.委托者和检验负责人作相应的记录以便可追溯。六 B05 进货检验法律规范书 编号: 日期: 料号: 品名: 规格: 适用范围: NO.检验项目检验水准检验规格图示说明S-IIN-II其他 下载后可任意编辑备注:认可核对承办抽样计划AQL(允收水准)MIL-STD-10SDMaj.Min.Min.六 B06 材料入厂检验记录表 编号: 日期: 供应商订购单号品 名型 号数 量抽样情况:AQL: 样本 n: 合格判定数 Ac: 不合格判定数 Re:检验项目不良状况不合格数结 果备 注 Ac Re Ac Re Ac Re Ac Re 下载后可任意编辑 Ac Re检验员: 主管/日期: 厂长/日期:说明: 1.以材料别检验结果提出报告; 2.必要时,可作为付款、发料追溯的依据; 3.综合判定即合格或不合格; 4.作为和材料供应商联络的凭据。六 B07 进料检验记录 编号: 日期: 供料商品名规格交货数量交货日期检验方式□加严检验 Maj样本数最终判定□允收□特采□选别□拒收判定者:核 可:□正...

1、当您付费下载文档后,您只拥有了使用权限,并不意味着购买了版权,文档只能用于自身使用,不得用于其他商业用途(如 [转卖]进行直接盈利或[编辑后售卖]进行间接盈利)。
2、本站所有内容均由合作方或网友上传,本站不对文档的完整性、权威性及其观点立场正确性做任何保证或承诺!文档内容仅供研究参考,付费前请自行鉴别。
3、如文档内容存在违规,或者侵犯商业秘密、侵犯著作权等,请点击“违规举报”。

碎片内容

企业管理表格品质管理B纵表格

范哲铺+ 关注
实名认证
内容提供者

想你所想,急你所急,你需要的都在店铺里可以找到。

相关文档

确认删除?
VIP
微信客服
  • 扫码咨询
会员Q群
  • 会员专属群点击这里加入QQ群
客服邮箱
回到顶部