电脑桌面
添加小米粒文库到电脑桌面
安装后可以在桌面快捷访问

住宅精装房验收标准

住宅精装房验收标准_第1页
1/5
住宅精装房验收标准_第2页
2/5
住宅精装房验收标准_第3页
3/5
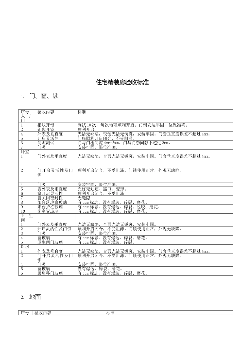
下载后可任意编辑住宅精装房验收标准12024 年 4 月 19 日住宅精装房验收标准1.门、窗、锁序号验收内容标准入户门1指纹开锁测试 10 次,每次均可顺利开启。门锁安装牢固,位置准确。2钥匙开锁顺利开启。4外表及垂直度光洁无缺陷,铰链光洁无锈斑,安装牢固。门套垂直度误差不超过 4mm。5开启灵活性门扇顺利开启闭合,不受阻滞。6间隙测试门与门槛间隙 4mm-5mm。门与门套间隙不超过 3mm。7门吸安装牢固,限位准确。卧室1门外表及垂直度光洁无缺陷,合页光洁无锈斑,安装牢固。门套垂直度误差不超过 4mm。2门开启灵活性及门锁顺利开启闭合,不受阻滞。门锁使用正常,外观无缺陷。4门吸安装牢固,限位准确。5窗外表及垂直度完好无划痕、豁口、变形。6窗开启灵活性顺利开启闭合,不受阻滞7窗关闭密封性无缝隙8阳台落地窗玻璃有 ccc 标志,没有爆边、碎裂、磨花。9阳台护栏玻璃有 ccc 标志,没有爆边、碎裂、脱胶、磨花。10卧室窗玻璃有 ccc 标志,没有爆边、碎裂、磨花。卫生间1门外表及垂直度光洁无缺陷,合页光洁无锈斑,安装牢固。2开启灵活性及门锁顺利开启闭合,不受阻滞。门锁使用正常,外观无缺陷。3门吸安装牢固,限位准确。4窗玻璃有 ccc 标志,没有爆边、碎裂、磨花。5卫生间门玻璃有 ccc 标志,没有爆边、碎裂。厨房1外表及垂直度光洁无缺陷,合页光洁无锈斑,安装牢固。门套垂直度误差不超过 4mm。2门开启灵活性及门锁顺利开启闭合,不受阻滞。门锁使用正常,外观无缺陷。4门吸安装牢固,限位准确。5窗玻璃没有爆边、碎裂、磨花。6厨房移门玻璃有 ccc 标志,没有爆边、碎裂、磨花。2.地面序号验收内容标准下载后可任意编辑入户1门槛石材外观光洁完好,无裂纹。2门槛石材空鼓无空鼓。客厅1地板外观无色差,平整、光洁、没有鼓泡、翘边。2地板平整度不超过 2mm。3地板异响踩踏无空鼓感。4踢脚线外观无色差,拼缝严密,钉帽经过处理。卧室1地板外观无色差,平整、光洁、没有鼓泡、翘边。2地板平整度不超过 2mm。3地板异响踩踏无空鼓感。4踢脚线外观无色差,拼缝严密,钉帽经过处理。阳台1地砖平整度坡向地漏。2地漏通畅不堵塞,安装不错位。3排水水流迅速向地漏方向流去,无局部积水。(泼水测试)卫 生间1地砖外观光洁完好,无裂纹缺角、空鼓。2地漏通畅不堵塞,安装不错位。(泼水测试)3排水水流迅速向地漏方向流去,无局部积水。(泼水测试)4坐便器打胶紧密不漏水,冲马桶三次检测。型号规格同样板房。厨房1地...

1、当您付费下载文档后,您只拥有了使用权限,并不意味着购买了版权,文档只能用于自身使用,不得用于其他商业用途(如 [转卖]进行直接盈利或[编辑后售卖]进行间接盈利)。
2、本站所有内容均由合作方或网友上传,本站不对文档的完整性、权威性及其观点立场正确性做任何保证或承诺!文档内容仅供研究参考,付费前请自行鉴别。
3、如文档内容存在违规,或者侵犯商业秘密、侵犯著作权等,请点击“违规举报”。

碎片内容

住宅精装房验收标准

确认删除?
VIP
微信客服
  • 扫码咨询
会员Q群
  • 会员专属群点击这里加入QQ群
客服邮箱
回到顶部