电脑桌面
添加小米粒文库到电脑桌面
安装后可以在桌面快捷访问

输变电施工企业项目部管理体系评分基础模板

输变电施工企业项目部管理体系评分基础模板_第1页
1/14
输变电施工企业项目部管理体系评分基础模板_第2页
2/14
输变电施工企业项目部管理体系评分基础模板_第3页
3/14
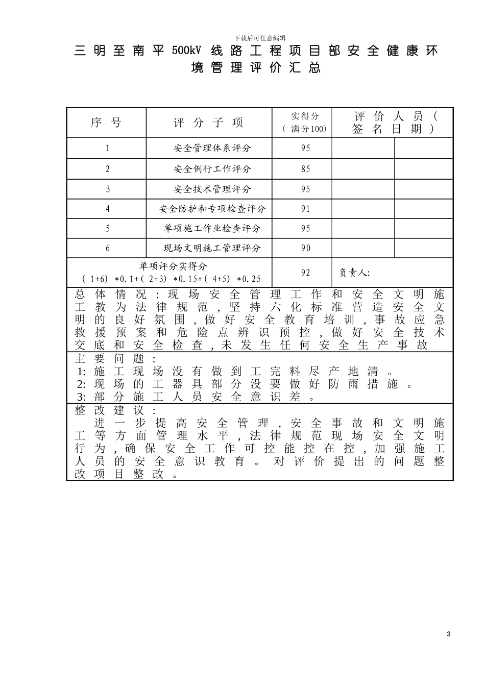
下载后可任意编辑输变电施工企业项目部管理体系评分基础1下载后可任意编辑输变电工程项目安全健康与环境管理评价报告工 程 类 别: 基础工程工程项目名称: 龙岩至三明 500kV 送电线路工程施 工 单 位: 福建省第二电力建设公司龙岩至三明 500kV 线路工程项目部 3 月 18 日2下载后可任意编辑三 明 至 南 平 500kV线 路 工 程 项 目 部 安 全 健 康 环境 管 理 评 价 汇 总 序 号评 分 子 项实得分( 满分100) 评 价 人 员 ( 签 名 日 期 ) 1安全管理体系评分952安全例行工作评分853安全技术管理评分954安全防护和专项检查评分915单项施工作业检查评分956现场文明施工管理评分90单项评分实得分( 1+6) *0.1+( 2+3) *0.15+( 4+5) *0.2592负责人: 总 体 情 况: 现 场 安 全 管 理 工 作 和 安 全 文 明 施工 教 为 法 律 规 范, 坚 持 六 化 标 准 营 造 安 全 文明 的 良 好 氛 围 , 做 好 安 全 教 育 培 训 , 事 故 应 急救 援 预 案 和 危 险 点 辨 识 预 控, 做 好 安 全 技 术交 底 和 安 全 检 查 , 未 发 生 任 何 安 全 生 产 事 故主 要 问 题 : 1: 施 工 现 场 没 有 做 到 工 完 料 尽 产 地 清 。 2: 现 场 的 工 器 具 部 分 没 要 做 好 防 雨 措 施 。 3: 部 分 施 工 人 员 安 全 意 识 差 。整 改 建 议 : 进 一 步 提 高 安 全 管 理, 安 全 事 故 和 文 明 施工 等 方 面 管 理 水 平, 法 律 规 范 现 场 安 全 文 明行 为 , 确 保 安 全 工 作 可 控 能 控 在 控 , 加 强 施 工人 员 的 安 全 意 识 教 育 。 对 评 价 提 出 的 问 题 整改 项 目 整 改 。3下载后可任意编辑龙岩至三明 500kV 线路工程项目部安全管理体系评分表表三序号 评分项目评分标准评分方法标准分扣减分实得分1组织体系和资质管理●未成立或未及时调整项目安全委员会, 扣 10 分●项目部主要负责人和安全管理人员未取得有效资格证, 每人扣 5 分●未建立覆盖各作业点的安全管理网络, 扣 5 分●未配置专职安全员, 扣 10 分●未建立文明施工保证体系, 扣 10 分●未建立消防保证体系, 扣 lO 分●未建立机械安全保证体系, 扣 10 分●承发...

1、当您付费下载文档后,您只拥有了使用权限,并不意味着购买了版权,文档只能用于自身使用,不得用于其他商业用途(如 [转卖]进行直接盈利或[编辑后售卖]进行间接盈利)。
2、本站所有内容均由合作方或网友上传,本站不对文档的完整性、权威性及其观点立场正确性做任何保证或承诺!文档内容仅供研究参考,付费前请自行鉴别。
3、如文档内容存在违规,或者侵犯商业秘密、侵犯著作权等,请点击“违规举报”。

碎片内容

输变电施工企业项目部管理体系评分基础模板

一二三四传媒+ 关注
实名认证
内容提供者

大量资料供您选择,没有合适的可以联系小二。

确认删除?
VIP
微信客服
  • 扫码咨询
会员Q群
  • 会员专属群点击这里加入QQ群
客服邮箱
回到顶部