电脑桌面
添加小米粒文库到电脑桌面
安装后可以在桌面快捷访问

特种设备员职务说明书

特种设备员职务说明书_第1页
1/2
特种设备员职务说明书_第2页
2/2
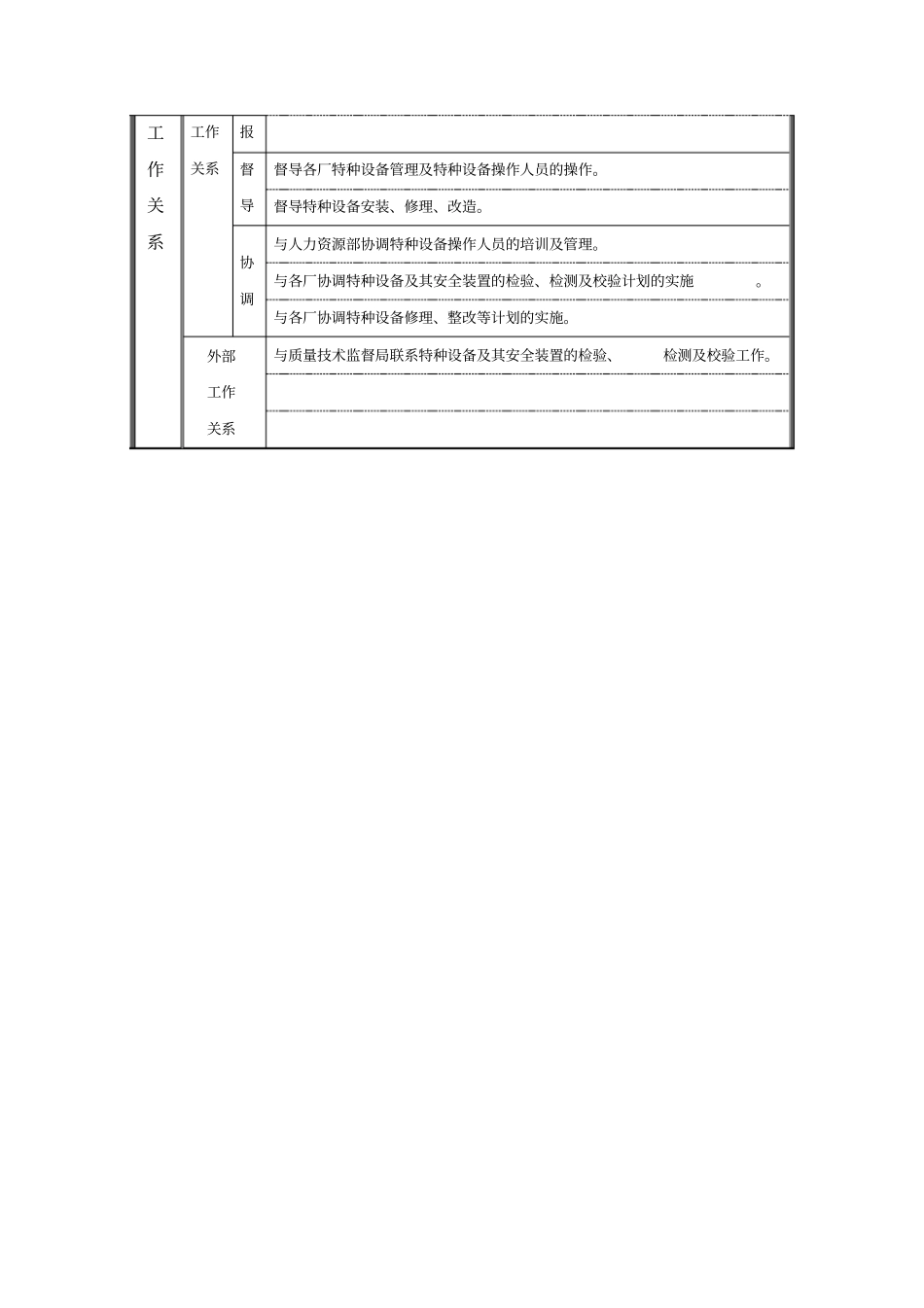
特种设备员职务说明书基本情况职位名称特种设备员职位编制及现有人数1 所属部门设备能源部直接上级经理直接下属职责1.负责建立健全特种设备各项管理制度、安全运行操作维护规程、预防性试验规程等文件。2.负责完善特种设备的技术资料,建立一机一档制,做好各种检测、检验、监理、修理等记录。3.负责检查、督促特种设备运行操作人员严格遵守有关制度、规程,并提供技术指导和培训4.组织编制和实施特种设备检测、检验和预防性试验滚动计划5.负责、参与特种设备的调研、选型等前期工作。6.负责、参与特种设备的安装指导、质量监督、试验和验收等工作。7.负责巡回督查特种设备的运行和使用状况,保证特种设备的安全运行8.及时分析处理特种设备运行现场的各类技术、安全问题9.负责对特种设备安全装置的定期校验,并记录建档。10.组织审定和实施特种设备修理方案11.负责对特种设备事故的分析、处理事宜。12.积极推广特种设备新技术、新装置,提高特种设备管理与技术水平,提高特种设备本质安全度。13.完成领导临时交办的工作。职权1.负责特种设备的调研、选型等前期工作2.负责对特种设备修理方案的审定和组织实施3.负责、参与特种设备的安装指导、质量监督、试验和验收等工作。4.对存在安全隐患的设备或操作者有权下令停机停人并及时上报处理,内部汇工作关系工作关系报督导督导各厂特种设备管理及特种设备操作人员的操作。督导特种设备安装、修理、改造。协调与人力资源部协调特种设备操作人员的培训及管理。与各厂协调特种设备及其安全装置的检验、检测及校验计划的实施。与各厂协调特种设备修理、整改等计划的实施。外部工作关系与质量技术监督局联系特种设备及其安全装置的检验、检测及校验工作。

1、当您付费下载文档后,您只拥有了使用权限,并不意味着购买了版权,文档只能用于自身使用,不得用于其他商业用途(如 [转卖]进行直接盈利或[编辑后售卖]进行间接盈利)。
2、本站所有内容均由合作方或网友上传,本站不对文档的完整性、权威性及其观点立场正确性做任何保证或承诺!文档内容仅供研究参考,付费前请自行鉴别。
3、如文档内容存在违规,或者侵犯商业秘密、侵犯著作权等,请点击“违规举报”。

碎片内容

特种设备员职务说明书

您可能关注的文档

确认删除?
VIP
微信客服
  • 扫码咨询
会员Q群
  • 会员专属群点击这里加入QQ群
客服邮箱
回到顶部