电脑桌面
添加小米粒文库到电脑桌面
安装后可以在桌面快捷访问

同步带和带轮的设计使用注意事项样本

同步带和带轮的设计使用注意事项样本_第1页
1/23
同步带和带轮的设计使用注意事项样本_第2页
2/23
同步带和带轮的设计使用注意事项样本_第3页
3/23
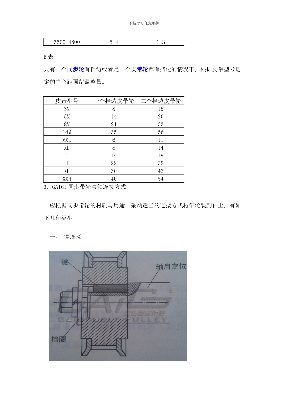
下载后可任意编辑同步带和带轮的设计使用注意事项1.优势( 1) 传动准确, 工作时无滑动, 具有恒定的传动比; ( 2) 传动平稳, 具有缓冲、 减振能力, 噪声低; ( 3) 传动效率高, 可达 0.98, 节能效果明显; ( 4) 维护保养方便, 不需润滑, 维护费用低; ( 5) 速比范围大, 一般可达 10, 线速度可达 50m/s, 具有较大的功率传递范围, 可达几瓦到几百千瓦; ( 6) 可用于长距离传动, 中心距可达 10m 以上。(7) 相对于 V 型带传送, 预紧力较小, 轴和轴承上所受载荷小; 2. 同步带轮外径公差-表 1 带轮外径公差(单位: MM)表 1带轮外径公差≤25.40+0.05/0≤25.40~50.80+0.08/0≤50.80~101.60+0.10/0≤101.60~177.80+0.13/0≤177.80~304.80+0.15/0≤304.80~508.00+0.18/0>508.00+0.20/0 2.同步带的安装同步带的安装方法① 安装同步带时, 假如两同步带轮的中心距能够移动, 必须先将同步带轮的中心距缩短, 装好同步带后, 再使中心距复位。若有张紧轮时, 先把张紧轮放松, 然后装上同步带, 再装上张紧轮。 ② 往同步带轮上装同步带时, 切记不要用力过猛, 或用螺丝刀硬撬同步带, 以防止同步带中的抗拉层产生外观觉察不到的折断现象。设计同步带轮时, 最好选用两轴能互相移近的结构, 若结构上不允许时, 则最好把同步带与同步带轮下载后可任意编辑一起装到相应的轴上。 ③ 控制适当的初张紧力。 ④ 同步带传动中, 两带轮轴线的平行度要求比较高, 否则同步带在工作时会产生跑偏, 甚至跳出带轮。轴线不平行远将引起压力不均匀, 是同步带齿早期磨损。 ⑤ 支撑同步带轮的机架, 必须有足够的刚度, 否则同步带轮在运转时就会造成两轴线的不平行。2. 同步带设计安装时同步带轮中心距的预留量 为保证同步带方便的装、 卸和张紧, 同步带轮的中心距应有一定的范围调整量, 调整量过小, 达不到要求; 调整量过大, 造成传动系统机构不紧凑及制造成本的浪费。具体可参考: A 表: 在二个同步轮无挡边或者是可拆卸挡边的情况下, 根据已选定的长度的皮带分别向松开和张紧方向的预留调整量。皮带长度( mm)松开方向( mm)张紧方向( mm)小于 49910.8500-10001.80.81001-17802.80.81781-25403.71.22541-35004.31.3下载后可任意编辑3500-46005.41.3B 表: 只有一个同步轮有挡边或者是二个皮带轮都有挡边的情况下, 根据皮带型号选定的中心距预留调整量。皮带型号一个挡边皮带轮二个挡边皮带轮3M8155...

1、当您付费下载文档后,您只拥有了使用权限,并不意味着购买了版权,文档只能用于自身使用,不得用于其他商业用途(如 [转卖]进行直接盈利或[编辑后售卖]进行间接盈利)。
2、本站所有内容均由合作方或网友上传,本站不对文档的完整性、权威性及其观点立场正确性做任何保证或承诺!文档内容仅供研究参考,付费前请自行鉴别。
3、如文档内容存在违规,或者侵犯商业秘密、侵犯著作权等,请点击“违规举报”。

碎片内容

同步带和带轮的设计使用注意事项样本

办公文档专营+ 关注
实名认证
内容提供者

大量办公文档,欢迎选择

确认删除?
VIP
微信客服
  • 扫码咨询
会员Q群
  • 会员专属群点击这里加入QQ群
客服邮箱
回到顶部