电脑桌面
添加小米粒文库到电脑桌面
安装后可以在桌面快捷访问

哈学院艺术院校区临时围挡施工方案样本

哈学院艺术院校区临时围挡施工方案样本_第1页
1/9
哈学院艺术院校区临时围挡施工方案样本_第2页
2/9
哈学院艺术院校区临时围挡施工方案样本_第3页
3/9
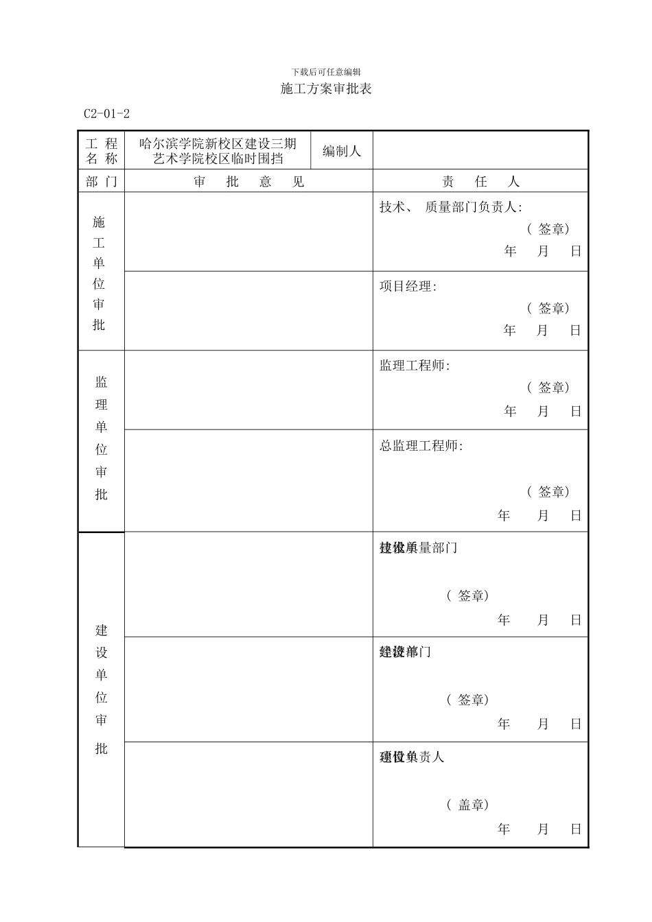
哈尔滨学院艺术学院校区新建工程临时围挡施工专项方案哈建工集团第四建筑工程公司哈学院公寓三期二标项目经理部 .7.10下载后可任意编辑施工方案审批表C2-01-2工 程名 称哈尔滨学院新校区建设三期艺术学院校区临时围挡编制人部 门审 批 意 见责 任 人施 工 单 位 审 批技术、 质量部门负责人: ( 签章) 年 月 日项目经理: ( 签章) 年 月 日监理单位审批监理工程师: ( 签章) 年 月 日总监理工程师: ( 签章) 年 月 日建设单位审批建设单位技术质量部门( 签章) 年 月 日建设单位经济部门( 签章) 年 月 日建设单位项目负责人( 盖章) 年 月 日下载后可任意编辑目 录一、 编制依据...........................................................3二、 工程概况...........................................................3三、 施工部署...........................................................31、 工期安排........................................................32、 人员部署........................................................43、 施工组织机构....................................................44、 施工机具准备....................................................55、 材料准备........................................................5四、 施工方案...........................................................61、 围挡现场布置....................................................62、 围挡定位........................................................63、 围挡制作........................................................64、 基础施工........................................................65、 围挡安装........................................................76、 围挡的维护......................................................7五、 质量保证措施.......................................................7六、 安全文明施工.......................................................8一、 编制依据1、 建设单位针对艺术学院校区建设规划区域围挡会议精神2、 施工必备的相关技术规程3、 现场勘察、 调查所掌握的情况和资料4、 建筑施工现场环境和卫生标准( JGJ146- ) 二、 工程概况本工程为哈尔滨学院新校...

1、当您付费下载文档后,您只拥有了使用权限,并不意味着购买了版权,文档只能用于自身使用,不得用于其他商业用途(如 [转卖]进行直接盈利或[编辑后售卖]进行间接盈利)。
2、本站所有内容均由合作方或网友上传,本站不对文档的完整性、权威性及其观点立场正确性做任何保证或承诺!文档内容仅供研究参考,付费前请自行鉴别。
3、如文档内容存在违规,或者侵犯商业秘密、侵犯著作权等,请点击“违规举报”。

碎片内容

哈学院艺术院校区临时围挡施工方案样本

您可能关注的文档

确认删除?
VIP
微信客服
  • 扫码咨询
会员Q群
  • 会员专属群点击这里加入QQ群
客服邮箱
回到顶部