电脑桌面
添加小米粒文库到电脑桌面
安装后可以在桌面快捷访问

化工工艺早期设计案例分析VIP免费

化工工艺早期设计案例分析_第1页
1/5
化工工艺早期设计案例分析_第2页
2/5
化工工艺早期设计案例分析_第3页
3/5
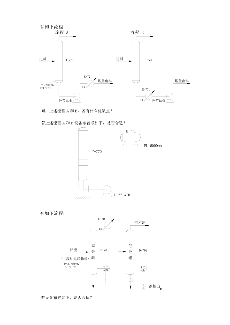
有如下流程:流程A进料CW塔釜出料流程B进料CW塔釜出料P=0.5MPaGT=170C°T-770T-770P-771A/BP-771A/BE-771E-771问,上述流程A和B,各有什么优缺点?若上述流程A和B设备布置成如下,是否合适?T-770P-771A/BE-771EL:6000mm有如下流程:CWD-701D-702LIC701LIC702高分罐低分罐液相出气相出E-702P=2.6MPaGT=130C二相流(二段加氢后物料)°若设备布置如下,是否合适?D-701E-702EL:6000mmD-702EL:0.00mm有如下流程:反应器中发生加氢反应——放热反应流程A,冷物料可跨过E-760E-760R-702TCCWE-761蒸汽循环反应进料H2P=3.0MPaGT=40C°反应出料SC流程B,热物料可跨过E-760E-760R-702TCSCCWE-761蒸汽循环反应进料H2P=3.0MPaGT=40C°反应出料问,上述A、B流程各有什么优缺点?有这样一个设计:某反应出料压缩机凝液CWE-612E-611CWE-609T=92.4C°T=42.7C°69.4C°去压缩机41C°62C°V当设计几近完成时,由于压缩机制造的原因,压缩机凝液温度由42.7℃改为55℃,有人建议取消E-611,问这样的改变是否合适,将会有什么后果?已知有一物料:C5:30%,C6:40%,C7+:30%,欲分割得到C5,C6,C7,设计了如下二种流程:流程A:先脱轻,再脱重原料C65C7+流程B:先脱重,再脱轻原料C55、C7+6C6问,上述A、B流程各有什么优缺点?裂解汽油加氢中的稳定塔,流程如下:PICCWMSSCHS2、H2、C10LIC轻组分和少量(C5HS2、H2、C)10进料CABD塔的压力P=0.6MPaG,塔釜温度为170℃在改造后刚开车时,发现塔釜温度升不起来,塔釜蒸汽调节阀全开时,仅能达到145℃,问是什么原因造成塔釜温度升不起来?背景说明:该装置已生产了近20年,温度升不起来时,现场塔顶控压的阀门A、B、C、D都是关着的。(1)T-602(汽提塔)塔顶冷凝器能力不够,其流程如下:CWFC进料EA-604E-605(空冷器)(水冷器)52.8C°LIC塔顶采出EA-604和E-605的参数如下:EA-604φ3000x8300光管面积178m2E-605φ700x5000换热面积124m2(循环水线为DN250)塔顶物料泡点温度约50℃,流程模拟塔顶冷凝器的热负荷为3.444x106kcal/h请判断该如何改造?(2)T-606塔顶冷凝器能力不够,流程如下:CW进料EA-614E-616(空冷器)(水冷器)83.4C°塔顶采出LICFCFCEA-614和E-616的参数如下:EA-614空冷器φ1800x8300光管面积143m2E-616后冷器(水冷)φ700x4500换热面积130m2(循环水线为DN150)塔顶物料泡点温度约65℃,流程模拟塔顶冷凝器的热负荷为3.21x106kcal/h问,该如何改造?

1、当您付费下载文档后,您只拥有了使用权限,并不意味着购买了版权,文档只能用于自身使用,不得用于其他商业用途(如 [转卖]进行直接盈利或[编辑后售卖]进行间接盈利)。
2、本站所有内容均由合作方或网友上传,本站不对文档的完整性、权威性及其观点立场正确性做任何保证或承诺!文档内容仅供研究参考,付费前请自行鉴别。
3、如文档内容存在违规,或者侵犯商业秘密、侵犯著作权等,请点击“违规举报”。

碎片内容

化工工艺早期设计案例分析

您可能关注的文档

确认删除?
VIP
微信客服
  • 扫码咨询
会员Q群
  • 会员专属群点击这里加入QQ群
客服邮箱
回到顶部