电脑桌面
添加小米粒文库到电脑桌面
安装后可以在桌面快捷访问

环保管理台帐明细

环保管理台帐明细_第1页
1/31
环保管理台帐明细_第2页
2/31
环保管理台帐明细_第3页
3/31
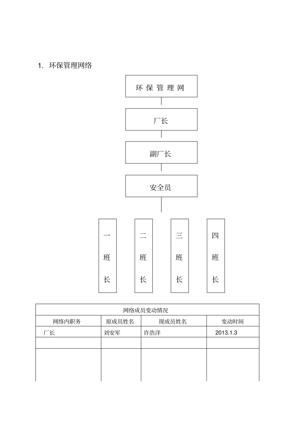
附件 5.2环保管理台帐明细1. 环保管理网络2. 年度环保工作计划3. 主要污染源分布简图4. 主要污染源汇总表5. 环保设施汇总表6.环保设施运行记录7.重要环境因素清单8.环保检查台帐9.环境事件台账10 .非常规“三废”排放记录11 .环保考核与奖惩台帐12 .上半年环保工作总结13 .全年环保工作总结14 .环保大事记15 .外排废水检测台账16 .车间废水外排口检测台账17 .外排尾气(烟气)监测台帐18 .噪声监测台帐19 .固体废物台账20 .建设项目环境保护“三同时”登记表1. 环保管理网络环 保 管 理 网厂长副厂长安全员一班长二班长三班长四班长网络成员变动情况网络内职务原成员姓名现成员姓名变动时间厂长刘安军许浩洋2013.1.3 2.年度环保工作计划1、 开好活化尾气除酸除尘系统。2、 做好清污分流及污污分流工作。3、 搞好环保安全教育活动。3.主要污染源分布简图静态浸渍(氨酸碱罐区(排酸碱废液)有机胺生产区(产生有活化区(产生酸性汽体和废尘)氯铂酸岗位(产生氨氮废水)C8 生产装置(产生含氨氮液)动 浸 岗 位( 产 生 含4.主要污染源汇总表序号污染源名称产生部位主要污染因子排放浓度排放量排放方式排放去向备注1 尘废气活化载体尘状物不定不定经处理后排放大气2 酸废气活化含 CL 酸气不定不定经处理后排放大气3 氨氮废水氯铂酸含氨氮废水不定不定直排污水池4 氨氮废水铵交换氯化铵废水不定不定直排污水池5 氨氮废水动浸岗位含氨氮废水不定不定直排污水池6 氨氮废水静浸岗位含氨氮废水不定不定直排污水池(1)各单位的污染源主要填写外排口。(2)各生产单元填写到岗位。5. 环保设施汇总表_______分公司环保设施汇总表单位名称:序号环保设施名称工艺编号规格型号投用时间设计能力实际处理能力采用何种技术运行状况设备完好率设施运转率处理能力排放达标率备注污染因子 1 污染因子 2 进口浓度出口浓度处理效率进口浓度出口浓度处理效率1 凉水塔T101 GBNL3-125 2002.4水循环好100%100%节水设施2 袋式除尘机组M205/1 LDZ-26-LX1 2011.7 布袋除尘好100% 100% 100% M205/2 LDZ-26-LX1 2004.1 布袋除好100% 100% 100% 尘M205/3 LDZ-26-LX1 2004.1 布袋除尘好100% 100% 100% (1)环保设施主要包括:①污染控制设施,包括污水处理设施、除尘设施、隔声设施、固体废物卫生填埋或焚烧设施等。②节约资源和资源回收利用设施,包括能源回收与节能设施、节水设施与...

1、当您付费下载文档后,您只拥有了使用权限,并不意味着购买了版权,文档只能用于自身使用,不得用于其他商业用途(如 [转卖]进行直接盈利或[编辑后售卖]进行间接盈利)。
2、本站所有内容均由合作方或网友上传,本站不对文档的完整性、权威性及其观点立场正确性做任何保证或承诺!文档内容仅供研究参考,付费前请自行鉴别。
3、如文档内容存在违规,或者侵犯商业秘密、侵犯著作权等,请点击“违规举报”。

碎片内容

环保管理台帐明细

您可能关注的文档

确认删除?
VIP
微信客服
  • 扫码咨询
会员Q群
  • 会员专属群点击这里加入QQ群
客服邮箱
回到顶部