电脑桌面
添加小米粒文库到电脑桌面
安装后可以在桌面快捷访问

建筑门窗热工性能计算书LOWE玻璃的隔热系数模板

建筑门窗热工性能计算书LOWE玻璃的隔热系数模板_第1页
1/42
建筑门窗热工性能计算书LOWE玻璃的隔热系数模板_第2页
2/42
建筑门窗热工性能计算书LOWE玻璃的隔热系数模板_第3页
3/42
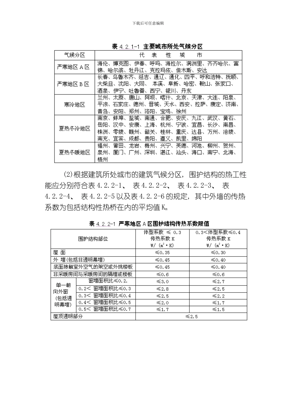
下载后可任意编辑建筑门窗热工性能计算书I、 设计依据: 《民用建筑节能设计标准( 采暖居住建筑部分) 》JGJ26-95 《夏热冬冷地区居住建筑节能设计标准》JGJ134- 《夏热冬暖地区居住建筑节能设计标准》JGJ75- 《民用建筑热功设计法律规范》GB50176-93 《公共建筑节能设计标准》GB50189- 《建筑玻璃应用技术规程》JGJ113- 《建筑门窗玻璃幕墙热工计算规程》JGJ/T151- 相关计算和定义均根据 ISO10077-1 和 ISO10077-2 的方法进行计算和定义II、 计算基本条件: 1、 设计或评价建筑门窗、 玻璃幕墙定型产品的热工参数时, 所采纳的环境边界条件应统一采纳本标准规定的计算条件。 2、 计算实际工程所用的建筑门窗和玻璃幕墙热工性能所采纳的边界条件应符合相应的建筑设计或节能设计标准。 3、 各种情况下都应选用下列光谱: S(λ): 标准太阳辐射光谱函数( ISO 9845-1) D(λ): 标准光源光谱函数( CIE D65, ISO 10526) R(λ): 视见函数( ISO/CIE 10527) 。 4、 冬季计算标准条件应为: 室内环境温度: Tin=20℃ 室外环境温度: Tout=-20℃ 室内对流换热系数: hc,in=3.6 W/m2.K 室外对流换热系数: hc,out=16 W/m2.K 室外平均辐射温度: Trm=Tout 太阳辐射照度: Is=300 W/m2 5、 夏季计算标准条件应为: 室内环境温度: Tin=25℃ 室外环境温度: Tout=30℃ 室内对流换热系数: hc,in=2.5 W/m2.K 室外对流换热系数: hc,out=16 W/m2.K下载后可任意编辑 室外平均辐射温度: Trm=Tout 太阳辐射照度: Is=500 W/m2 6、 计算传热系数应采纳冬季计算标准条件, 并取 Is= 0 W/m2.计算门窗的传热系数时,门窗周边框的室外对流换热系数hc,out应取 8 W/m2.K,周边框附近玻璃边缘(65mm 内)的室外对流换热系数 hc,out应取 12 W/m2.K 7、 计算遮阳系数、 太阳能总透射比应采纳夏季计算标准条件. 8、 抗结露性能计算的标准边界条件应为: 室内环境温度: Tin=20℃ 室外环境温度: Tout=0℃ -10℃ -20℃ 室内相对湿度: RH=30%、 60% 室外对流换热系数: hc,out=20 W/m2.K 9、 计算框的太阳能总透射比 gf应使用下列边界条件 qin=α* Is qin: 经过框传向室内的净热流( W/m2) α: 框表面太阳辐射吸收系数 Is: 太阳辐射照度(Is=500W/m2) 10、 《公共建筑节能设计标准》GB50189- 有关规定: (1)各城市的建筑气候分区应按表 4.2.1 确定。下载后可任意编辑 (2)根据建筑所处城...

1、当您付费下载文档后,您只拥有了使用权限,并不意味着购买了版权,文档只能用于自身使用,不得用于其他商业用途(如 [转卖]进行直接盈利或[编辑后售卖]进行间接盈利)。
2、本站所有内容均由合作方或网友上传,本站不对文档的完整性、权威性及其观点立场正确性做任何保证或承诺!文档内容仅供研究参考,付费前请自行鉴别。
3、如文档内容存在违规,或者侵犯商业秘密、侵犯著作权等,请点击“违规举报”。

碎片内容

建筑门窗热工性能计算书LOWE玻璃的隔热系数模板

一二三四传媒+ 关注
实名认证
内容提供者

大量资料供您选择,没有合适的可以联系小二。

确认删除?
VIP
微信客服
  • 扫码咨询
会员Q群
  • 会员专属群点击这里加入QQ群
客服邮箱
回到顶部