电脑桌面
添加小米粒文库到电脑桌面
安装后可以在桌面快捷访问

瓦工技术交底8887

瓦工技术交底8887_第1页
1/5
瓦工技术交底8887_第2页
2/5
瓦工技术交底8887_第3页
3/5
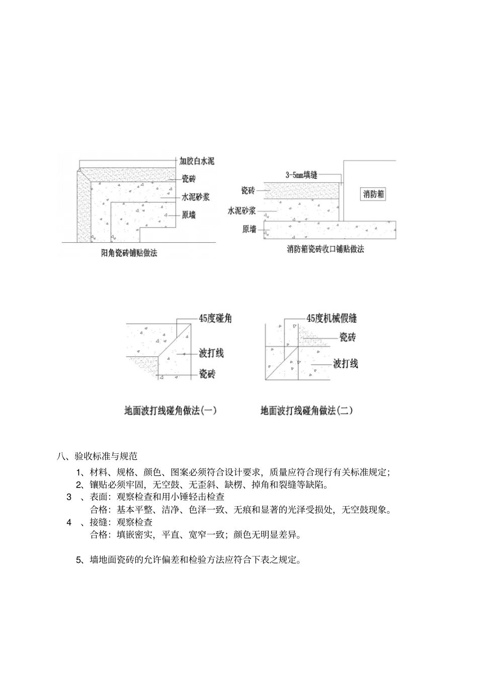
交底内容:一、施工机具 :瓷砖切割机一台、瓷砖磨光机一台、6 寸鬃刷一把、皮锤一把、十字线一扎、灰铲、扫帚、灰桶、铁锹各一个。二、施工工艺1、施工环境:施工环境温度为13℃~40℃。10℃以下不宜进行瓷砖铺贴施工。2、施工工艺流程 : 三、施工准备注明:本项目墙面瓷砖采用“800X800”全瓷抛光加工地砖”铺贴。机械磨3mm长斜边。为了确保工程质量及铺贴效果。瓷砖在铺贴上墙之前需在砖背面满涂“专用瓷砖粘接剂”。粘接剂涂刷一个小时后,才可打灰铺贴上墙。 (地面瓷砖铺贴时无需涂刷粘接剂)3.1 涂刷粘接剂。3.2 检查原墙抹灰面是否空鼓。3.3 确认墙面预留电气设备底盒位置及瓷砖标高。3.4 清洁墙面灰渣及阴角堆积的尘土后浇湿墙面。3.5 在危险场地施工时,所有人员必须佩带安全帽、做好施工人员的安全保护措施。四、施工顺序4.1 、地面瓷砖铺贴时应按照“出进门按整砖铺贴”的方法施工。五、瓷砖铺贴①挑选表面无划痕、缺角的瓷砖将背面使用6 寸鬃刷满刷“专用瓷砖粘接剂”②清洁墙面后将墙面喷水浇湿。确定标高及铺贴起始点后,拉十字水平线。铺贴成品卡子做缝瓷砖背底打灰刷墙砖专用背胶墙面清扫湿墙弹线打饼冲茎边口填灰夯实表面清洁填缝处理验收成品保护下道工序③将事先刷好胶的瓷砖(铺贴地面瓷砖时无需刷胶)背面打满水泥灰浆(1:2 )开始铺贴上墙。加1.5mm卡子做缝、夯实。上口及边角处填灰。再次夯实,调平。用抹布清洁瓷砖表面。按此工序将墙面第一排瓷砖铺贴完成后,继续向上第二排瓷砖铺贴。所施工面墙面瓷砖铺贴完成24 小时候,可经行白水泥 +胶填缝处理。(注:填缝时必须采用“塑料质”刮板作业)施工示意图:六、注意事项 1 、施工前应检查原始墙面抹灰是否有空鼓现象。 2 、原墙面预留电气、消防、弱电等线盒位置确定。 3 、铺贴前需将原墙面浇水,使墙面保持一定的湿度。 4 、铺贴前应注意挑选无缺角,表面无划痕的瓷砖铺贴。 5 、墙砖铺前应将底灰打满,四边高于中间。(防止空鼓) 6 、地面瓷砖排版须按照图纸施工。如图纸与现场不符,及时上报现场技术管理协调设计及业主方变更确认后,再进行施工。 7 、墙砖铺贴夯实前需将上口及边角填补水泥砂浆。(防止空角) 8 、墙地面瓷砖铺贴前应注意瓷砖背面所示铺贴方向。(按箭头或所示方向铺贴) 9 、墙地面瓷砖铺贴时因注意调整横竖缝隙均匀、四角水平。七、特殊部位具体做法八、验收标准与规范1、材料、规格、颜色、图案必须符合设计要...

1、当您付费下载文档后,您只拥有了使用权限,并不意味着购买了版权,文档只能用于自身使用,不得用于其他商业用途(如 [转卖]进行直接盈利或[编辑后售卖]进行间接盈利)。
2、本站所有内容均由合作方或网友上传,本站不对文档的完整性、权威性及其观点立场正确性做任何保证或承诺!文档内容仅供研究参考,付费前请自行鉴别。
3、如文档内容存在违规,或者侵犯商业秘密、侵犯著作权等,请点击“违规举报”。

碎片内容

瓦工技术交底8887

确认删除?
VIP
微信客服
  • 扫码咨询
会员Q群
  • 会员专属群点击这里加入QQ群
客服邮箱
回到顶部