电脑桌面
添加小米粒文库到电脑桌面
安装后可以在桌面快捷访问

生产与运作管理案例9个

生产与运作管理案例9个_第1页
1/31
生产与运作管理案例9个_第2页
2/31
生产与运作管理案例9个_第3页
3/31
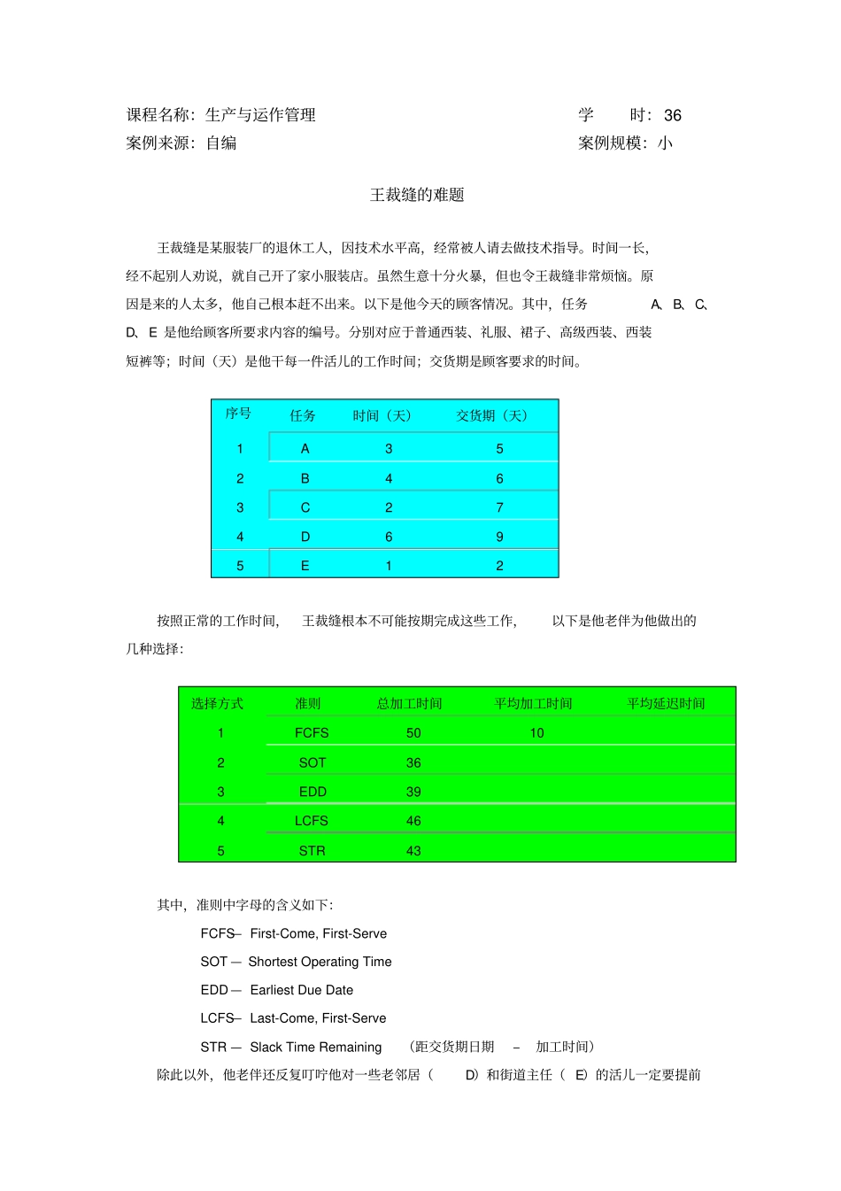
课程名称:生产与运作管理学时: 36案例来源:自编案例规模:小王裁缝的难题王裁缝是某服装厂的退休工人,因技术水平高,经常被人请去做技术指导。时间一长,经不起别人劝说,就自己开了家小服装店。虽然生意十分火暴,但也令王裁缝非常烦恼。原因是来的人太多,他自己根本赶不出来。以下是他今天的顾客情况。其中,任务A、B、C、D、E 是他给顾客所要求内容的编号。分别对应于普通西装、礼服、裙子、高级西装、西装短裤等;时间(天)是他干每一件活儿的工作时间;交货期是顾客要求的时间。序号任务时间(天)交货期(天)1A352B463C274D695E12按照正常的工作时间,王裁缝根本不可能按期完成这些工作,以下是他老伴为他做出的几种选择:选择方式准则总加工时间平均加工时间平均延迟时间1FCFS50102SOT363EDD394LCFS465STR43其中,准则中字母的含义如下:FCFS— First-Come, First-ServeSOT — Shortest Operating TimeEDD — Earliest Due DateLCFS— Last-Come, First-ServeSTR — Slack Time Remaining(距交货期日期–加工时间)除此以外,他老伴还反复叮咛他对一些老邻居(D)和街道主任( E)的活儿一定要提前做( PCO — Preferred Customer Order)。这使王裁缝在为难的情况下,又加了几分气愤。那么,王裁缝到底应该怎样选择呢?你能为王裁缝提出更好的建议吗?课程名称:生产与运作管理学时: 36案例来源:选编案例规模:大电 容 制 造 部 的 难 题罗姆电子大连有限公司系大连开发区的一家日资企业,其电容制造部主要生产MCH系列陶瓷积层电容,共100 多种规格,从包装形式上可分为纸带和塑料带两大类。自96 年初投产以来,由于编带作业采用了改进后的新工艺、公司操作人员不太熟悉设备操作性能等原因,经过两个多月的努力,仍未能达到月产量1 亿的设计能力。日本总部对此非常不满,经常对电容制造部的有关部门提出指责。对此,电容制造部负责人尹先生十分苦恼。这一天,他又一次召集有关部门负责人员开会,研究如何解决所面临的生产问题。会上, 大家列举了最近出现的各种问题,普遍反映加班实在太辛苦,有些操作人员已十分疲乏。 会议进行到一半,负责对外联络业务的曲小姐过来汇报说,刚才又接到日本总部打来的电话, 对大连电容制造部未完成上个月的生产任务大为不满,严令这个月必须完成,否则将进一步追究各部门责任等等。这个消息立即引起了与会人员的不满,设备科长李先生首先按捺不住,愤愤...

1、当您付费下载文档后,您只拥有了使用权限,并不意味着购买了版权,文档只能用于自身使用,不得用于其他商业用途(如 [转卖]进行直接盈利或[编辑后售卖]进行间接盈利)。
2、本站所有内容均由合作方或网友上传,本站不对文档的完整性、权威性及其观点立场正确性做任何保证或承诺!文档内容仅供研究参考,付费前请自行鉴别。
3、如文档内容存在违规,或者侵犯商业秘密、侵犯著作权等,请点击“违规举报”。

碎片内容

生产与运作管理案例9个

您可能关注的文档

确认删除?
VIP
微信客服
  • 扫码咨询
会员Q群
  • 会员专属群点击这里加入QQ群
客服邮箱
回到顶部