电脑桌面
添加小米粒文库到电脑桌面
安装后可以在桌面快捷访问

生产设备管理体系流程

生产设备管理体系流程_第1页
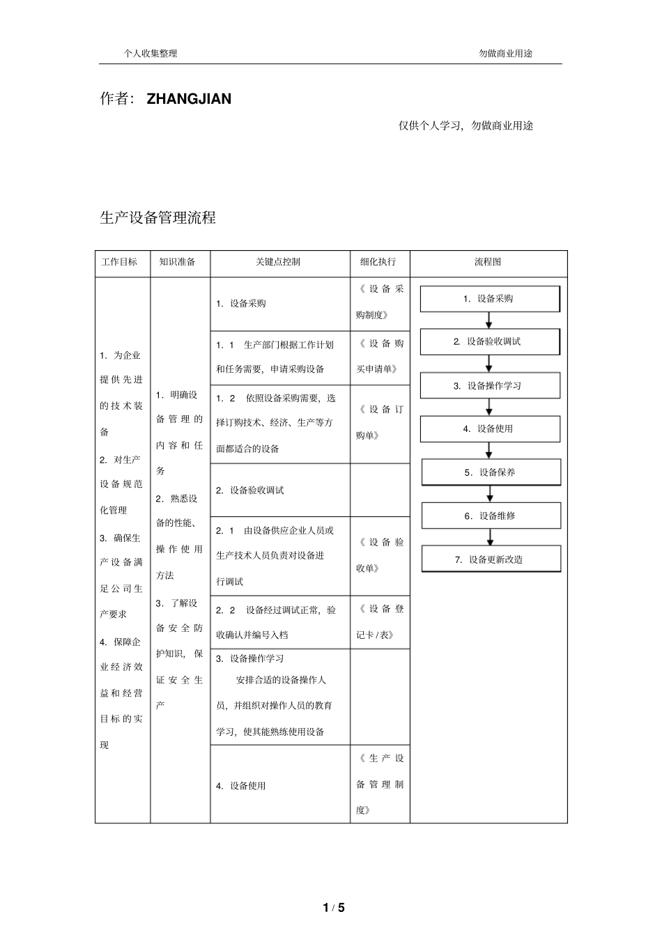
1/5
生产设备管理体系流程_第2页
2/5
生产设备管理体系流程_第3页
3/5
个人收集整理勿做商业用途1 / 5作者: ZHANGJIAN 仅供个人学习,勿做商业用途生产设备管理流程工作目标知识准备关键点控制细化执行流程图1.为企业提 供 先 进的 技 术 装备2.对生产设 备 规 范化管理3.确保生产 设 备 满足 公 司 生产要求4.保障企业 经 济 效益 和 经 营目 标 的 实现1.明确设备 管 理 的内 容 和 任务2.熟悉设备的性能、操 作 使 用方法3.了解设备 安 全 防护知识, 保证 安 全 生产1.设备采购《 设 备 采购制度》1.1 生产部门根据工作计划和任务需要,申请采购设备《 设 备 购买申请单》1.2 依照设备采购需要,选择订购技术、经济、生产等方面都适合的设备《 设 备 订购单》2.设备验收调试2.1 由设备供应企业人员或生产技术人员负责对设备进行调试《 设 备 验收单》2.2 设备经过调试正常,验收确认并编号入档《 设 备 登记卡 /表》3.设备操作学习安排合适的设备操作人员,并组织对操作人员的教育学习,使其能熟练使用设备4.设备使用《 生 产 设备 管 理 制度》2.设备验收调试3.设备操作学习4.设备使用5.设备保养6.设备维修7.设备更新改造1.设备采购个人收集整理勿做商业用途2 / 54. 1 根据设备操作说明书,制定相关设备使用制度《 设 备 操作说明书》4.2 正确配备各种相关衔接设备,合理安排生产任务,使各种设备的性能和生产效率达到最优状态4. 3 控制设备运行的温度、湿度,搞好设备周围的环境卫生,创造良好的设备工作环境4.4 操作人员持证上岗,禁止非本设备操作人员使用设备,按操作制度和说明正确使用5.设备保养5.1 操作人员加强日常一级保养工作, 对设备清洁、 润滑、紧固《 设 备 保养记录表》5.2 由专职保养人员对定期对设备进行二、三级保养,进行内部清洁、润滑,局部或主体解体检查、调整,对达到磨损限度的零件加以更换《 设 备 保养记录表》6.设备维修由专业维修人员对于不能使用或运行不正常的设备进行维修《 设 备 维修记录表》个人收集整理勿做商业用途3 / 57.设备更新改造《 设 备 更新 改 造 管理制度》7.1 设备到达寿命年限核准报废处理,并更换新设备《 设 备 报废申请表》7.2 依照工作特性对设备改造,使其更能适应生产工作需要《 设 备 改良计划表》个人收集整理勿做商业用途4 / 5版权申明本文部分内容,包括文字、图片、以及设计等在网上搜集整理...

1、当您付费下载文档后,您只拥有了使用权限,并不意味着购买了版权,文档只能用于自身使用,不得用于其他商业用途(如 [转卖]进行直接盈利或[编辑后售卖]进行间接盈利)。
2、本站所有内容均由合作方或网友上传,本站不对文档的完整性、权威性及其观点立场正确性做任何保证或承诺!文档内容仅供研究参考,付费前请自行鉴别。
3、如文档内容存在违规,或者侵犯商业秘密、侵犯著作权等,请点击“违规举报”。

碎片内容

生产设备管理体系流程

确认删除?
VIP
微信客服
  • 扫码咨询
会员Q群
  • 会员专属群点击这里加入QQ群
客服邮箱
回到顶部